Radio not working

Tiny
BRANT
  • MEMBER
  • 2000 VOLVO S80
  • 6 CYL
  • FWD
  • AUTOMATIC
  • 135,000 MILES
I have 2000 volvo s80 ! Now out of nowhere the radio stopped working ! I checked the fuses an there all good !

No actually it's dead nothing, no sound, no nothing !

Please help.
Tuesday, August 9th, 2011 AT 10:51 PM

13 Replies

Tiny
JIS001
  • MECHANIC
  • 3,412 POSTS
You would need to remove the radio and check for power at connector pins A1 and A2. If you do have power then the radio is done. To replace the radio you would also need to download software for it to work properly since the radio is a control module also known as a AUM (Audio Unit Module) You can install an aftermarket radio in your vehicle but I would recommend you have software downloaded first to remove the AUM out of the network so that there is no conflict in the networking system of the vehicle. Once the software removes the AUM you can have a profesional audio store install a different radio. You can do it yourself also. If you look online I am sure you could find a wiring kit that you can wire to the aftermarket radio so that you can just plug the new radio to the Volvo radio connectors. So compare prices to see what would be more economical for you to replace? Good luck to you.
Was this
answer
helpful?
Yes
No
Wednesday, August 10th, 2011 AT 12:39 AM
Tiny
JIS001
  • MECHANIC
  • 3,412 POSTS
I forgot to ask as well, does your vehicle have premium sound? If it does then it can be a little more tricky to diagnose since you will have an external ampifier. If it does then I would recommend Volvo diagnose it since you could have some other issue?
Was this
answer
helpful?
Yes
No
Wednesday, August 10th, 2011 AT 12:47 AM
Tiny
BRANT
  • MEMBER
  • 4 POSTS
Thanks JIS001 ! I'll look into it an let you know what I find! What about just getting a used one from junk yard? Would I still need to get the software removed? And when you say software removed, does that mean going to a dealer?Thanks again.
Was this
answer
helpful?
Yes
No
+1
Wednesday, August 10th, 2011 AT 2:26 AM
Tiny
JIS001
  • MECHANIC
  • 3,412 POSTS
The software would need to be done at the dealership. If you get a used one I do not now if it would work properly or not since when you download the software for a control unit it will configure that unit to that vehicle? Once software is downloaded to that unit you can not take that software back. The software to remove the AUM to make room for an aftermarket radio would only let the vehicle now that the AUM is no longer there so that it will not post fault codes or cause any type of disturbance with the other control units in that network? So I would say you have a 50/50 chance a used AUM will work properly? I just wrecked my 2001 S80 and would have gladly removed my AUM and sent it out to you but I think my car is already at the wrecking yard? And I dont know if the insurance company would let me remove any parts out of it since they will be salvaging it?
Was this
answer
helpful?
Yes
No
Wednesday, August 10th, 2011 AT 2:38 AM
Tiny
BRANT
  • MEMBER
  • 4 POSTS
Hey JIS001. This is Brant again. I have another few questions concerning my S80 Volvo. I was just told there are fuses in the radio itself. I didn;t realize that. Is that true? I already replaced the fuses in the side fuse box.

Also, I installed factory fog lights and I bought a used switch from a junk yard for the instrument panel. After installing it into the panel, it did not work. I ws told I would have to go the dealership to get it programmed. Does that sound right to you? I just thought this was a plug and play car.
Thanks again!
Was this
answer
helpful?
Yes
No
-1
Monday, August 15th, 2011 AT 12:56 AM
Tiny
JIS001
  • MECHANIC
  • 3,412 POSTS
The radio itself does not have fuses because like I mentioned earlier, the radio is a control module. As for the fog lights, did the vehicle come with fog lights? Or is this something you are trying to add?
Was this
answer
helpful?
Yes
No
+1
Monday, August 15th, 2011 AT 2:18 AM
Tiny
BRANT
  • MEMBER
  • 4 POSTS
The fog lights are something that I have added to the car ! They are from volvo not oem one's! Thanks JIS001
Was this
answer
helpful?
Yes
No
Monday, August 15th, 2011 AT 6:53 PM
Tiny
JIS001
  • MECHANIC
  • 3,412 POSTS
Well the switch is plug and play but the reason it is not working is because the vehicle was not configured that way? So you may need some software downloaded to reconfigure the lighting and install relays and fuses to make this work? If you have a fax number I can send you the procedure to install the fog lights and where the fuses and relay will go but you would still need to take it in for the software?
Was this
answer
helpful?
Yes
No
Tuesday, August 16th, 2011 AT 1:49 AM
Tiny
KEN L
  • MASTER CERTIFIED MECHANIC
  • 55,322 POSTS
Nice work JIS001, he is one of our best!

Great addition to this thread!

Cheers, Ken
Was this
answer
helpful?
Yes
No
+1
Tuesday, May 2nd, 2017 AT 4:30 PM
Tiny
BBABB
  • MEMBER
  • 1 POST
  • 2004 VOLVO S80
Electrical problem
2004 Volvo S80 All Wheel Drive Automatic 90,000 miles

I have an 04 Volvo S80 and the radio lights flash on and off especially in colder weather. The radio still works fine but when the radio lights are out the radio controls on the steering wheel won't work. When the radio lights are on everything works fine. Any ideas?
Was this
answer
helpful?
Yes
No
Tuesday, May 2nd, 2017 AT 4:31 PM (Merged)
Tiny
JIS001
  • MECHANIC
  • 3,412 POSTS
You should take it in to Volvo to have any fault codes scanned and fault traced.
Was this
answer
helpful?
Yes
No
Tuesday, May 2nd, 2017 AT 4:31 PM (Merged)
Tiny
KOURTNIE DORSET
  • MEMBER
  • 1 POST
  • 2007 VOLVO S80
  • 83,000 MILES
My radio stopped working, it will come on will not allow me to switch modes from Sirus. Will not stay on but all lights and and climate control works.
Was this
answer
helpful?
Yes
No
Tuesday, May 2nd, 2017 AT 4:31 PM (Merged)
Tiny
KEN L
  • MASTER CERTIFIED MECHANIC
  • 55,322 POSTS
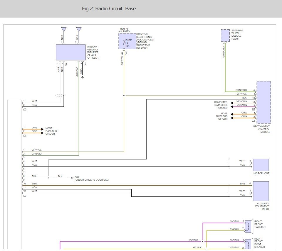
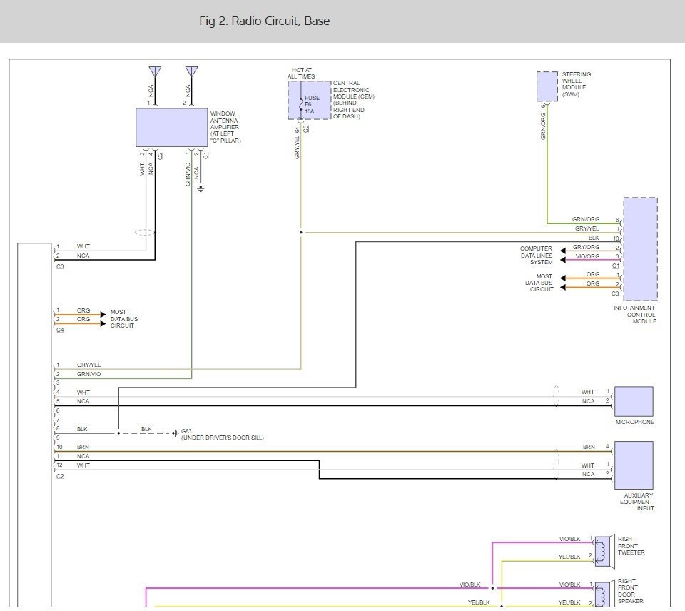
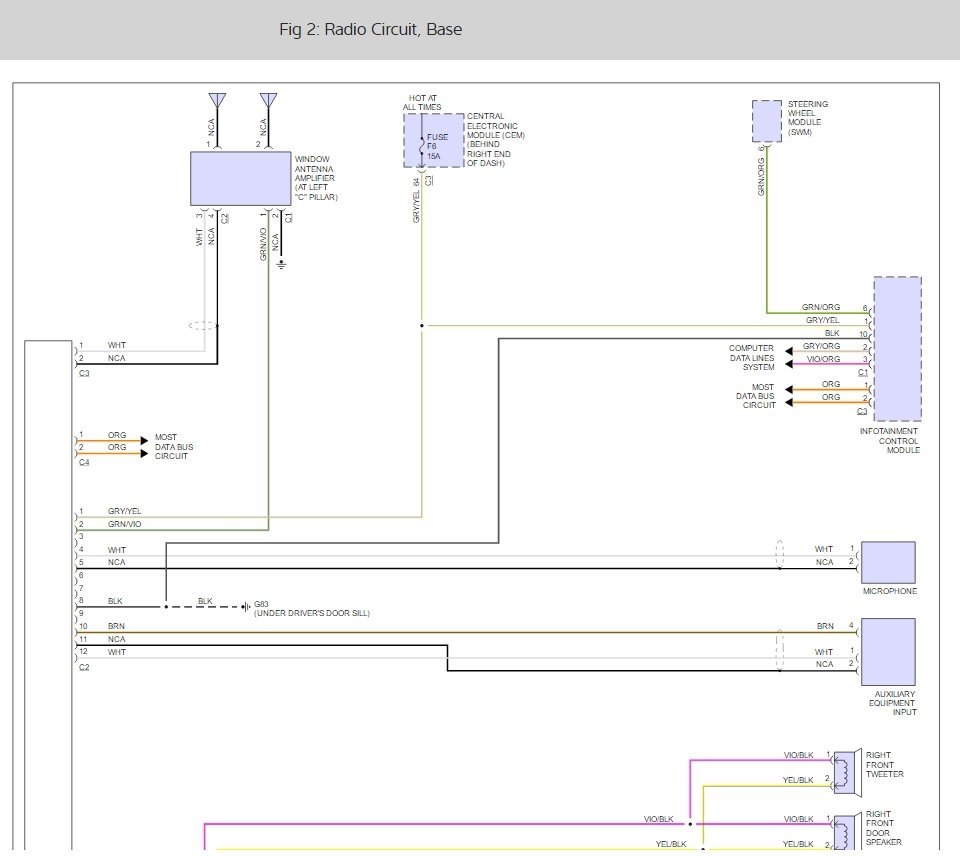
Hello,

There are tow parts to that radio that could be causing the problem, first the radio head itself or the radio module under the drivers seat. Here is a wiring diagram and a guide so you can do some testing.

https://www.2carpros.com/articles/how-to-check-wiring

Please run some tests and get back to us so we can continue helping you.

Cheers, Ken

Was this
answer
helpful?
Yes
No
Tuesday, May 2nd, 2017 AT 4:31 PM (Merged)

Please login or register to post a reply.