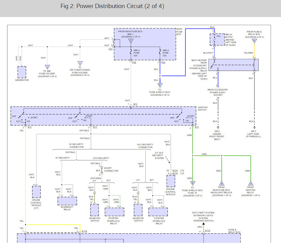
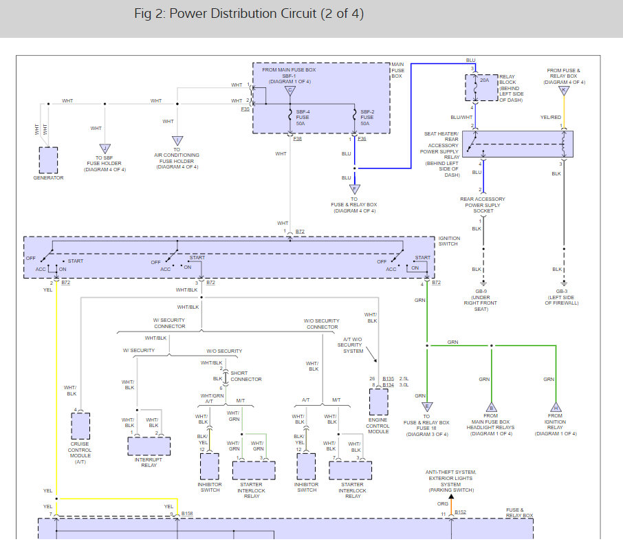
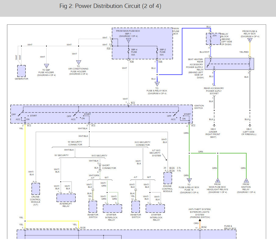
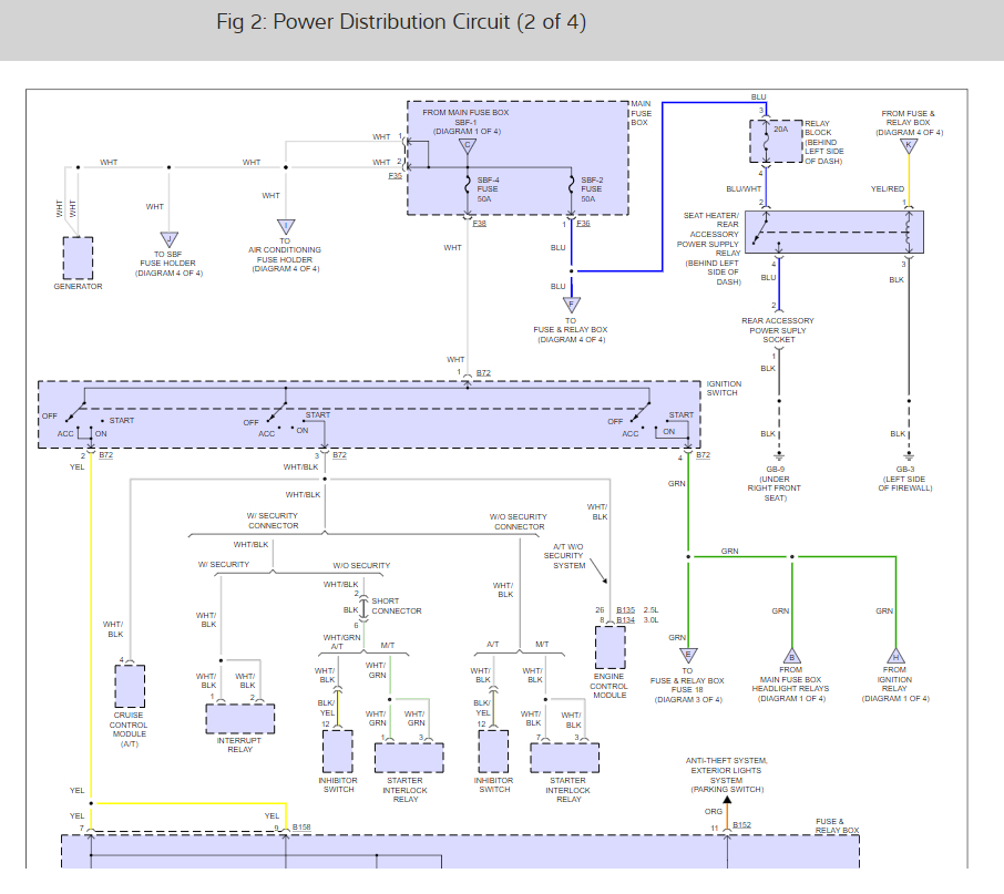
Thursday, November 29th, 2018 AT 8:11 AM
When I start the car it may take a while for the radio and wipers to work, sometimes a long while. What could be the problem?




