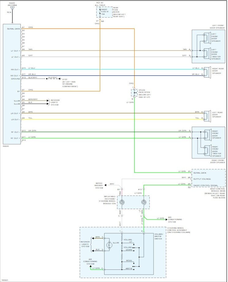
The radio on my vehicle doesn't work. For a while it would work intermittently, some days it would be fine, others it wouldn't work. And now for a few weeks it hasn't worked at all. Along with the radio the seat belt chime doesn't work, as well as the chime that should come on when the driver's side door is opened with the key still in the ignition. I've checked the radio fuse and it's still good, and when I put the fuse back in a chime sounded, so I also know the speakers work.
I do have an aftermarket radio, however, because it doesn't light up or anything I suspect there is no power to the unit, and the unit itself isn't the issue.
Any help or ideas would be appreciated, thanks!
Saturday, April 13th, 2024 AT 5:17 PM


