Sunday, February 11th, 2024 AT 4:05 PM
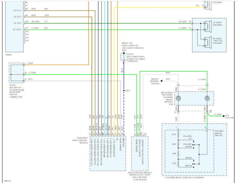
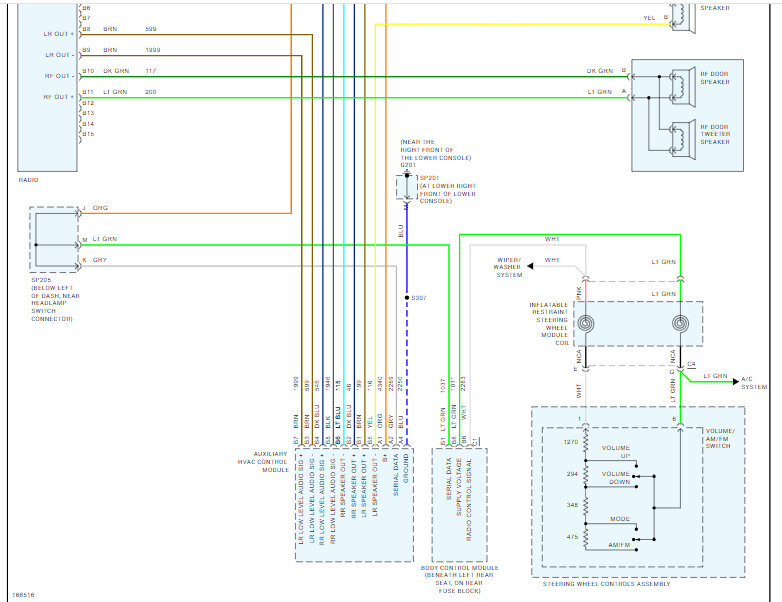
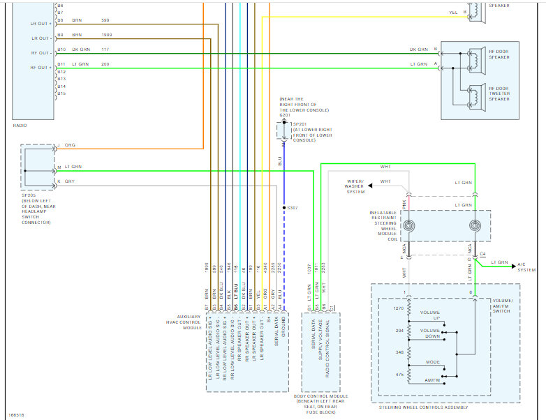
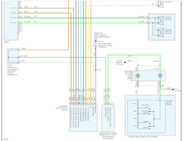
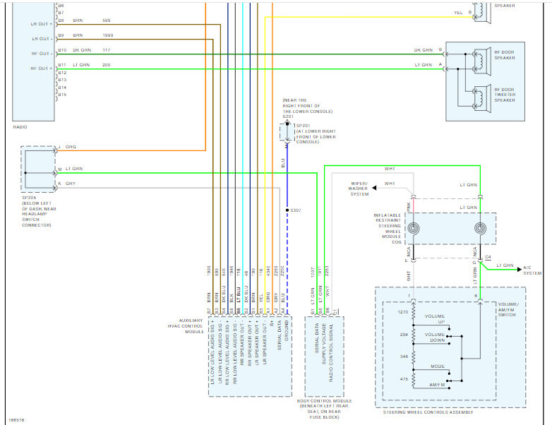
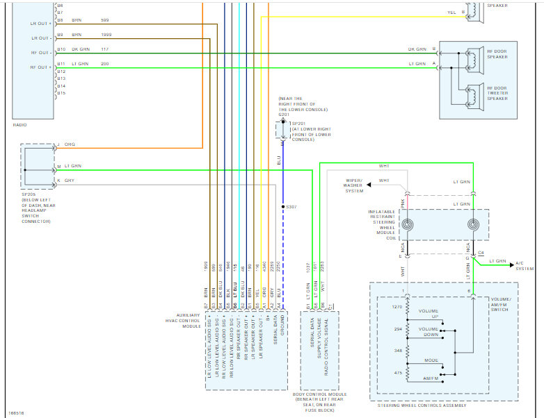
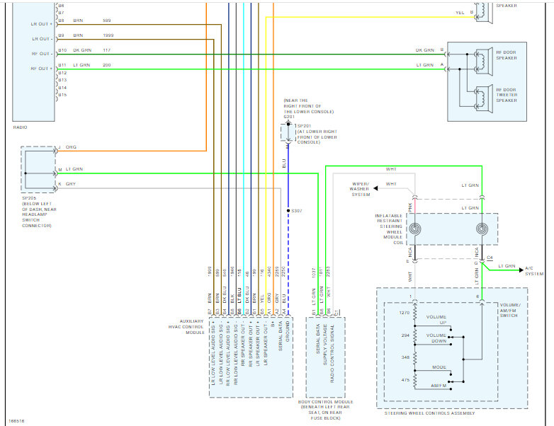
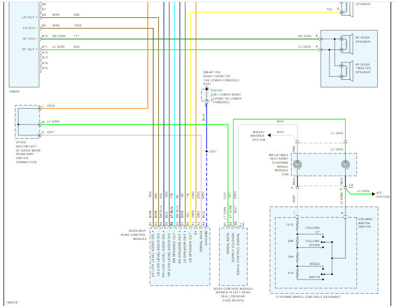
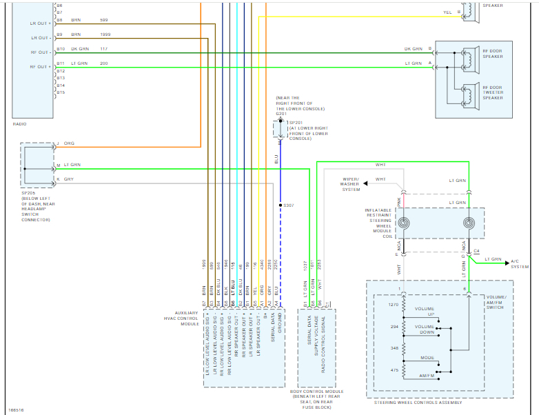
I am trying to put in a new head unit, but it has a Boss radio that has an amp I found out. I need a wiring diagram for that so that I can figure out how to wire it up.









