Radio AM band reception is bad

Tiny
KEN SILVA
  • MEMBER
  • 2015 JEEP CHEROKEE
  • 3.2L
  • 6 CYL
  • 4WD
  • AUTOMATIC
  • 40,000 MILES
I have terrible AM band reception. My FM and XM are perfect.
Friday, August 10th, 2018 AT 9:38 AM

1 Reply

Tiny
KEN L
  • MASTER CERTIFIED MECHANIC
  • 55,450 POSTS
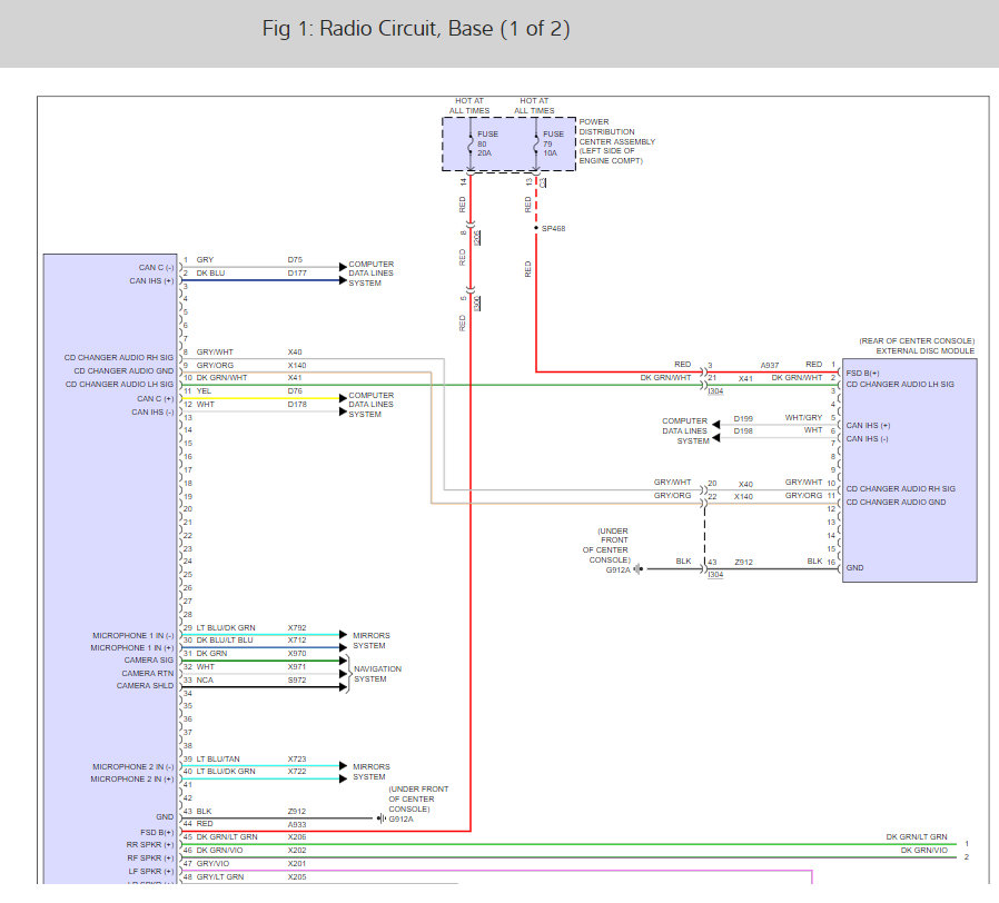
It sounds like you have a problem with the AM portion of the radio which with vary depending on which radio you have. Here are the radio wiring diagrams for both unit is case. Here is a guide to help you test the wiring to confirm the failure, check the black antenna wires:

https://www.2carpros.com/articles/how-to-check-wiring

Check out the diagrams (below). Let us know what happens and please upload pictures or videos of the problem.

Cheers, Ken
Was this
answer
helpful?
Yes
No
Saturday, August 11th, 2018 AT 2:10 PM

Please login or register to post a reply.