Saturday, March 26th, 2022 AT 8:18 PM
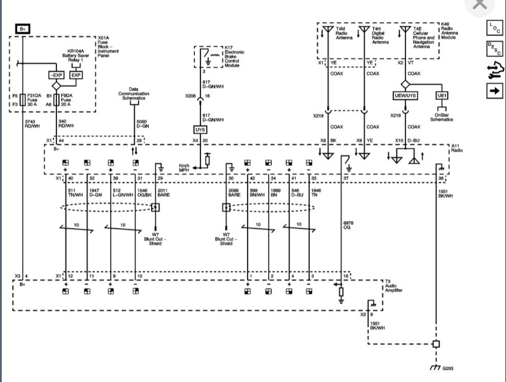
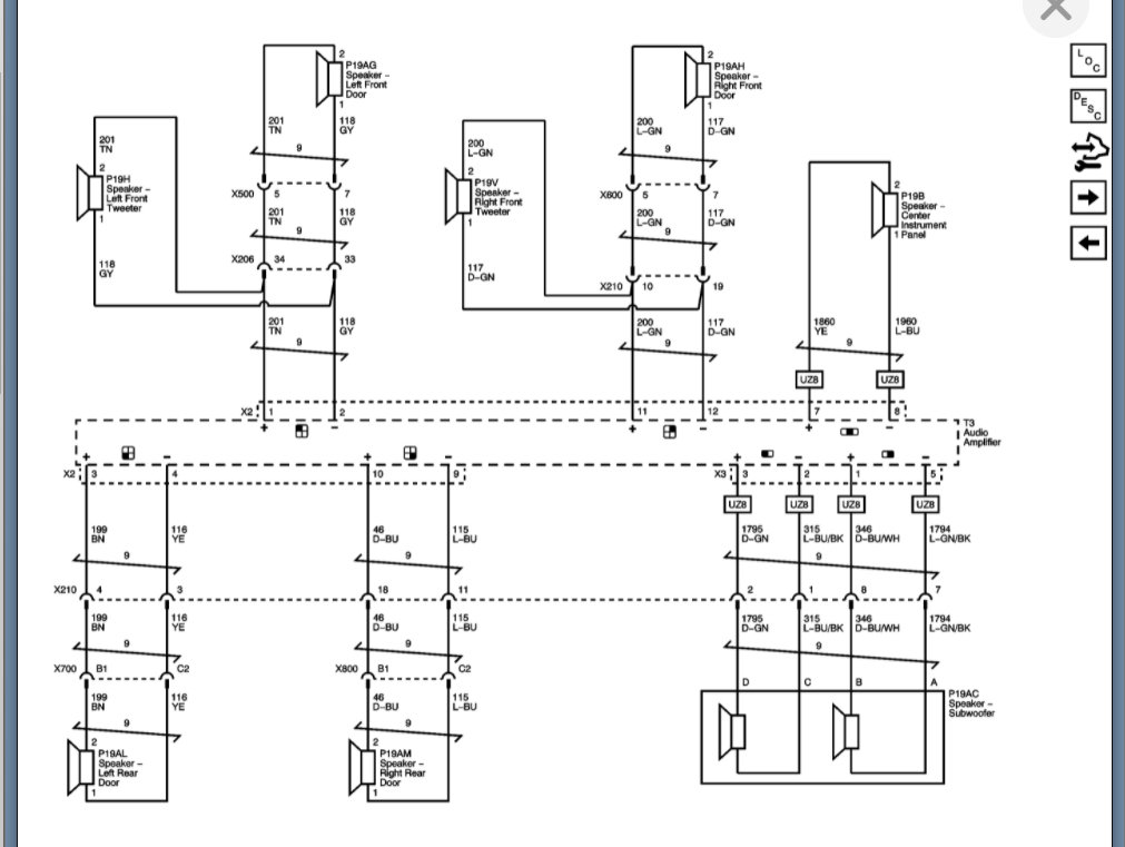
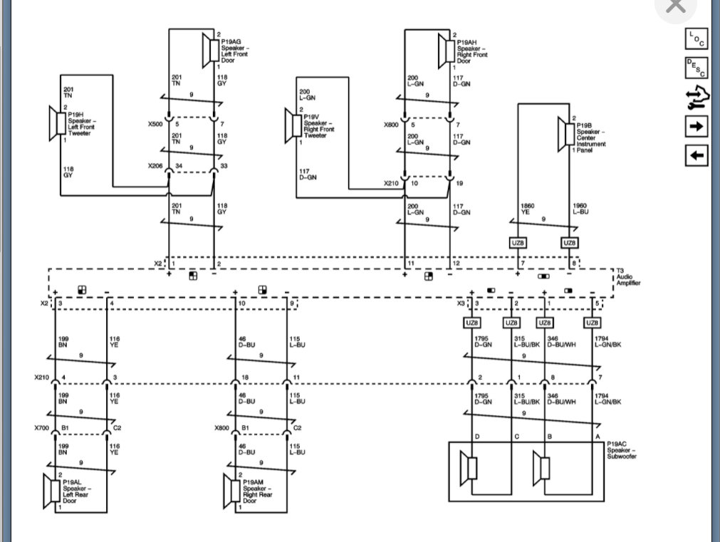
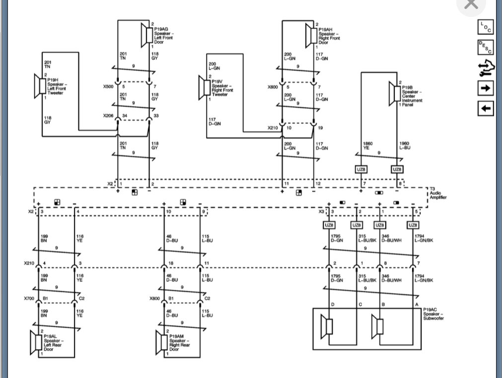
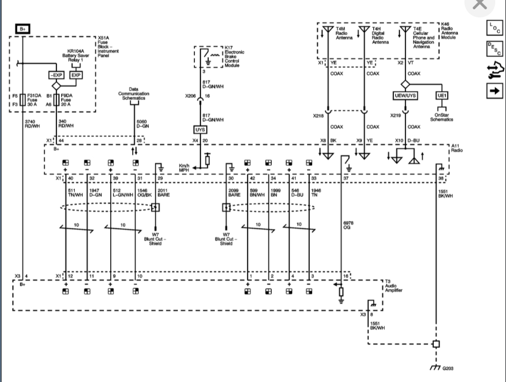
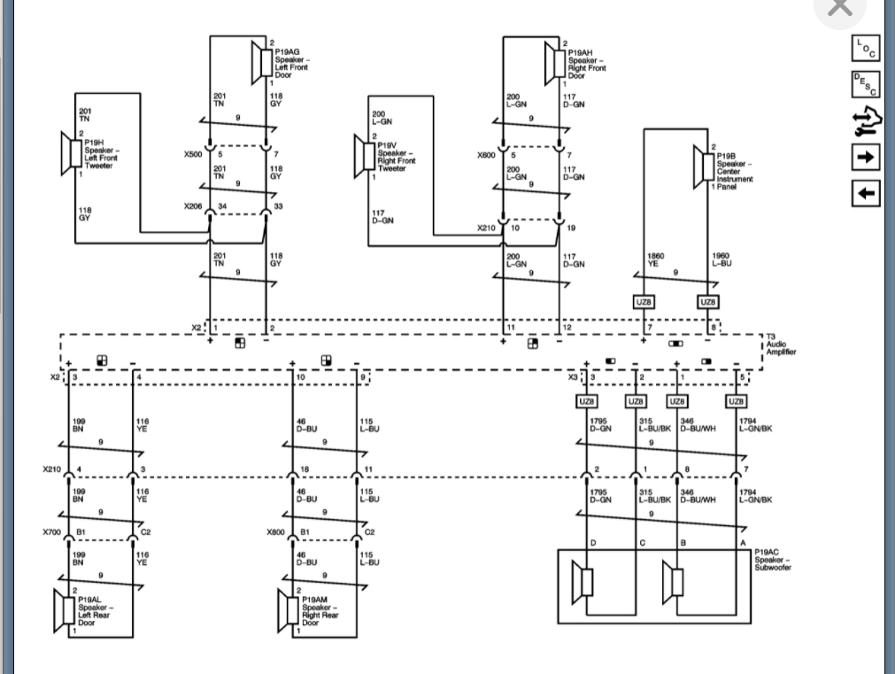
My factory radio hasn't worked for a while. It would at first turn off occasionally and now completely quit working. I figured since I don't have one anymore and none can seem to find the problem, I'd attempt to install an aftermarket because well it can't get much worse. I can't find the correct schematics or any diagram for my 2012 LT though. Anything to get me started would be greatly appreciated.



