Radio wiring diagram needed

2014 CHEVROLET TAHOE
79,458 MILES • 5.3L • V8 • 4WD • AUTOMATIC
Avatar
DCOE0
  • MEMBER
  • 2 POSTS
Need the wiring diagram of the connectors that plug into the head unit. It has navigation and Bose system. Thanks
Jul 22, 2021 at 7:56 PM
Advertisement
Avatar
DANNY L
  • CAR REPAIR CONTRIBUTOR
  • 5,648 POSTS
Hello, I'm Danny.

I'd be happy to help but I need a little more information from you. Can you tell me which audio system is factory equipment in your truck? I've attached the audio system options below on your Tahoe. Let us know and we'll be happy to provide you with the proper diagrams. Hope this helps and thanks for using 2CarPros.
Jul 22, 2021 at 11:21 PM
Advertisement
Avatar
DANNY L
  • CAR REPAIR CONTRIBUTOR
  • 5,648 POSTS
Hello again.

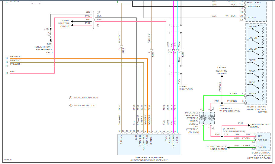
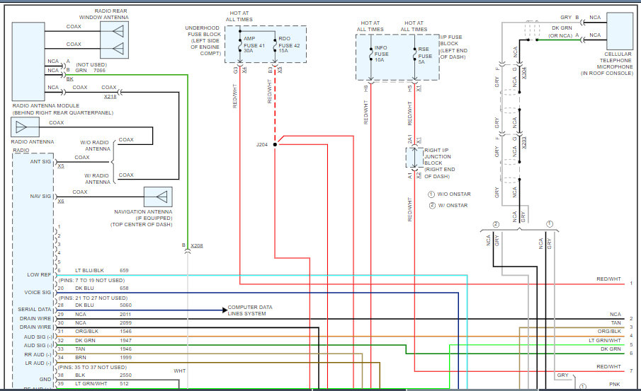
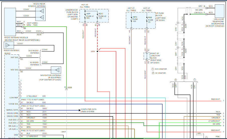
Here is the wiring diagram you requested. Here is a tutorial showing how to test wiring:

https://www.2carpros.com/articles/how-to-check-wiring

I've attached the wiring diagram below for your Tahoe. I've cut each picture into 3 pieces so you can view larger. Let us know if you have any further questions on this issue. Hope this helps and thanks again for using 2CarPros.

Danny-
Jul 25, 2021 at 2:51 PM
Repair Safety Notice: This information is for general instructional purposes only. Vehicle repair can be dangerous. Verify all information, follow manufacturer service procedures, use proper tools and safety equipment, and consult a qualified repair shop when needed.