Vehicle overheating

Tiny
325BIGTEX
  • MEMBER
  • 2004 GMC ENVOY
  • 2.1L
  • 4WD
  • AUTOMATIC
  • 175,788 MILES
I replaced the old cap with a new one but still overheating. I noticed that it has a small leak on top. What's the best seal solution for this problem?
Wednesday, February 3rd, 2021 AT 9:13 AM

1 Reply

Tiny
ASEMASTER6371
  • MECHANIC
  • 52,796 POSTS
Good afternoon,

Where is the leak coming from? I would pressure test the system first to determine the location.

https://www.2carpros.com/articles/engine-overheating-or-running-hot

https://www.2carpros.com/articles/radiator-pressure-test

It could be the thermostat causing the overheating. I would start there.

https://www.2carpros.com/articles/replace-thermostat

Roy

Thermostat Replacement (5.3L Engine)

Removal Procedure

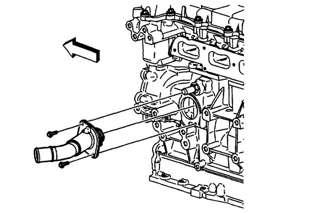
Important: The thermostat is not serviceable separately. The water pump inlet and thermostat must be replaced as an assembly.

imageOpen In New TabZoom/Print

1. Remove the radiator outlet hose.
2. Remove the water pump inlet bolts.
3. Remove the water pump inlet and thermostat from the water pump.
Was this
answer
helpful?
Yes
No
Wednesday, February 3rd, 2021 AT 1:04 PM

Please login or register to post a reply.