Radiator replacement

2002 CADILLAC DEVILLE
160,000 MILES • V8 • 2WD • AUTOMATIC
Avatar
MARKVELLUTATO
  • MEMBER
  • 43 POSTS
I just took my car to a Pepboys because i have a bad radiator leak and it's just down the street. I am disabled and i think they are taking advantage of me. They gave me an estimate of $1,900.00 for the radiator, hoses and coolant. They told me the labor was 10 hours at $148.00/hour. Are they scamming me and what can i do about it? I left the car but never signed an estimate agreeing to the price. Help! Thanks.
Nov 4, 2020 at 8:38 AM
Advertisement
Avatar
ASEMASTER6371
  • CAR REPAIR CONTRIBUTOR
  • 52,796 POSTS
Good afternoon,

The labor is 3.5 hours.

Add 1 hour for the hose replacement.

Add $20.00 for coolant.

https://www.2carpros.com/articles/coolant-flush-and-refill-all-cars

The hoses are $45.00.

The labor should be $450.00. Radiator and hoses are $475.00.

The fair price is around $900.00, not $1,900.00.

https://www.2carpros.com/articles/how-to-replace-a-car-radiator

Roy

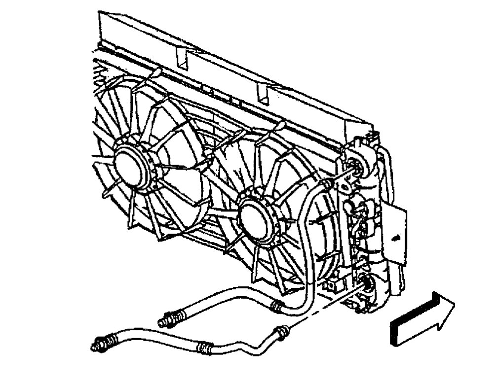
Radiator Replacement

Tools Required
J 37097-A Heater Hose Clamp Tool

Removal Procedure


imageOpen In New TabZoom/Print


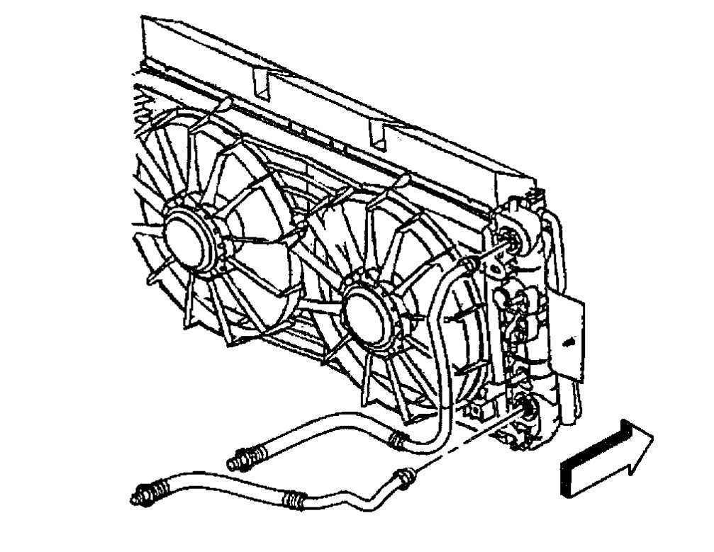
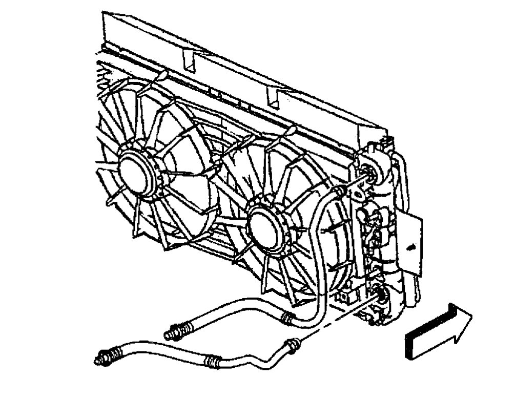
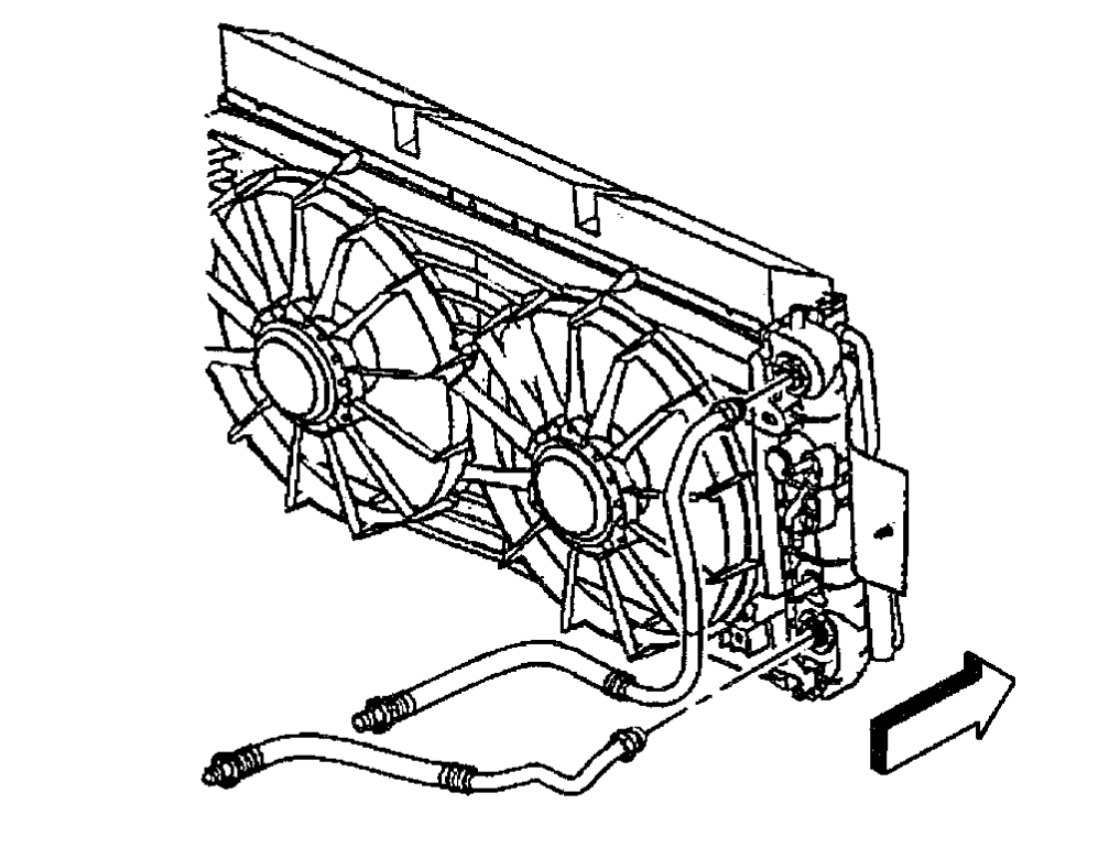
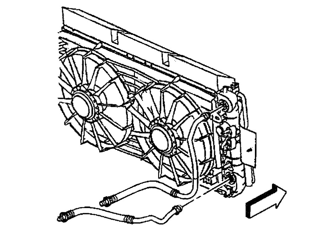
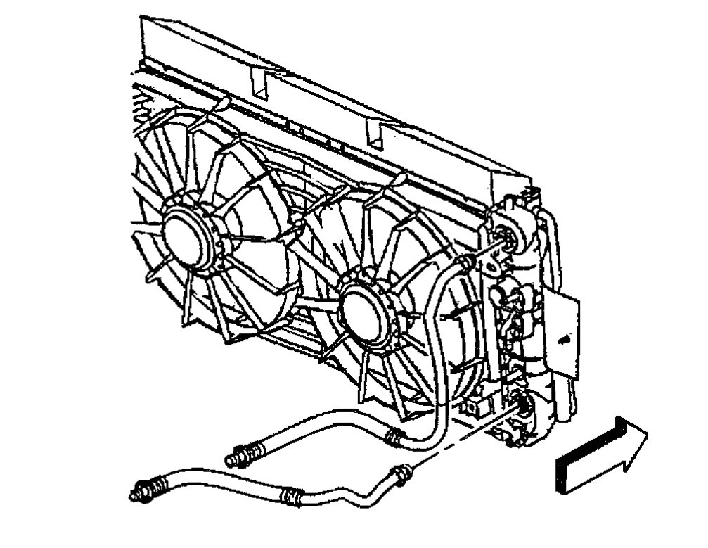
1. Remove the cooling fans.
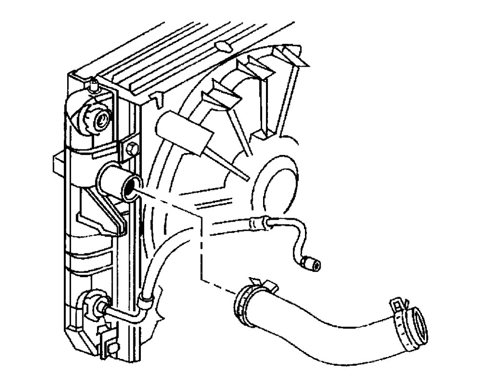
2. Position the J 37097-A to the clamp in order to remove the outlet radiator hose from the radiator.
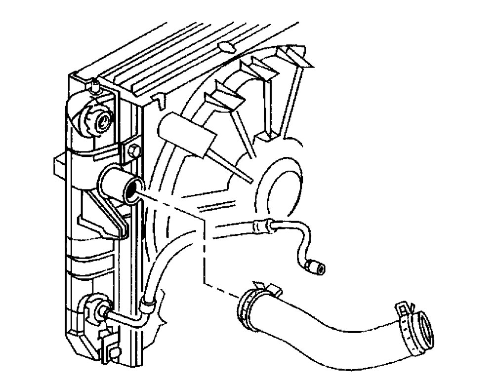
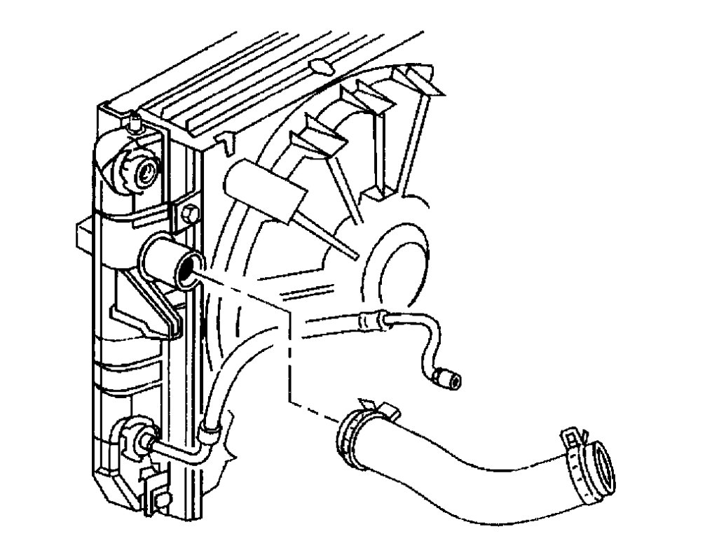
3. Disconnect the lower transaxle oil cooler line from the radiator.


imageOpen In New TabZoom/Print


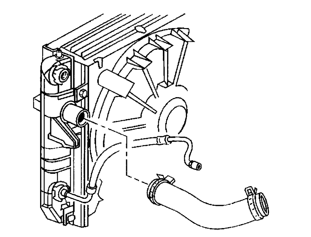
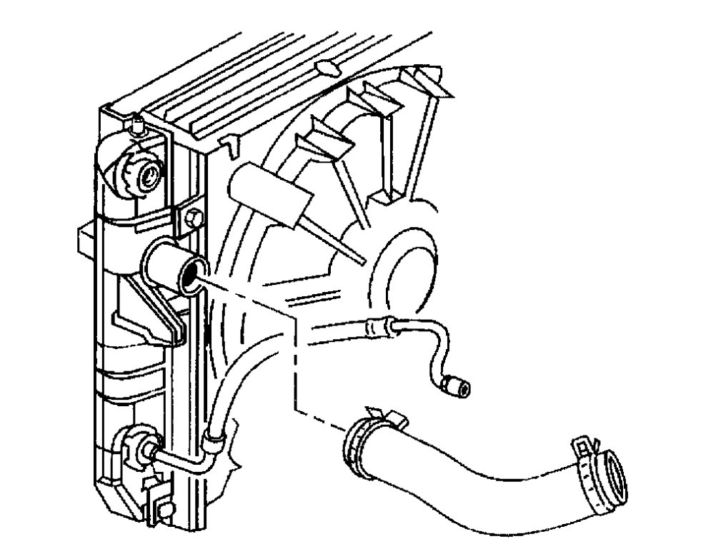
4. Disconnect the lower engine oil cooler line from the radiator.


imageOpen In New TabZoom/Print


5. Remove the 2 condenser mounting bolts.


imageOpen In New TabZoom/Print


Important: Care should be taken when removing the condenser not to damage the lower attachment points of both the radiator and condenser.

6. Lift the condenser upward slightly in order to release the lower feet from the lower mounting features located at the front of the radiator.
7. Lift the radiator up and out the vehicle.
Nov 4, 2020 at 11:46 AM
Advertisement
Avatar
KASEKENNY
  • CAR REPAIR CONTRIBUTOR
  • 18,907 POSTS
I am attaching the labor time and OEM part price. Clearly a business can charge whatever they want to do a job but this is a guide that is widely accepted. So it does sound like they are running up the cost for just a radiator. Clearly there could be a little extra for hoses and then the coolant cost but I would go get the vehicle and take it for a second opinion.

Let me know if you have other questions. Thanks
Nov 4, 2020 at 12:44 PM
Repair Safety Notice: This information is for general instructional purposes only. Vehicle repair can be dangerous. Verify all information, follow manufacturer service procedures, use proper tools and safety equipment, and consult a qualified repair shop when needed.