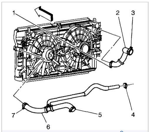
I removed the battery, and all plastic coverings that would prevent access. I have successfully drained all coolant out of the radiator (the petcock would not come out so I had to remove the hoses) then I removed the lines that went in to the radiator.
Next was the fans then radiator. My problem is that I am having difficulty getting my A/C condenser and radiator to get close enough to attach the bolts that go into the condenser that connects to the radiator a long with the plastic front cover.
Monday, April 30th, 2018 AT 6:17 PM






























