HOME
ASK A QUESTION
REPAIR GUIDES
BECOME A MEMBER
LOG IN
Login with Facebook
OR
Remember me
NOT A MEMBER?
FORGOT PASSWORD?
CONTACT US
PRIVACY POLICY
TERMS AND CONDITIONS
☰
Home
Pontiac
Grand Am
Engine Cooling
Radiator
Replace/Remove
Like to know I can replace the radiator?
CECILD1966
MEMBER
2004 PONTIAC GRAND AM
3.4L
6 CYL
FWD
AUTOMATIC
250,000 MILES
There is a coolant leak I would like to know I can replace the radiator?
Saturday, June 27th, 2015 AT 10:37 AM
1 Reply
DANNY L
MECHANIC
5,648 POSTS
Hello, I'm Danny.
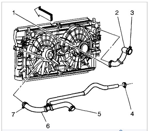
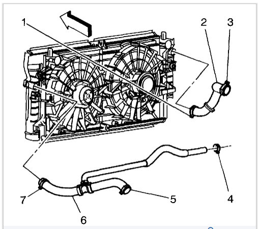
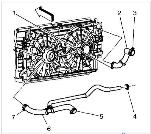
Here is the radiator replacement information you requested. Here is a tutorial showing how to replace a radiator:
https://www.2carpros.com/articles/how-to-replace-a-car-radiator
After the repair you will also have to recharge the A/C system since you had to disconnect the lines to replace the radiator. Here is a tutorial showing how to recharge the system:
https://www.2carpros.com/articles/re-charge-an-air-conditioner-system
I've attached picture steps below on how to remove and replace the radiator on your car. Hope this helps and thanks for using 2CarPros.
Images (Click to make bigger)
Was this
answer
helpful?
Yes
No
+1
Monday, March 1st, 2021 AT 9:46 PM
Please
login
or
register
to post a reply.
Related Radiator Replace/Remove Content
Radiator Removal
I Am Replacing My Radiator. How Do I Take The Fans Off The Radiator To Drop It From The Bottom? It Is Holding Up My Progress Of Getting It...
Asked by
Michael Logue
·
2 ANSWERS
1 IMAGE
2004
PONTIAC GRAND AM
VIDEO
Radiator Replacement Kia Sportage
Instructional repair video
GUIDE
Radiator Replacement
A radiator removes heat from the engine through thermal heat exchange using coolant as a conductor and is usually located in the front of the vehicle under the hood. A ...
1999 Pontiac Grand Am Radiator
I Was Changing The Bottom Radiator And The Fitting On The Radiator Broke Off! How Do I Fix This?
Asked by
Timothy Crowder
·
6 ANSWERS
1999
PONTIAC GRAND AM
I Got A Coolant Leak On The Radiator Tank
Hi I Got A 2002 Grand Am With A 3.4 L V6 With About 340,000kms And I Got A Coolant Leak On The Rad Tank. I Bought A New Radiator And Was...
Asked by
iroc-z85
·
1 ANSWER
1 IMAGE
2002
PONTIAC GRAND AM
I Have A 95 Grand Am Quad 4
. At Idle The Temp Goes Up. Fast To Almost Red Then Once Moving It Cools Down Within A Mile. Why. Cooling System Was Drained And Refilled I...
Asked by
james95ga
·
9 ANSWERS
1995
PONTIAC GRAND AM
1995 Pontiac Grand Am: Heater Or Radiator Coil Repair?
Engine Running While In Parking Lot, Heard "psshh" Sound Resulting In Large Watery/liquid Leak On Ground (smelled A Bit Like Burning Rubber...
Asked by
durkm
·
5 ANSWERS
1995
PONTIAC GRAND AM
VIEW MORE
Ask a Car Question. It's Free!
Radiator Replacement Kia Sportage
Upper and Lower Radiator Hose Replacement
Radiator Hoses and Thermostat Replacement