Radiator fluid leaking into engine

Tiny
DAC11360
  • MEMBER
  • 2003 CHEVROLET S-10
  • 4.3L
  • V6
  • 2WD
  • MANUAL
  • 140,000 MILES
Suspect cylinder head gasket. Oil dipstick has combination oil and radiator fluid approximately six inches above oil etchings indicating low/high levels on dipstick. Steam exiting dipstick holster. Oil cap has a white substance in center of cap. No white smoke exiting tail pipe. No evidence of fluid on pavement.
Have a seal replacement kit. Trying to find the correct torque settings for bolts when replacing cylinder head gasket on a V6 Vortec 4.3 liter engine.
Monday, February 22nd, 2021 AT 1:58 AM

2 Replies

Tiny
ASEMASTER6371
  • MECHANIC
  • 52,796 POSTS
Good morning,

Did you have the heads checked for warping?

If there was no smoke, good chance it was the intake manifold gaskets since the coolant was not being burned.

https://www.2carpros.com/articles/head-gasket-blown-test

I attached the torque specs for every bolt on the motor for you below.

Below are YouTube videos for the procedure.

https://www.youtube.com/watch?v=-olcacHCPpw

https://www.youtube.com/watch?v=u7PkleY0R68

https://www.youtube.com/watch?v=fj6zxzqmCOE

Roy

Was this
answer
helpful?
Yes
No
Monday, February 22nd, 2021 AT 3:10 AM
Tiny
ASEMASTER6371
  • MECHANIC
  • 52,796 POSTS
I attached the procedure for removing the heads from the truck for you below.

Let me know if you have any other questions.

Roy

Cylinder Head Replacement - Left

Tools Required
- J 36660-A Electronic Torque Angle Meter

Removal Procedure
1. Disconnect the negative battery cable.
2. Drain the cooling.
3. Remove the drive belt.

ImageOpen In New TabZoom/Print

4. Loosen the nut holding the power steering pump rear bracket to the side of the engine.
5. Remove the nut holding the power steering pump rear bracket to the front of the engine
6. Remove the three bolts and the nut holding the power steering pump mounting bracket to the engine.
7. With the power steering pump and the A/C compressor still attached, slide the power steering pump mount bracket off of the stud and set aside.

ImageOpen In New TabZoom/Print

8. Remove the power steering pump mounting bracket stud from the cylinder head.
9. Remove the lower intake manifold.
10. Remove the exhaust manifold.

ImageOpen In New TabZoom/Print

11. Remove the spark plug wire harness and the spark plug wire support.
12. Remove the valve pushrods.

ImageOpen In New TabZoom/Print

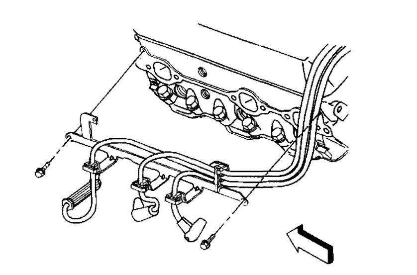
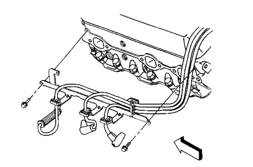
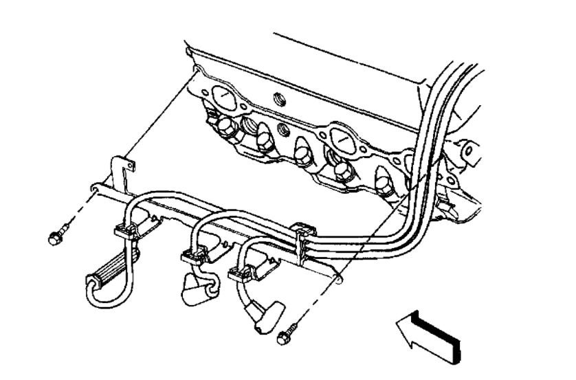
13. Remove the ground wire bolt and the ground wire from the rear of the cylinder head.
14. Secure the ground wire out of the way.
15. Remove the bolt holding the fuel pipe bracket to the rear of the cylinder head.

ImageOpen In New TabZoom/Print

16. Remove the engine coolant temperature sensor.
17. Remove the spark plugs.

ImageOpen In New TabZoom/Print

18. Remove the cylinder head bolts.
Was this
answer
helpful?
Yes
No
Thursday, March 4th, 2021 AT 12:37 PM

Please login or register to post a reply.