Radiator fans not turning on

Tiny
HEATHER32
  • MEMBER
  • 2004 MITSUBISHI ECLIPSE
  • 3.0L
  • V6
  • 2WD
  • AUTOMATIC
  • 156,000 MILES
I have the car listed above Spyder, and my fans are not turning on unless I turn the A/C on but, the gauge still goes up to the H. Replaced the radiator cap, thermostat, fan relay, fan fuse, coolant temperature sensor, water temperature sender, and the fans will still not turn on unless I turn on the A/C.
Monday, April 11th, 2022 AT 2:54 PM

1 Reply

Tiny
KASEKENNY
  • MECHANIC
  • 18,907 POSTS
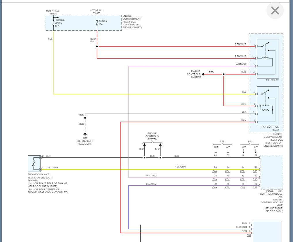
Unfortunately, this is a pretty common issue on these type of vehicles and it is normally a PCM/fan control module. In other words, it is a control side issue.

Basically, what happens is when you are turning the AC, you are getting the PCM to default the fans on just to ensure the engine doesn't overheat.

However, when they don't turn on otherwise, the PCM normally is not grounding the relays to turn the radiator fan on. There AC side of the system is a separate circuit in the PCM so let's start with checking the power at the relay when the engine is warming up and see if the PCM is grounding the MFI relay.

When the MFI relay is grounded, the fan control relay is powered and then the fan controller is responsible for grounding this relay.

https://www.2carpros.com/articles/how-to-check-an-electrical-relay-and-wiring-control-circuit

So, this means we need to check both relays and find out what we are getting from the controlled side of them and if we are not getting this signal then we will know what the issue is.

I attached the wiring diagram so please run through this and let me know what questions you have on this, and we can go from there.

Thanks
Was this
answer
helpful?
Yes
No
Tuesday, April 12th, 2022 AT 7:03 PM

Please login or register to post a reply.