Radiator fans not working when A/C is turned on?

Tiny
SADIE MARIE
  • MEMBER
  • 2002 VOLKSWAGEN BEETLE
  • 1.8L
  • 135,000 MILES
Radiator fans don't work but blow when you turn A/C on.
Sunday, April 18th, 2021 AT 5:58 PM

1 Reply

Tiny
KASEKENNY
  • MECHANIC
  • 18,907 POSTS
The reason they come on when the A/C is on is that the control module commands them on to blow air over the condenser. This is a different circuit so that just confirms that the fans work and that this is a circuit issue.

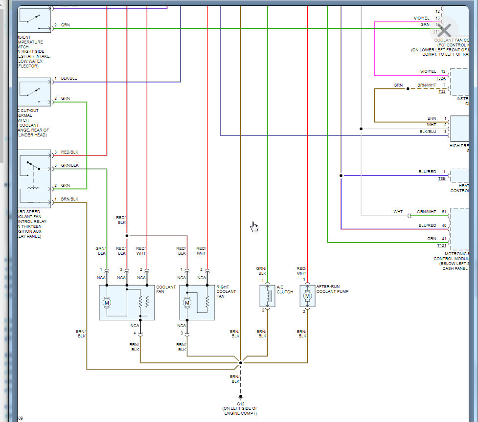
What I would do is refer to the wiring diagram below and check voltage from the ECM and coolant fan control switch to the coolant module.

https://www.2carpros.com/articles/how-to-check-wiring

So just go to the module and let the car warm up and then check the voltage on these wires and that will give us a good idea as to what is happening.

I suspect the ECM is the issue but we need to make sure the coolant module is getting the proper voltage from it or we will just be guessing. Thanks
Was this
answer
helpful?
Yes
No
Sunday, April 18th, 2021 AT 7:19 PM

Please login or register to post a reply.