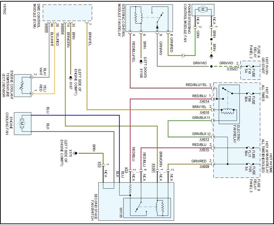
The radiator fan does not seem to be spinning and I think it should be as long as the engine is running, is that correct?
The engine management light hasn't come on and it hasn't overheated yet but I'm a bit concerned about driving the car if the fan isn't working.
Is this easy for someone to diagnose and would it be an expensive fix?
Thanks.
The engine management light hasn't come on and it hasn't overheated yet but I'm a bit concerned about driving the car if the fan isn't working.
Is this easy for someone to diagnose and would it be an expensive fix?
Thanks.
Apr 19, 2019 at 6:00 AM




