Radiator fan not working?

Tiny
BLESSING EWOBOR
  • MEMBER
  • 2005 TOYOTA CAMRY
  • 4 CYL
  • 2WD
  • AUTOMATIC
  • 234,178 MILES
Good morning, the vehicle radiator fan stop functioning. I have tested the fan it is okay, I thought the problem was the thermostat initially, I have replaced it but there's no effect. I have tested the fuse and relay, they are okay.
What could be the fault?
Please help me with the complete circuit diagram or wire diagram.
Monday, September 28th, 2020 AT 6:49 PM

31 Replies

Tiny
JACOBANDNICKOLAS
  • MECHANIC
  • 110,192 POSTS
Hi,

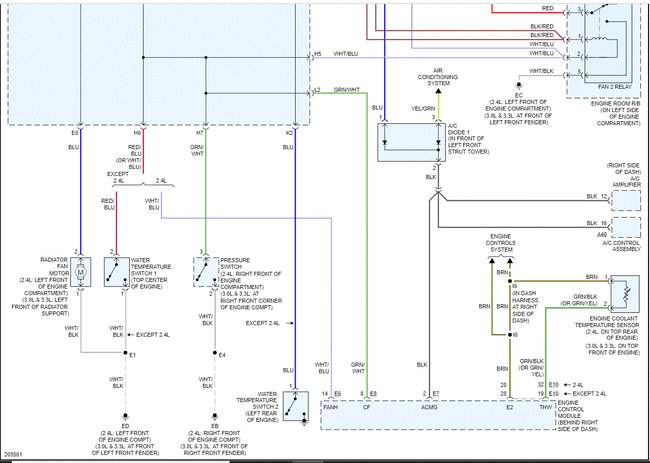
There are three different fan relays. I attached the schematic you requested. Take a look through it and let me know if you have questions. Note: I had to cut the pic in half to make it readable. I did, however, overlap it so you can easily follow it.

Take care,
Joe
Was this
answer
helpful?
Yes
No
+1
Monday, September 28th, 2020 AT 7:00 PM
Tiny
BLESSING EWOBOR
  • MEMBER
  • 754 POSTS
Thank you very much.
Was this
answer
helpful?
Yes
No
Monday, September 28th, 2020 AT 7:10 PM
Tiny
BANDIANDLAYTON1
  • MEMBER
  • 1 POST
  • 2002 TOYOTA CAMRY
  • 190,000 MILES
My husband was changing my oil and filter yesterday and noticed my left side fan on my radiator not working or coming on at all. I immediately called and ordered a fan motor for that side and done some research waiting on the part to come in. Neither my husband or I have checked the relay, that I just read and realized even had a relay for the fan motor, the fuse, or hooked up any wires to see if the fan is getting power or not before we start out changing the fan motor itself. I'm just needing to know exactly what steps need to be taken first to ensure we are changing the correct item and doing it as guidelines suggest. I greatly appreciate your help.
Look forward to hearing from someone soon.
Was this
answer
helpful?
Yes
No
-1
Monday, January 25th, 2021 AT 12:39 PM (Merged)
Tiny
KHLOW2008
  • MECHANIC
  • 41,814 POSTS
When fan is supposed to work, use something to knock lightly at the motor and if it starts working, that would mean it is failing and should be repaired.

If you have a test light or DVOM, disconnect the fan wire connector and test for battery voltage at one of the terminals of the wireharness.

You can apply battery voltage to one terminal of the fan motor and ground the other terminal. If the fan works, it is not a motor fault.
Was this
answer
helpful?
Yes
No
Monday, January 25th, 2021 AT 12:39 PM (Merged)
Tiny
ALEXFBI77
  • MEMBER
  • 7 POSTS
It was the cooling fan motor was bad again
Was this
answer
helpful?
Yes
No
+1
Monday, January 25th, 2021 AT 12:39 PM (Merged)
Tiny
KHLOW2008
  • MECHANIC
  • 41,814 POSTS
Nice work
Was this
answer
helpful?
Yes
No
Monday, January 25th, 2021 AT 12:39 PM (Merged)
Tiny
OVO70
  • MEMBER
  • 4 POSTS
  • 2000 TOYOTA CAMRY
  • AUTOMATIC
  • 174,000 MILES
Cooling fan not working but both fans run when A/C is on
Was this
answer
helpful?
Yes
No
+1
Monday, January 25th, 2021 AT 12:39 PM (Merged)
Tiny
SATURNTECH9
  • MECHANIC
  • 30,869 POSTS
Have you checked the coolant temp sensor yet?
Was this
answer
helpful?
Yes
No
+3
Monday, January 25th, 2021 AT 12:39 PM (Merged)
Tiny
OVO70
  • MEMBER
  • 4 POSTS
Not sure which one is temperature sensor and should it be open or closed circuit when cold?
Thanks
Was this
answer
helpful?
Yes
No
Monday, January 25th, 2021 AT 12:39 PM (Merged)
Tiny
SATURNTECH9
  • MECHANIC
  • 30,869 POSTS
Some are like that but most read the temperature back to the computer and the computer turns the fan on. So they change resistance based on temperature and that tells the computer what temperature the engine is. What size engine do you have?
Was this
answer
helpful?
Yes
No
-1
Monday, January 25th, 2021 AT 12:39 PM (Merged)
Tiny
OVO70
  • MEMBER
  • 4 POSTS
It was a faulty relay. Thanks for your help.
Was this
answer
helpful?
Yes
No
Monday, January 25th, 2021 AT 12:39 PM (Merged)
Tiny
SATURNTECH9
  • MECHANIC
  • 30,869 POSTS
That's crazy it was the relay when both fans run with the a.C. On it uses the same relay.
Was this
answer
helpful?
Yes
No
Monday, January 25th, 2021 AT 12:39 PM (Merged)
Tiny
THEOLDMAN
  • MEMBER
  • 2 POSTS
  • 2000 TOYOTA CAMRY
  • 2.2L
  • 4 CYL
  • 2WD
  • AUTOMATIC
  • 180,000 MILES
Changed the thermostat and radiator when this problem surfaced. Car still overheats and fans do not come on when temp goes above normal
Was this
answer
helpful?
Yes
No
Monday, January 25th, 2021 AT 12:39 PM (Merged)
Tiny
HMAC300
  • MECHANIC
  • 48,601 POSTS
Check your coolant temp sensor may be bad then check fuse and relays under hood. See pics
Was this
answer
helpful?
Yes
No
+2
Monday, January 25th, 2021 AT 12:39 PM (Merged)
Tiny
OVO70
  • MEMBER
  • 4 POSTS
Replaced relay everything ok now
Was this
answer
helpful?
Yes
No
Monday, January 25th, 2021 AT 12:39 PM (Merged)
Tiny
SATURNTECH9
  • MECHANIC
  • 30,869 POSTS
Does not make sense but glad you got it fixed.
Was this
answer
helpful?
Yes
No
Monday, January 25th, 2021 AT 12:39 PM (Merged)
Tiny
DONEDEAL10
  • MEMBER
  • 1 POST
  • 2000 TOYOTA CAMRY
  • 4 CYL
  • 2WD
  • AUTOMATIC
  • 140,000 MILES
My radiator fan quit working what do I do?
Was this
answer
helpful?
Yes
No
+1
Monday, January 25th, 2021 AT 12:39 PM (Merged)
Tiny
RASMATAZ
  • MECHANIC
  • 75,992 POSTS
Power the fan motor direct from the battery and see what happens.
Was this
answer
helpful?
Yes
No
-2
Monday, January 25th, 2021 AT 12:39 PM (Merged)
Tiny
THEOLDMAN
  • MEMBER
  • 2 POSTS
Fans work when connected direct to the batt
Was this
answer
helpful?
Yes
No
+3
Monday, January 25th, 2021 AT 12:39 PM (Merged)
Tiny
KEN L
  • MASTER CERTIFIED MECHANIC
  • 55,097 POSTS
Okay, than it is probably the relay, here is a wiring diagram and guide to help you test the system to figure out what is wrong.

https://www.2carpros.com/articles/how-to-check-an-electrical-relay-and-wiring-control-circuit

and

https://www.2carpros.com/articles/how-to-use-a-test-light-circuit-tester

Please run some tests and get back to us so we can continue helping you.

Best, Ken
Was this
answer
helpful?
Yes
No
+2
Monday, January 25th, 2021 AT 12:39 PM (Merged)

Please login or register to post a reply.