Radiator fan always runs after initial warmup

1999 HYUNDAI ELANTRA
89,000 MILES • 2.0L • 4 CYL • 2WD • AUTOMATIC
Avatar
B.W.
  • MEMBER
  • 2 POSTS
Replaced radiator, thermostat and housing and bypass hose. Filled with water to confirm no leaks. Once up to operating temperature the radiator fan kicks on and stays on. The lower radiator hose (from thermostat) is cooler than the upper hose.
20 minutes idle followed by 3-mile drive, temperature gauge normal (just below 1/2) heater blows hot.

Would go ahead and drain and refill with coolant but that fan, once on never shuts off.
Apr 14, 2022 at 7:43 AM
Repair Safety Notice: This information is for general instructional purposes only. Vehicle repair can be dangerous. Verify all information, follow manufacturer service procedures, use proper tools and safety equipment, and consult a qualified repair shop when needed.
Advertisement
Avatar
JACOBANDNICKOLAS
  • CAR REPAIR CONTRIBUTOR
  • 110,190 POSTS
Hi,

There are two fans, one is a cooling fan, and the other is a condenser fan which runs at all times with the A/C on. By chance, is that the one staying on? If it isn't, you may have a faulty fan relay. I

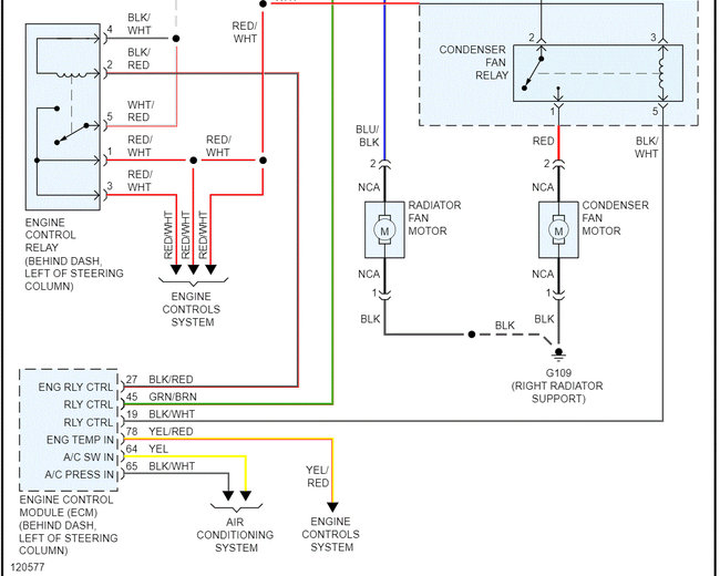
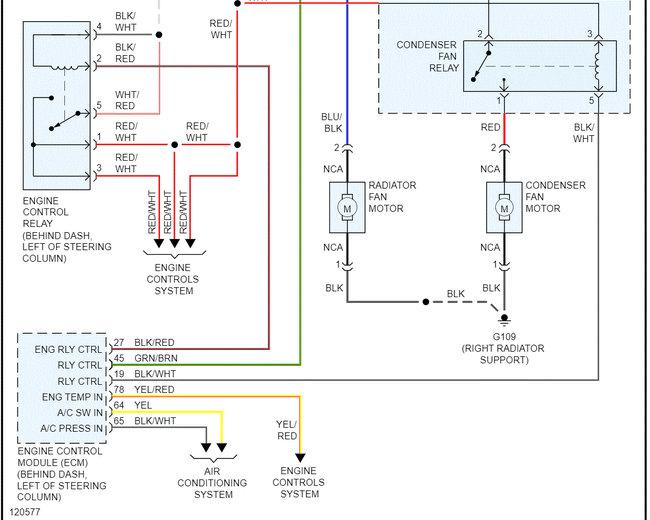
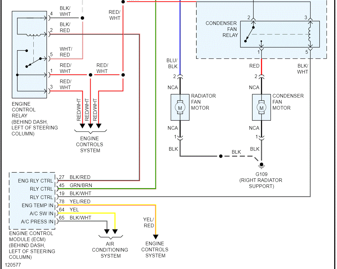
If you look below, I provided the wiring schematic for the cooling fan circuit. I highlighted the relay we need to check. If you look at pic 3, it shows the relay in the box. That is the under-hood fuse/relay box.

If there is another relay with the same part number, switch them. If there isn't, here is a link that explains how to test a relay:

https://www.2carpros.com/articles/how-to-check-an-electrical-relay-and-wiring-control-circuit

Let me know what you find.

Take care,

Joe

See pics below. Note: I had to cut the schematic in half to make it readable for you. I did overlap them so you can follow from one to the next.
Apr 14, 2022 at 8:15 PM
Advertisement
Avatar
B.W.
  • MEMBER
  • 2 POSTS
Hey Joe,

Thanks for the reply. Not the condenser fan. That cooling fan relay looks like a normally open contact powered close to power the fan. If it failed wouldn't it never come on? Fan operated fine 4 days ago...
Full disclosure, since these repairs I just completed yesterday 4/13, I have idled it in the driveway and put a total of 3 miles on the car with an air temp. of 82 in L.A. I am going to have to drive it 25 miles tomorrow.

I may have been a bit hasty on this thing...as the new thermostat had yet to open and I was focused on that. Stat definitely opened this A.M. but 2 days of car repairing has left me seriously behind on work and I did nothing today but run it at idle till it opened.

Most likely tomorrow that fan shuts down normally when driven (gonna be 68 tomorrow)
if not I'll be back for further advice.

Thanks for the help

B.W.
Apr 14, 2022 at 9:13 PM
Avatar
JACOBANDNICKOLAS
  • CAR REPAIR CONTRIBUTOR
  • 110,190 POSTS
Hi,

I was thinking the relay could be sticking or hanging up in some way. However, if that wasn't the issue prior to the repairs, chances are it will be fine for you tomorrow.

Let me know how things turn out for you. I hope it works normally.

Take care,

Joe
Apr 14, 2022 at 9:28 PM