Radiator fan does not turn on

2006 FORD FUSION
195,000 MILES • 0.5L • 4 CYL • 2WD • AUTOMATIC
Avatar
CHARLES GODWIN JR.
  • MEMBER
  • 9 POSTS
Radiator fan will not come on. An cannot find the relay switches.
Sep 11, 2018 at 12:20 PM
Advertisement
Avatar
STEVE W.
  • CAR REPAIR CONTRIBUTOR
  • 15,148 POSTS
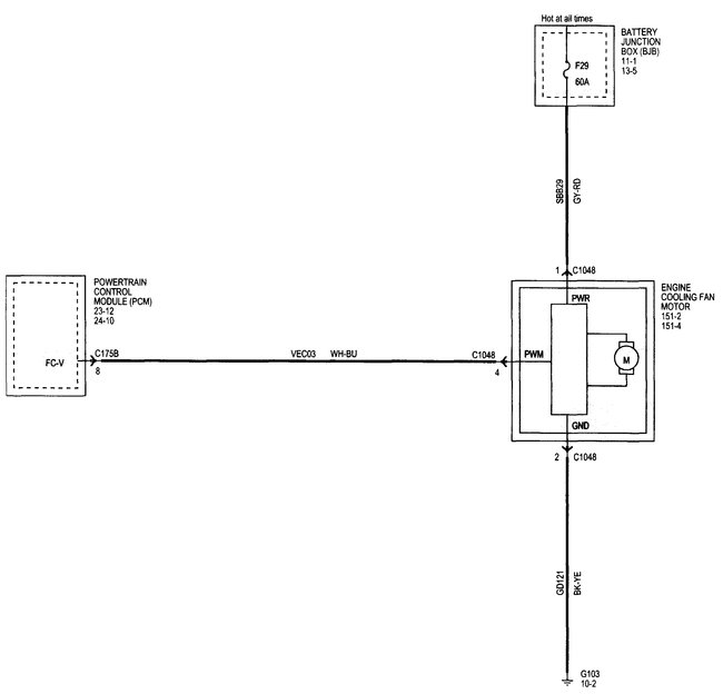
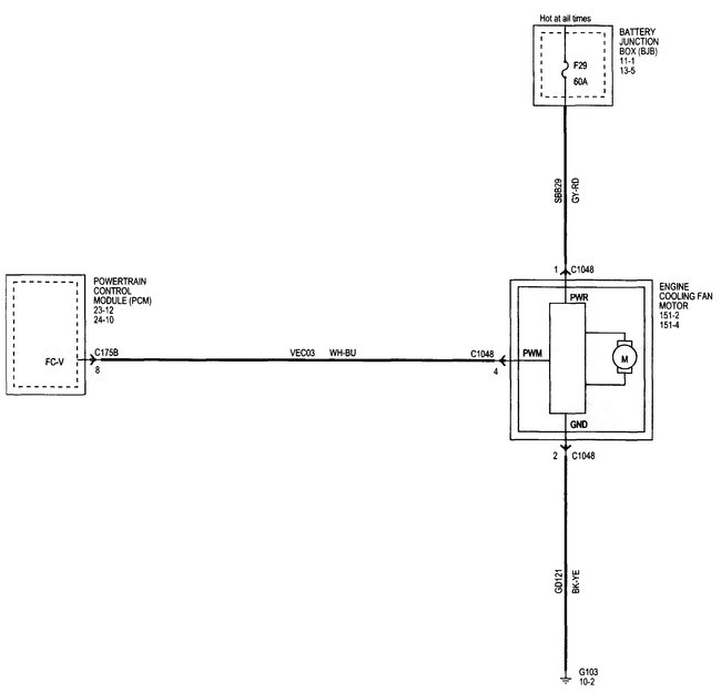
There are no relays for the fan on the Fusion, the activation is all controlled by the PCM. It gets signals from the coolant temperature sensor and activates the fans based on that data. If you unplug the coolant temperature sensor it should tell the PCM to activate the ground to turn the fan on. It is item C1064 in the image. If you do not also have a check engine light or a temperature warning light the sensor is likely not the problem, it is more likely the fuse or the fan module itself. Fuse 29 supplies the fans power. At the fan itself you will have three wires, The gray with red stripe is the power feed, it should have battery voltage full time, the black wire with yellow stripe is the ground. The white wire with blue stripe is the pulse wave modulated signal from the PCM. To see if it is sending a signal to activate the fan you can use a test light attached to battery positive, Unplug the fan connector and the ECT sensor, touch the probe on the test light to the pin for the control wire, it should pulse rapidly or stay on if the PCM is sending the ground signal to the fan module. If it does and you have a good power and ground then the fan itself is the failed item (common failure).
Sep 14, 2018 at 7:26 PM
Advertisement
Repair Safety Notice: This information is for general instructional purposes only. Vehicle repair can be dangerous. Verify all information, follow manufacturer service procedures, use proper tools and safety equipment, and consult a qualified repair shop when needed.