Radiator Cooling fan not functioning?

Tiny
BLESSING EWOBOR
  • MEMBER
  • 2007 KIA MAGENTIS
  • 4 CYL
  • 2WD
  • AUTOMATIC
  • 134,654 MILES
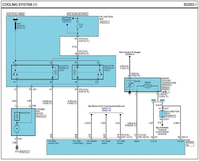
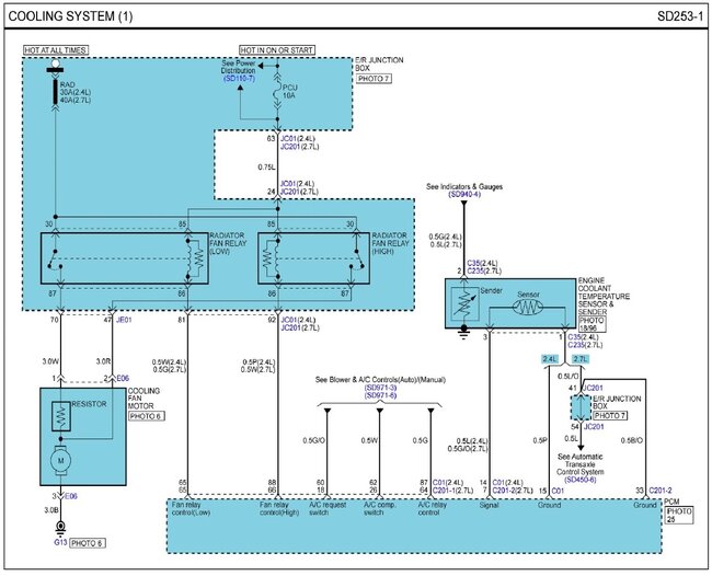
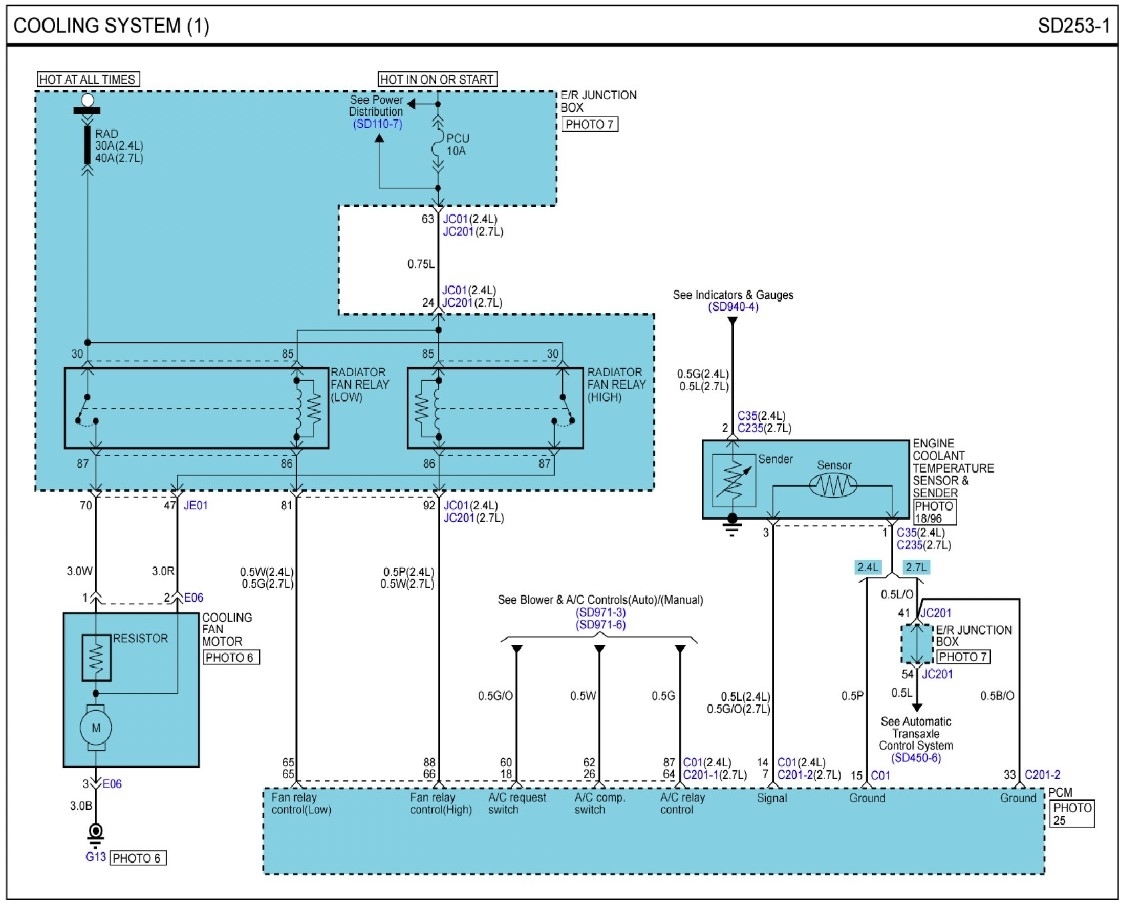
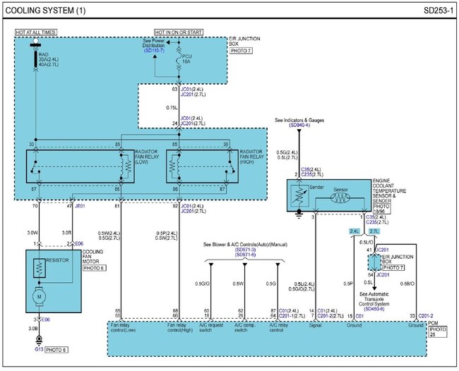
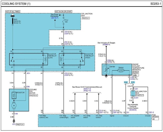
The cooling fan of the vehicle is not functioning. Could I have the wire diagram of the cooling system?
Thursday, April 10th, 2025 AT 9:09 PM

7 Replies

Tiny
STEVE W.
  • MECHANIC
  • 15,613 POSTS
Looks like the typical Kia system. High and low relay controlled by the PCM. Low turns on a 202F high at 220F. Quick test, unplug the coolant sensor, fan should come on.
Was this
answer
helpful?
Yes
No
Thursday, April 10th, 2025 AT 11:49 PM
Tiny
BLESSING EWOBOR
  • MEMBER
  • 754 POSTS
Thank you very much.

There is voltage at the fuse (10A) but there is no voltage at the control circuit of the relays (terminal 85 of the relay).
Was this
answer
helpful?
Yes
No
Sunday, April 13th, 2025 AT 4:45 AM
Tiny
STEVE W.
  • MECHANIC
  • 15,613 POSTS
Sounds like the transfer wire under the box has a problem. Kia didn't run an internal power feed, instead it comes out of the fuse through terminal 63 and through a jumper wire and back into the box at terminal 24 to feed the relays. Probably corrosion or rodent damage to the connector harness under the fuse-relay box.
Was this
answer
helpful?
Yes
No
Sunday, April 13th, 2025 AT 1:58 PM
Tiny
BLESSING EWOBOR
  • MEMBER
  • 754 POSTS
Thank you sir,
I think replacing the relay box could solve the problem.
Was this
answer
helpful?
Yes
No
Sunday, April 13th, 2025 AT 4:19 PM
Tiny
STEVE W.
  • MECHANIC
  • 15,613 POSTS
Probably not, it could be a bad connection at the large contact cluster but I suspect the problem is actually in the connector block that the relay box plugs into that I circled in red. There is a short wire under it that connects the relays to power, from the description that is the failure item, not the box itself. I would disconnect the battery, pull the box out then inspect the connectors, it's possible it's just corroded, a simple continuity test would tell you if it's the wire or something else, if not unbolt that large connection assembly and flip it over, then look for the lavender wire between 63 and 24. Is it intact? There is a lot of wiring stuffed under there, very easy for it to chafe through or be a snack.
Was this
answer
helpful?
Yes
No
Monday, April 14th, 2025 AT 10:35 AM
Tiny
BLESSING EWOBOR
  • MEMBER
  • 754 POSTS
Thank you, sir.
Was this
answer
helpful?
Yes
No
Monday, April 14th, 2025 AT 6:44 PM
Tiny
STEVE W.
  • MECHANIC
  • 15,613 POSTS
You're welcome.
Was this
answer
helpful?
Yes
No
Monday, April 14th, 2025 AT 10:22 PM

Please login or register to post a reply.