Radiator cooling fan continues to run

Tiny
SKYLES3
  • MEMBER
  • 1996 FORD MUSTANG
  • 4.6L
  • V8
  • 2WD
  • MANUAL
  • 55,000 MILES
Cooling fan runs constantly. Fan comes on as soon as the car is started.
Thursday, March 12th, 2020 AT 12:22 PM

2 Replies

Tiny
KASEKENNY
  • MECHANIC
  • 18,907 POSTS
This is a couple possible things. First the ECT temperature is reading incorrectly. Do you have a scan tool to look for codes? If no codes then we need to test the ECT. The easiest way is to do this is use a scan tool to monitor the input to the PCM.

However, we need to check relays for them being stuck. I would just swap them with another relay to see if they shut off. You can do this with the engine running just to see if the come back on immediately.

Let me know what you find with this and we can go from there. Thanks
Was this
answer
helpful?
Yes
No
Thursday, March 12th, 2020 AT 4:25 PM
Tiny
KEN L
  • MASTER CERTIFIED MECHANIC
  • 55,506 POSTS
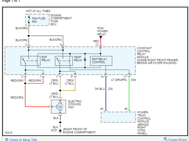
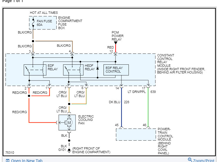
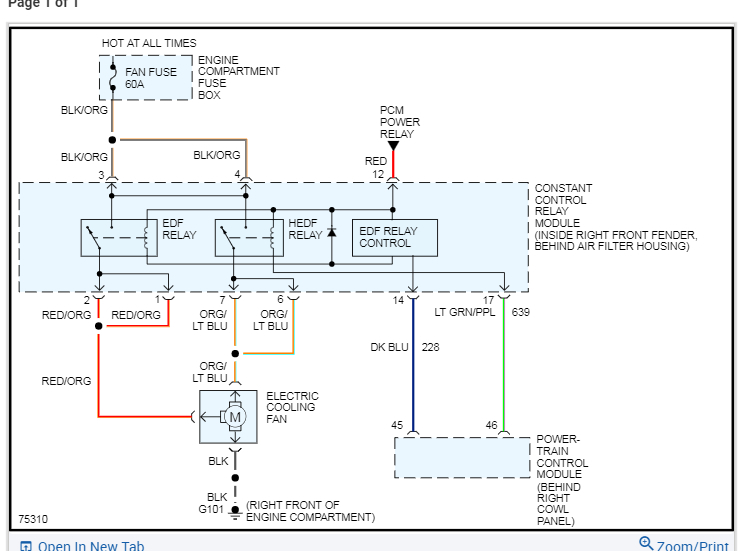
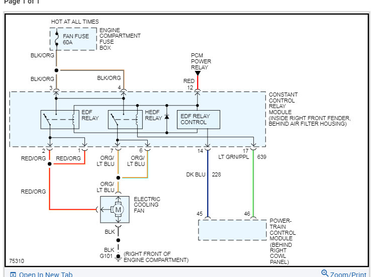
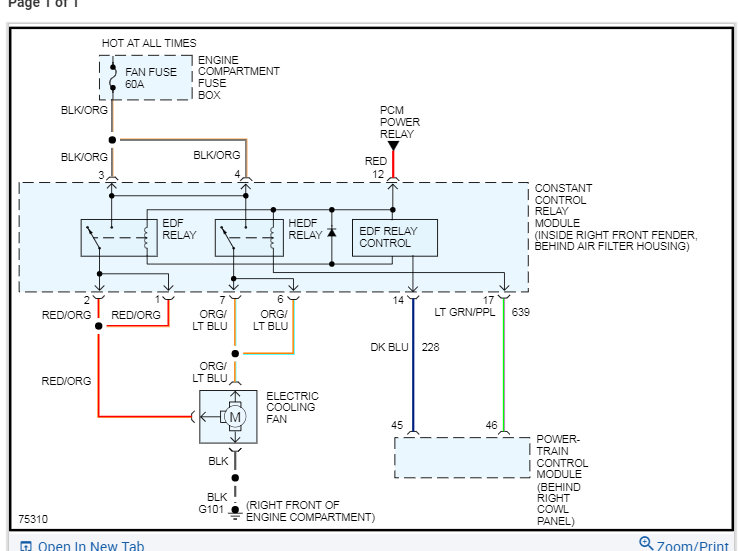
Here is a guide on how to test the constant control relay and the location as well in the diagrams below. (the constant control relay is the cooling fan relay)

https://www.2carpros.com/articles/how-to-check-an-electrical-relay-and-wiring-control-circuit

Check out the diagrams (below). Please let us know what happens.
Was this
answer
helpful?
Yes
No
Thursday, March 12th, 2020 AT 7:11 PM

Please login or register to post a reply.