Radiator and radiator fan replacement instructions needed

Tiny
05ACURATL
  • MEMBER
  • 2006 ACURA RL
  • 6 CYL
  • AUTOMATIC
  • 250,000 MILES
Need instructions for radiator and radiator fan replacement for the above mentioned car.
Monday, April 5th, 2021 AT 1:09 AM

3 Replies

Tiny
ASEMASTER6371
  • MECHANIC
  • 52,796 POSTS
Good morning,

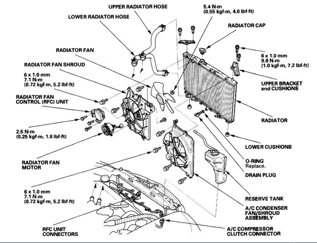
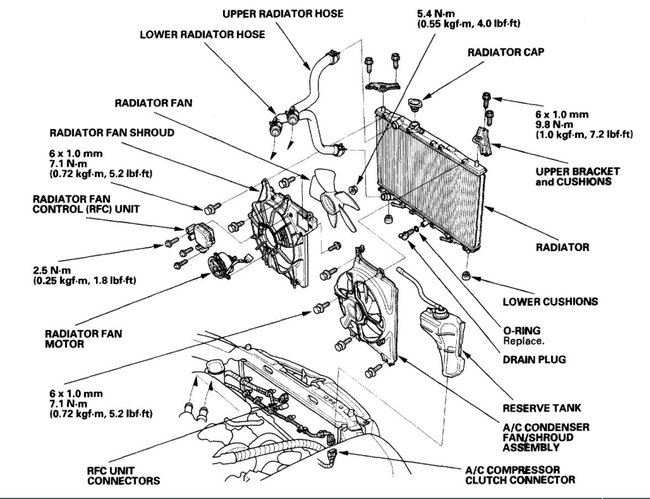
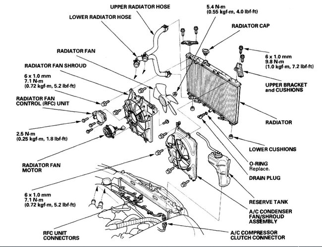
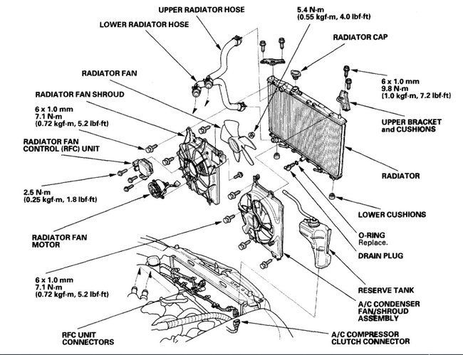
I attached the procedure and a picture below for you of the repair.

https://www.2carpros.com/articles/how-to-replace-a-car-radiator

https://www.2carpros.com/articles/replace-electric-fan-motor

https://www.2carpros.com/articles/coolant-flush-and-refill-all-cars

I would also suggest changing the thermostat since you have the system open.

https://www.2carpros.com/articles/replace-thermostat

Let us know if you have any other questions.

Roy
Was this
answer
helpful?
Yes
No
Monday, April 5th, 2021 AT 4:07 AM
Tiny
05ACURATL
  • MEMBER
  • 37 POSTS
Thank you very much. Very quick question. If i'm replacing the radiator fan only (not the radiator) do I still have to drain the coolant and ATF fluid? Or do I only remove the 4 bolts that hold the fan shroud?
Was this
answer
helpful?
Yes
No
Monday, April 5th, 2021 AT 3:53 PM
Tiny
ASEMASTER6371
  • MECHANIC
  • 52,796 POSTS
Just the 4 bolts for the fan. No fluids involved here at all.

Roy
Was this
answer
helpful?
Yes
No
Monday, April 5th, 2021 AT 4:01 PM

Please login or register to post a reply.