Tuesday, December 22nd, 2020 AT 12:01 PM
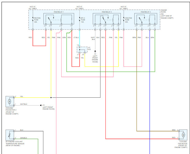
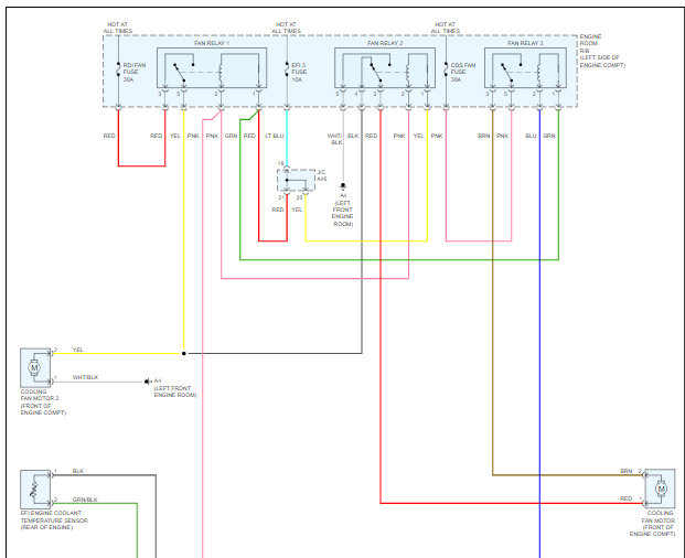
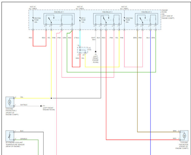
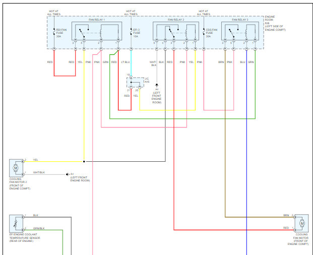
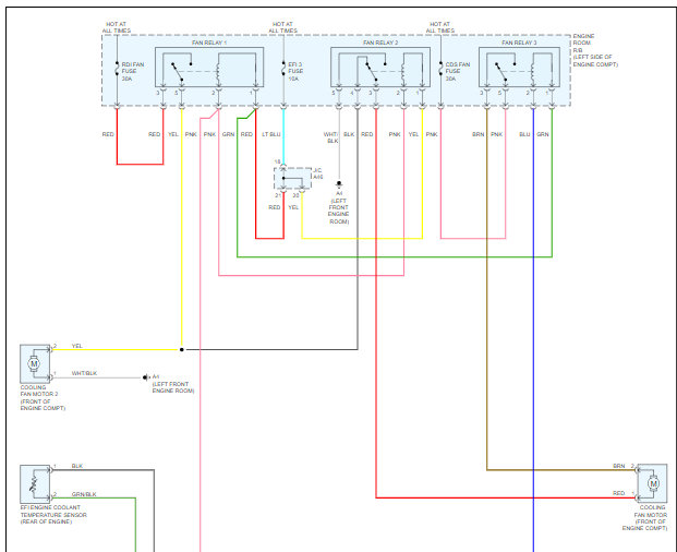
Good evening, the question here is not concerning the model that I selected but for Toyota Venza, I couldn't find Venza among the model. The radiator fan and compressor are not functioning but when I connected both to 12v battery, they were functioning. So the issue is not the fans but the circuit, the compressor is engaging. Please could you help me with the fan circuit diagram?







