Radiator swap

Tiny
JILLSON81
  • MEMBER
  • 1994 CHEVROLET S-10
  • 4.3L
  • 6 CYL
  • 2WD
  • AUTOMATIC
  • 170,000 MILES
Can I use the radiator out of a 4 cylinder S10 to cool my 6 cylinder 4.3 l S10?
Tuesday, December 8th, 2020 AT 10:38 AM

1 Reply

Tiny
ASEMASTER6371
  • MECHANIC
  • 52,796 POSTS
Good afternoon,

I would not as the 4 cylinder is too small for the V6.

https://www.2carpros.com/articles/how-a-radiator-works

I would replace it with a new radiator.

https://www.2carpros.com/articles/how-to-replace-a-car-radiator

https://www.2carpros.com/articles/coolant-flush-and-refill-all-cars

Roy

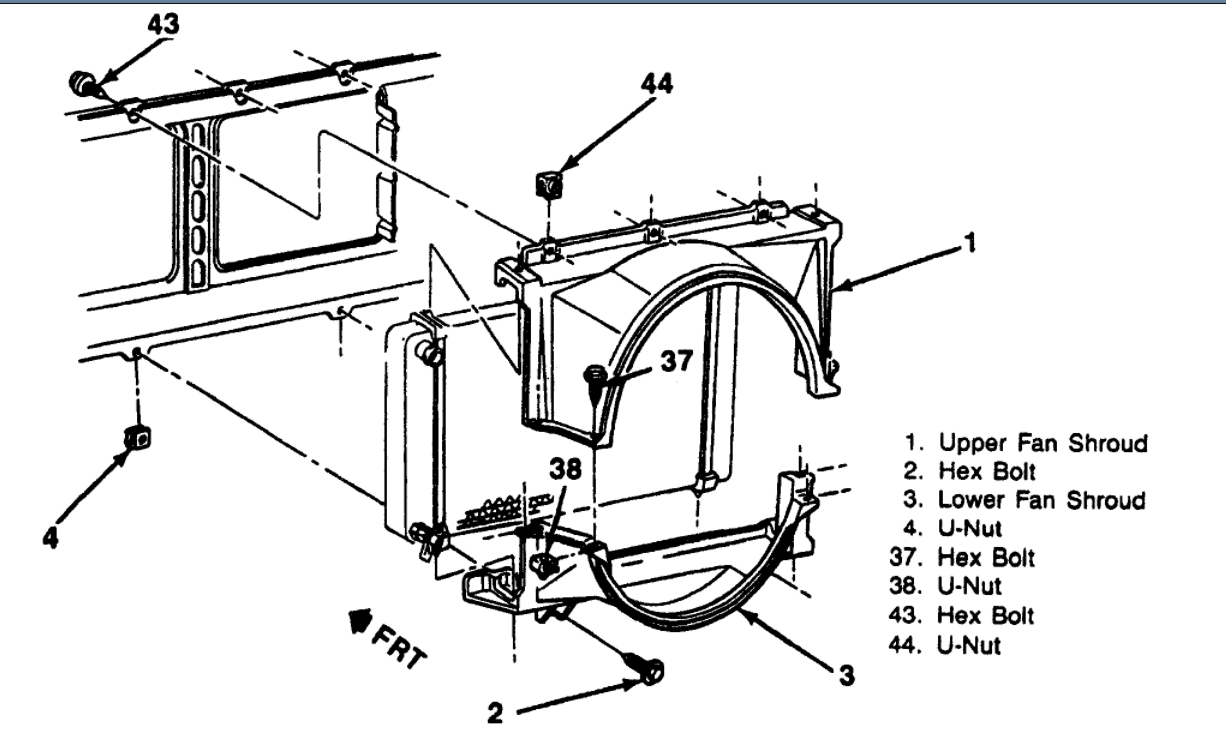
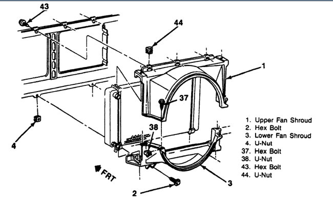
Install or Connect
1. Radiator.
2. Engine oil cooler line fittings.

Tighten

Fittings to 35 N.m (25 ft. lbs.).

3. Transmission fluid cooler line fittings.

Tighten

Fittings to 27 N.m (20 ft. lbs.).

4. Hoses.
5. Upper fan shroud.
6. Coolant reservoir hose.
7. Coolant to the radiator.
Was this
answer
helpful?
Yes
No
Tuesday, December 8th, 2020 AT 10:50 AM

Please login or register to post a reply.