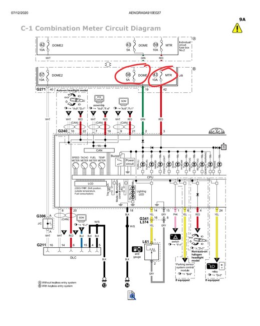
1. In the 1st of the 2 attached diagrams, there are 2 fuses 5amp and 10amp which go directly to the instrument cluster and appear to supply all the same components. Now, what is the purpose of these 2 separate fuses? Does it mean when 5amp is blown, the instrument cluster will still get power from the 10amp or vice versa?
2. In the 2nd diagram, the red marks are a npn or pnp transistor? So also, what are the blue marks which has SQUARE empty box? What does this box represent?
Sunday, May 11th, 2025 AT 7:22 PM






