HOME
ASK A QUESTION
REPAIR GUIDES
BECOME A MEMBER
LOG IN
Login with Facebook
OR
Remember me
NOT A MEMBER?
FORGOT PASSWORD?
CONTACT US
PRIVACY POLICY
TERMS AND CONDITIONS
☰
Home
Mazda
CX-9
Steering
Rack and Pinion
Replace/Remove
Rack and pinion removal
MYKO HOUSTON
MEMBER
2012 MAZDA CX-9
3.6L
V6
AWD
AUTOMATIC
125,000 MILES
How to remove rack and pinion?
Friday, August 4th, 2017 AT 5:48 PM
1 Reply
KEN L
MASTER CERTIFIED MECHANIC
54,137 POSTS
Hello,
You will need to jack the car up to get started and you will need some line wrenches.
https://www.2carpros.com/articles/jack-up-and-lift-your-car-safely
Here is a video of removing the power steering hoses:
https://youtu.be/BGBUv5r9fk0
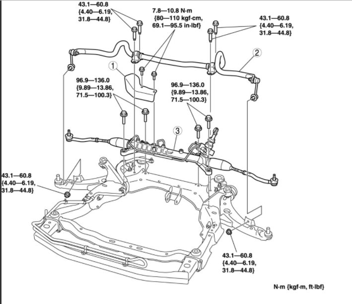
Here is a diagram of what it will be like on your car (below).
Please let us know what happens.
Cheers, Ken
Image (Click to make bigger)
Was this
answer
helpful?
Yes
No
+1
Sunday, August 6th, 2017 AT 8:40 PM
Please
login
or
register
to post a reply.
Ask a Car Question. It's Free!
Power Steering Box Replacement
How to Replace a Power Steering Pump
Steering Pump Replacement Mercedes Benz