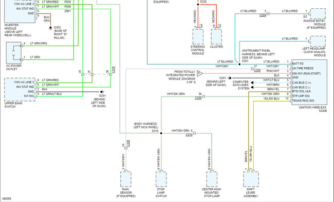
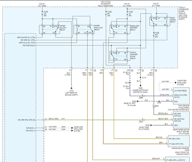
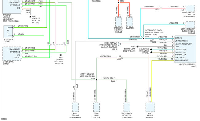
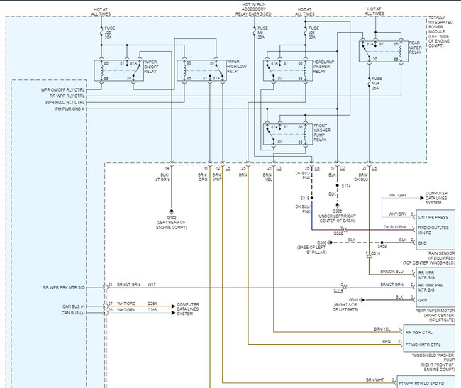
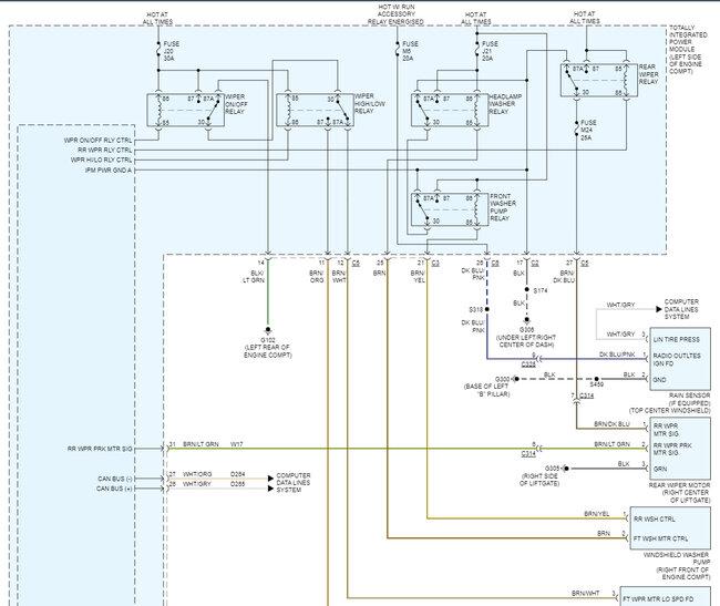
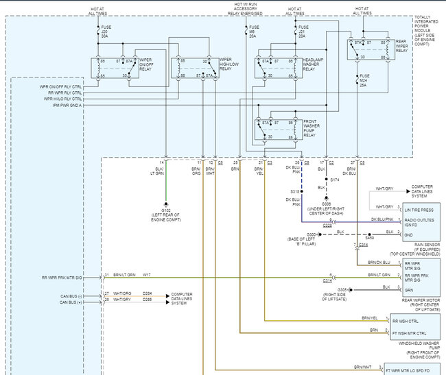
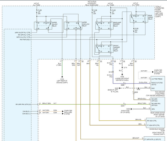
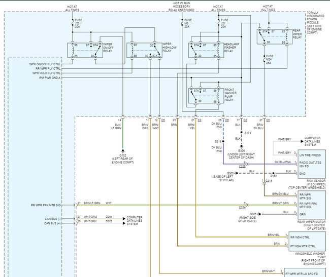
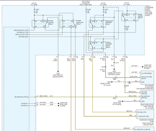
The daughter bought the van listed above modified for Handicap use. She has had several electrical gremlins, had the TIPM replaced for the car not starting, and still has an issue with the cruise being interment, along with the windshield washer not working, I suspect the TIPM to be at fault. would like the electrical schematic of the internal circuit board that holds the control relays.
any help would be great, have looked at your downloads of External Interconnect which helps.
any help would be great, have looked at your downloads of External Interconnect which helps.
Sep 26, 2023 at 3:05 PM
















