Problems starting

Tiny
JTHOMAS061263
  • MEMBER
  • 2000 PONTIAC SUNFIRE
  • AUTOMATIC
  • 25,000 MILES
My car has been running good for a while now until just recently. I go to start it and it will not start up, so I press on gas pedal a little and eventually after a few tries it started it up. Also, the gas pedal got hard too. Could you tell me what could be going on that is causing it to start doing this out of nowhere?
Saturday, June 9th, 2018 AT 3:17 PM

1 Reply

Tiny
JACOBANDNICKOLAS
  • MECHANIC
  • 110,192 POSTS
Hi and thanks for using 2CarPros.com.

This could be the result of a few things. The hard pedal has me a bit confused but could be nothing more than a bad throttle cable or damaged one.

On fuel injected vehicles, you should not have to press the gas pedal to start them. A metered amount of air is supplied via a idle air control valve (IAC). Since you have to press the pedal, I question if there is maybe a carbon build up on the IAC or the throttle body itself.

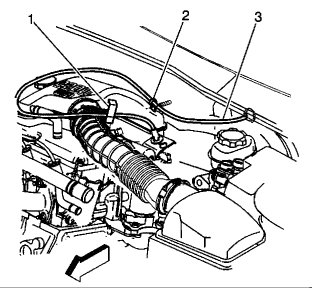
Here are general directions for IAC replacement. In your case, just inspect it for dirt. Also, when reviewing these directions, you will see a picture of the throttle bore. It is is where the air induction tube from the air filter box connects. Inspect that area for dirt and carbon build up.
The IAC is located on the throttle body. Picture 1 is a picture of one specific to your vehicle
.
https://www.2carpros.com/articles/how-to-replace-an-idle-speed-control-motor-iac

As far as the throttle being hard, inspect the throttle cable which runs from in your vehicle to the engine compartment. I have attached replacement instructions if needed and pictures to help you locate it.

_______________________________________________

2000 Pontiac Sunfire L4-2.2L VIN 4
Vehicle  Powertrain Management  Fuel Delivery and Air Induction  Throttle Cable/Linkage  Service and Repair  Accelerator Controls Cable Replacement
ACCELERATOR CONTROLS CABLE REPLACEMENT
REMOVAL PROCEDURE
Remove the left sound insulator.
Remove the release cable retainer from the pedal assembly (2).
Depress the cable tangs (1) and push the cable forward toward engine compartment.
Remove the cable retaining clip (2).
Remove the cable from the push-clip (1).
Remove the cruise control cable, if the vehicle is so equipped.
Depress the tangs (1) on the cable and push the cable through the cable bracket (2).
Remove the cable (3) from the cam.
INSTALLATION PROCEDURE
Route the cable through the cable bracket (2).
Press the cable upward through bracket.
Ensure that the tangs (1) expand and are properly seated.
Install the cruise control cable.
Install the cable in the push-in clip (1).
Install the cable retaining clip (2).
Tighten
Tighten the cable retaining clip to 10 N.m (89 lb in) .
Route the cable (3) through the cowl.
Slip the accelerator cable (2) through the slot in the rod and then install the retainer in the rod. Be sure the rod is seated.
IMPORTANT: Flexible components, such as hoses, wires, conduits, etc., must not be routed within 50 mm (2.0 in) of moving parts of the accelerator linkage outboard of the support unless the routing is positively controlled.
Check for correct opening and closing positions by operating the accelerator pedal. Make sure that the throttle valve reaches wide open throttle position. If it does not, inspect for damaged or bent brackets, levers, or other components. Also inspect for poor carpet fit under the accelerator pedal.
Install the left sound insulator.

I hope this helps. Let me know what you find and if you have other questions.

Take care,
Joe

Was this
answer
helpful?
Yes
No
Sunday, June 10th, 2018 AT 6:44 PM

Please login or register to post a reply.