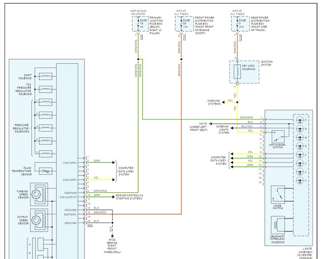
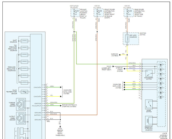
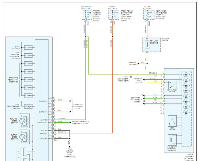
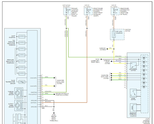
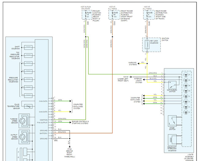
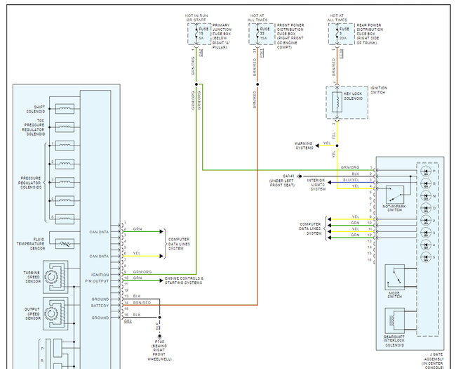
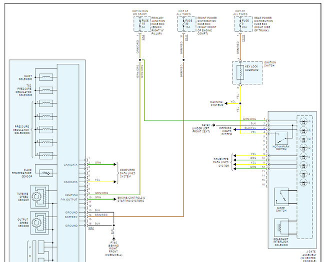
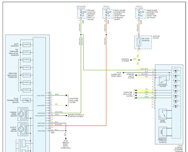
When ever time the transmission changes, it makes a wee sound, and this sound continues while driving. Also, whenever time the vehicle stops in the traffic and the vehicle wants to move again, sometimes the vehicle moves backward instead of going forward. As a result, in order for me to get the vehicle moving forward again, I have to switch the vehicle off and put it in park, then when I restart the vehicle, it will move forward again. In addition, sometimes the car revs and does not move while driving in traffic. Do you know what cause these problems? Can you tell me where the transmission oil can be refilled from? And how do you know when the transmission has in the correct amount of oil?
Thank you in advance for a speedy response.
Thursday, May 2nd, 2024 AT 4:46 PM













