Problem turning right at slow speeds, parking and reversing

Tiny
FRANKIE MICHAEL
  • MEMBER
  • 2003 CHEVROLET TAHOE
  • 8.5L
  • V8
  • 4WD
  • AUTOMATIC
  • 250,000 MILES
When I turn right at slow speeds, park, and reversing to the right the steering gets tight and whines. But only to the right. I checked the power steering fluid it was low but not dry. I added some but not change. Any ideas on what might be going on? My next step is the change the pump but as a single mom I don't have a lot to put on to this.
Thursday, August 29th, 2019 AT 3:39 AM

1 Reply

Tiny
ASEMASTER6371
  • MECHANIC
  • 52,796 POSTS
Good morning

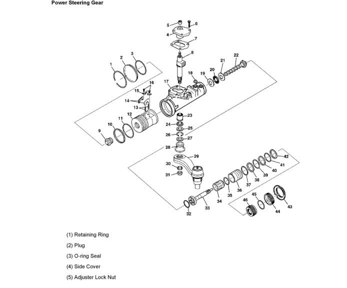
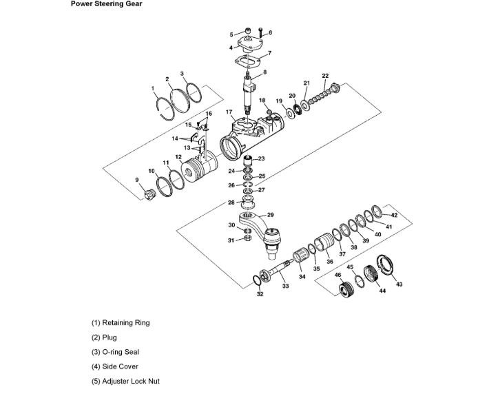
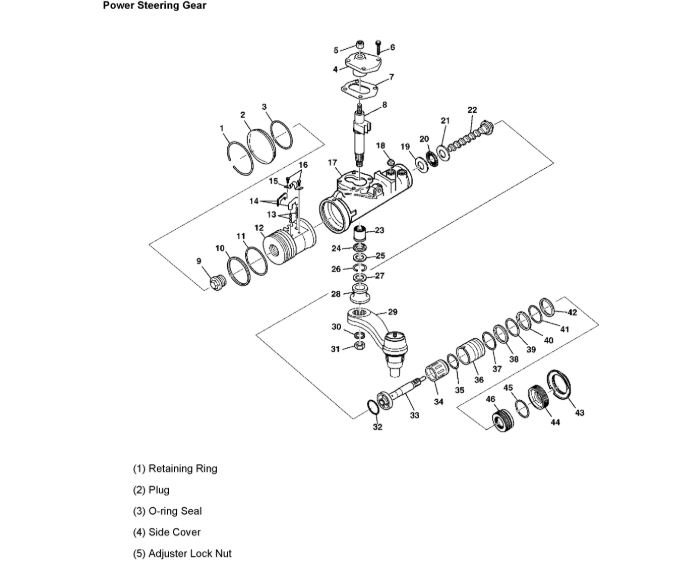
The fact it turns okay with the other side tells me it is not the pump. It sounds more like steering gear.

The first thing I would do is to flush the steering system with about 1 gallon of fluid. There may be dirt or debris in the system causing this issue.

Remove the return line from the pump and put it in a 5 gallon bucket. Start the engine and add fluid as it is running to keep the level up until you see clear fluid going into the bucket.

If that does not cure it, I would suspect the steering gear is your issue.

Roy

FLUSHING THE POWER STEERING SYSTEM

IMPORTANT: Do not reuse any drained power steering fluid regardless of appearance or condition.

1. Turn off the engine.
2. Raise the front end of the vehicle off the ground until the tires and wheels turn freely. Refer to Vehicle Lifting.
3. Place a large container under the fluid return hose in order to collect the draining fluid.
4. Remove the fluid return hose at the power steering pump reservoir inlet connection.
5. Plug the reservoir return hose inlet connection on the power steering pump.
6. Run the engine at idle while an assistant maintains the fluid level at FULL COLD in the reservoir using new approved power steering fluid.

IMPORTANT:
- This step may require 4 L (4 qt) of power steering fluid until the draining fluid appears clear.
- Do not run the engine without the power steering fluid level at FULL COLD.

1. Turn off the engine.
2. Turn the steering wheel fully to the left and to the right.
3. Remove the plug from the pump reservoir inlet connection.
4. Install the fluid return hose to the pump reservoir.
5. Maintain the fluid level at FULL COLD.
6. Operate the engine at idle for approximately 15 minutes.
7. Repeat steps 3-5.
8. Inspect the power steering fluid for the following indications of contamination:
- Milky fluid - water
- Brown fluid - burnt
- Plastic debris or dirt chunks

9. If the fluid is contaminated, repeat steps 6-12 in order to complete a third flush.
10. Remove the plug from the pump reservoir inlet connection.
11. Install the fluid return hose to the pump reservoir.
12. Clean any spilled fluid.
13. Bleed the power steering system. Refer to Bleeding the Power Steering System
Was this
answer
helpful?
Yes
No
Thursday, August 29th, 2019 AT 4:53 AM

Please login or register to post a reply.