Problem after replacing alternator

Tiny
STELLA53
  • MEMBER
  • 2006 TOYOTA 4RUNNER
  • 5.0L
  • V8
  • 239 MILES
I had the alternator changed but now the defroster on the back window doesn't work. Also, the wiper of the back window doesn't work.
Also, I can use the remote starter to lock and unlock the truck but it won't start the truck.
I tried some tips to reset the starter, but it doesn't work.
Could you please help me? Any advice would be much appreciate it.
Thank you!
Friday, November 19th, 2021 AT 6:43 AM

3 Replies

Tiny
KASEKENNY
  • MECHANIC
  • 18,907 POSTS
More than likely these issues are not related to the alternator replacement. It sounds like you have two issues that are separate from that.

So, were all these working prior to the alternator and then you noticed immediately that they were not working? More than likely I suspect you had the alternator changed and then sometime later you noticed these things not working?

if that is the case then we need to start with one issue and if that does not fix the other then we can move onto that.

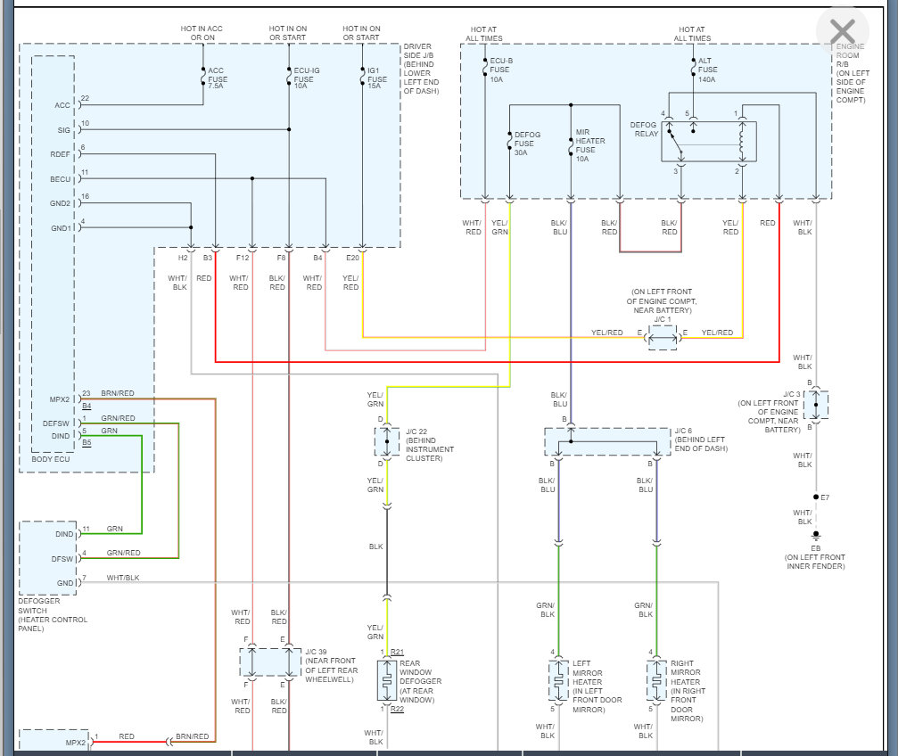
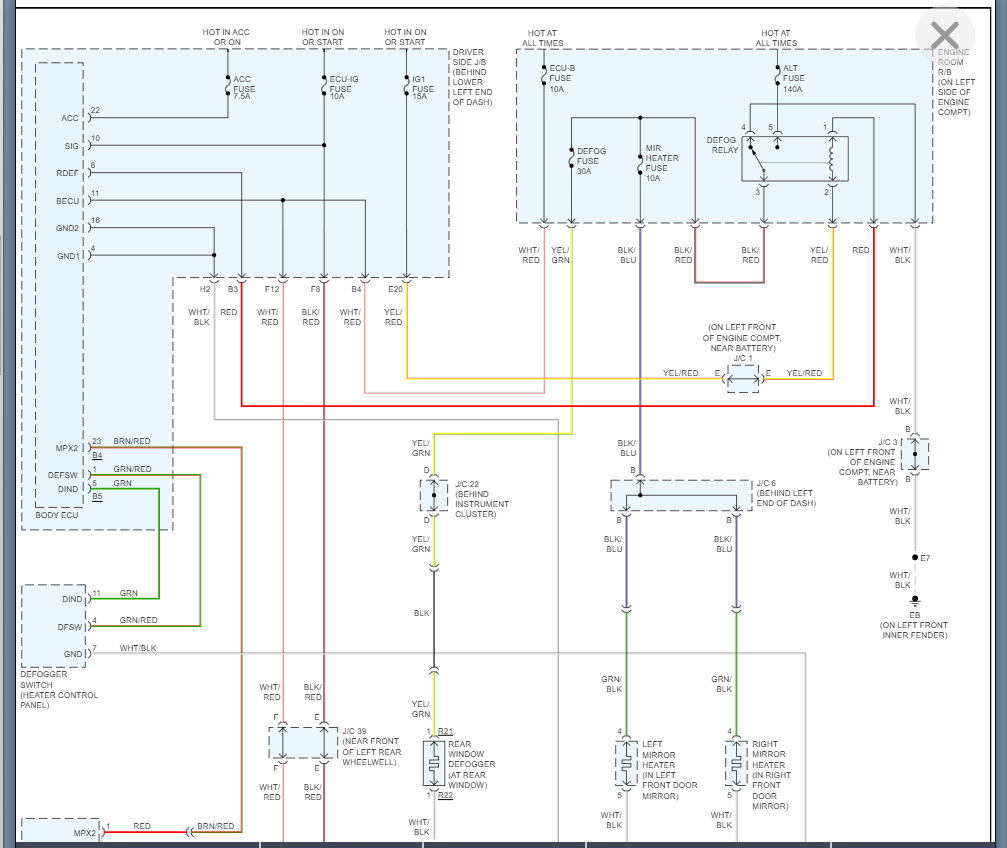
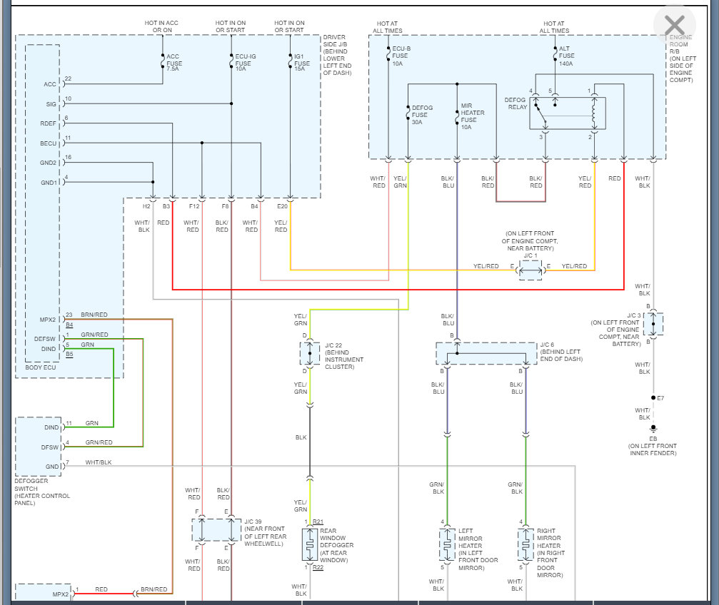
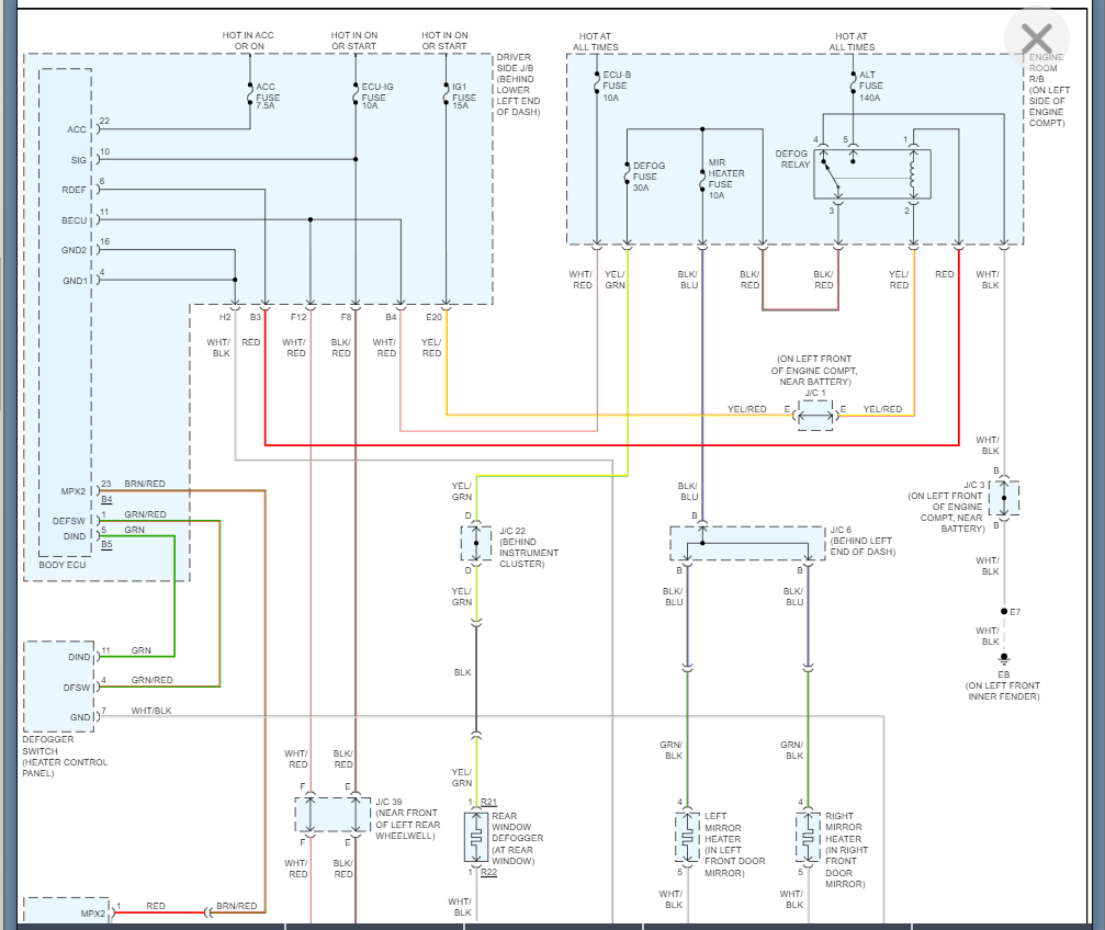
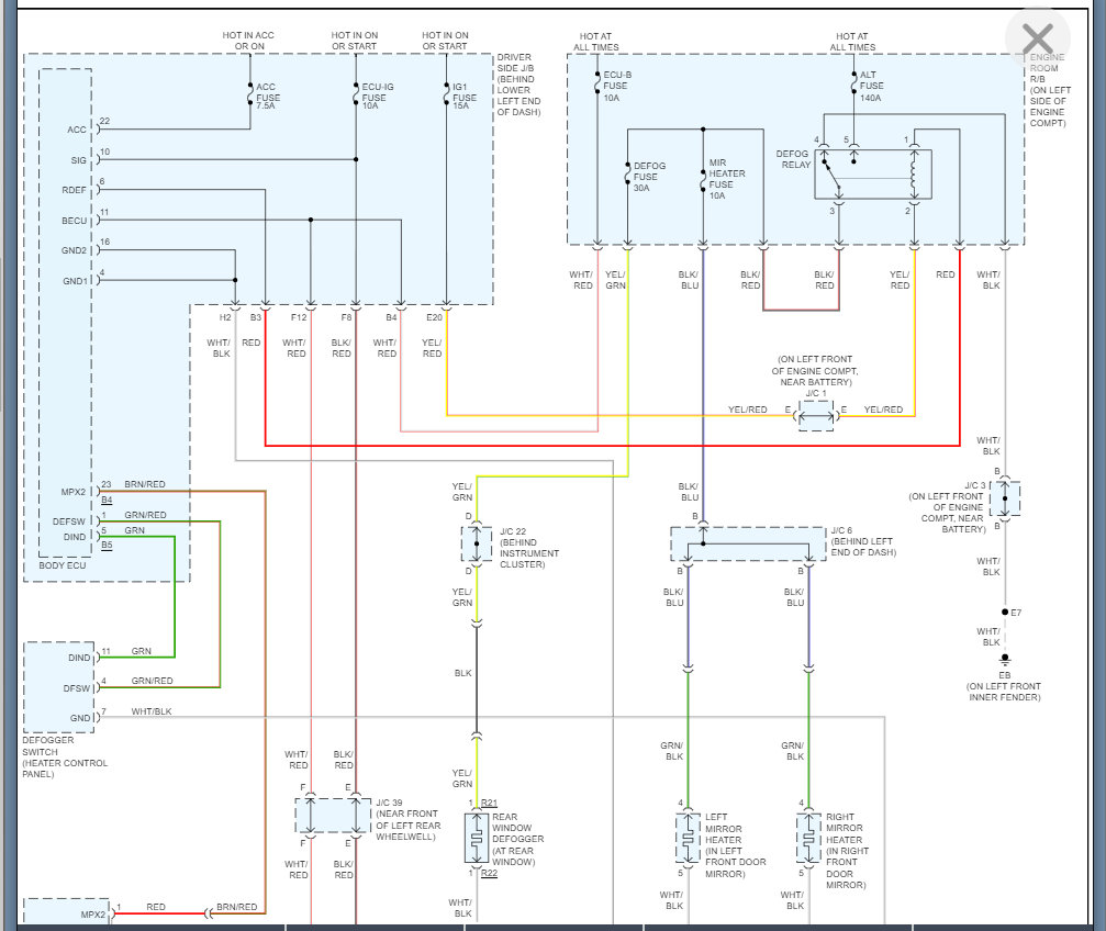
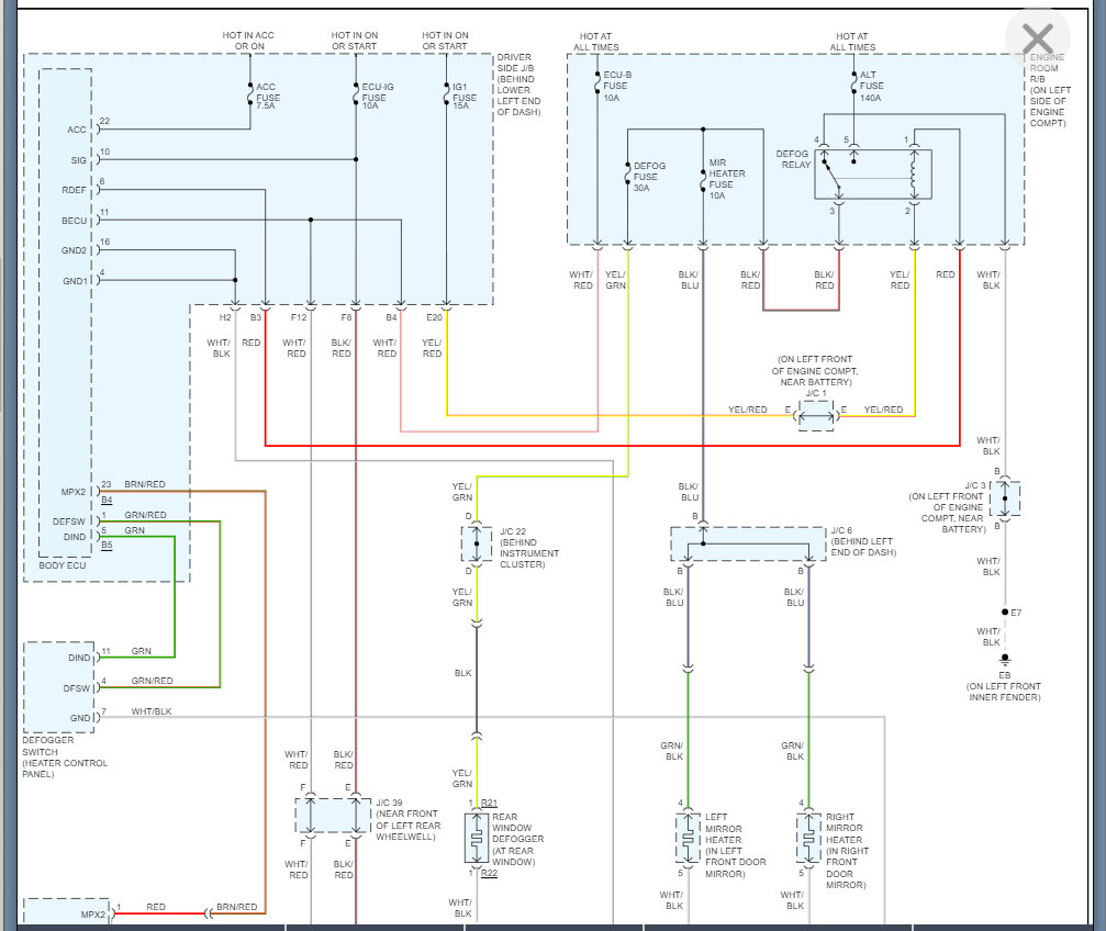
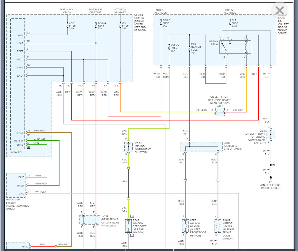
Let's start with the rear wiper and defrost operation. Basically, the only way we can figure that out is to go to the rear wiper motor and check for power at the motor.

https://www.2carpros.com/articles/how-to-check-wiring

If you have power when the wiper is on, then the motor is the issue.

However, if you have no power then we need to trace it back to the back door ECU and then the switch.

If the back door ECU is not sending the voltage, then this can cause the issue with the defroster and remote start not working.

I am including the diagram for the rear wiper motor and the defrost so that we can confirm the back door ECU is causing both issues.

Unfortunately, this is not the easiest thing to do but we need to know this info to figure out what is going on.

Please run through this info and let us know what questions you have.
Was this
answer
helpful?
Yes
No
Saturday, November 20th, 2021 AT 6:25 AM
Tiny
STELLA53
  • MEMBER
  • 2 POSTS
Thank you so very much for your help. I appreciate it. Everything works like before! Thank you!
Was this
answer
helpful?
Yes
No
Saturday, November 20th, 2021 AT 6:41 AM
Tiny
KASEKENNY
  • MECHANIC
  • 18,907 POSTS
Sounds great. If you don't mind, can you share the detail about what happened to get it back? It will help others that visit this page in the future.

Thanks
Was this
answer
helpful?
Yes
No
Saturday, November 20th, 2021 AT 2:35 PM

Please login or register to post a reply.