Tuesday, August 13th, 2024 AT 10:50 AM
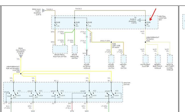
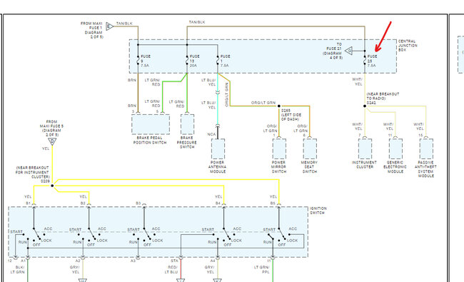
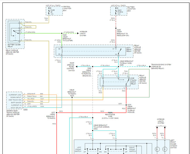
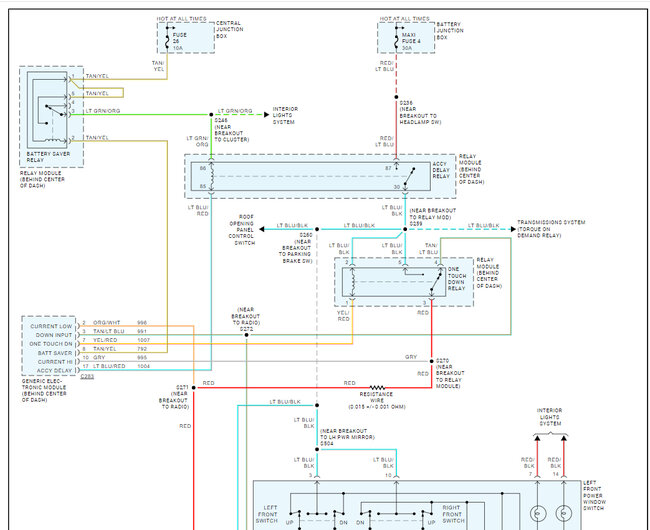
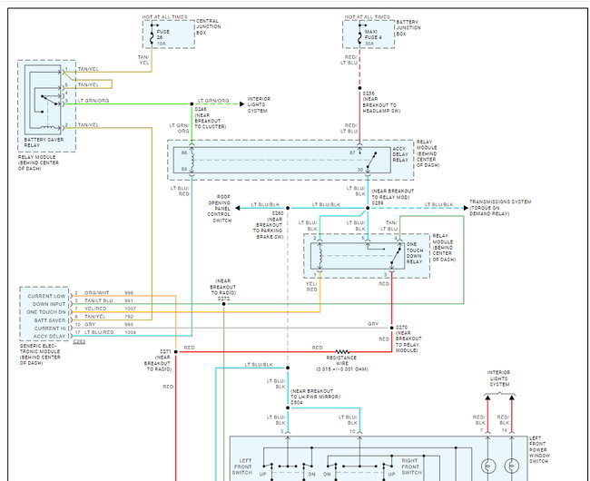
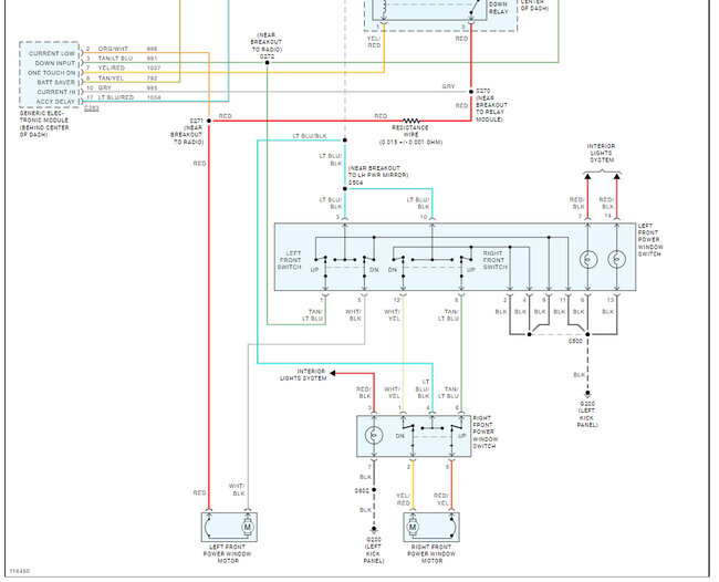
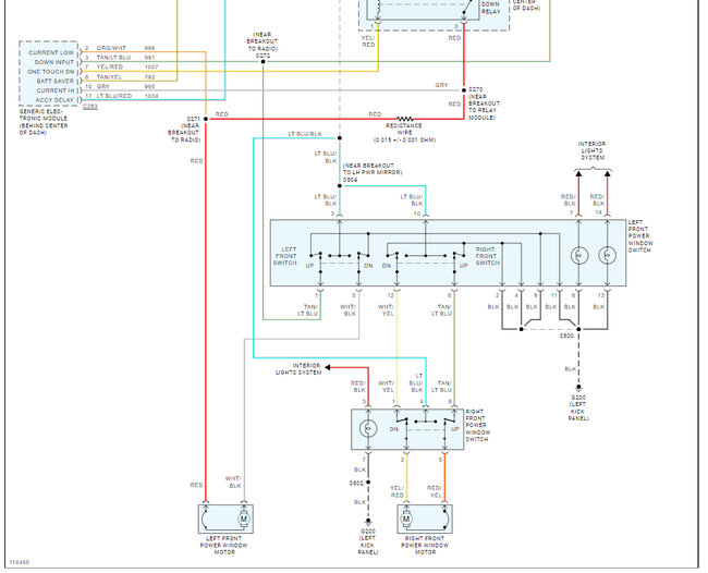
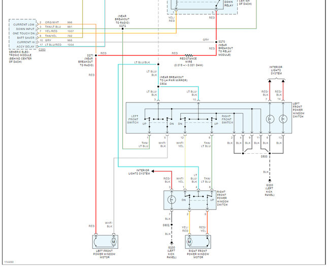
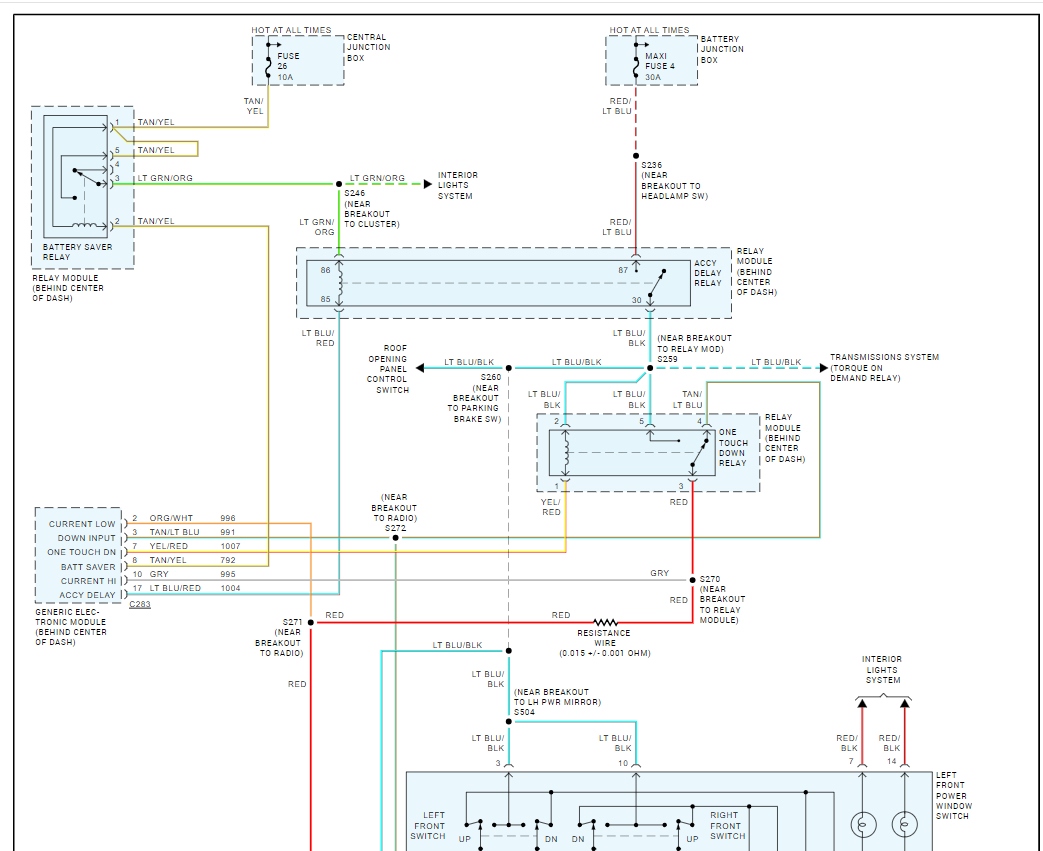
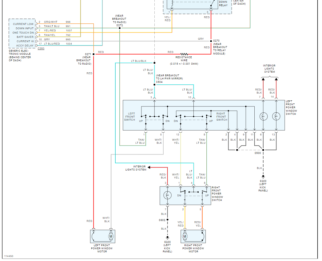
I have no power to the window switches or power to the wiring door plug it is the type that connects them. Interior fuse #25 was blown fuse #26 is ok. I installed another fuse in 25 and it blew right away with a slight smell of burning wire. The under hood #4 power window fuse 30amp is ok. From what I have been reading it might be the battery-saver relay or the GEM relay. And for the best of me, I can seem to locate them I have the radio and the entire front part of the dash off this is a 2000 2-wheel drive Ford Explorer sport.










