Power windows not working

Tiny
DEEZNUTS
  • MEMBER
  • 1999 CHRYSLER SEBRING
  • 2.6L
  • 6 CYL
  • 2WD
  • AUTOMATIC
  • 130,000 MILES
My power windows and blower motor quit working on my car listed above convertible. What relay should I replace? The fuses are fine.
Tuesday, February 16th, 2021 AT 10:46 PM

1 Reply

Tiny
KASEKENNY
  • MECHANIC
  • 18,907 POSTS
The power window and blower motor are not related so I doubt this is one issue. So let's address the window issue and if that solves the blower motor that is great but if not, we can get a new post started to address that.

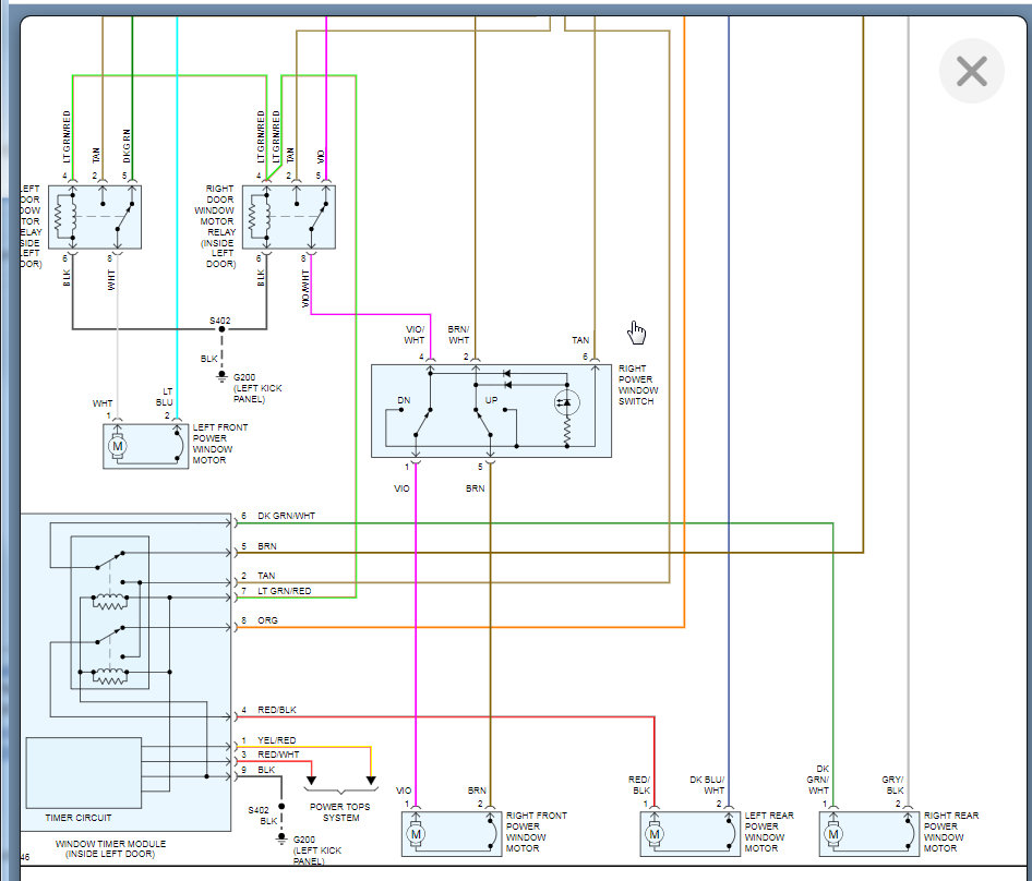
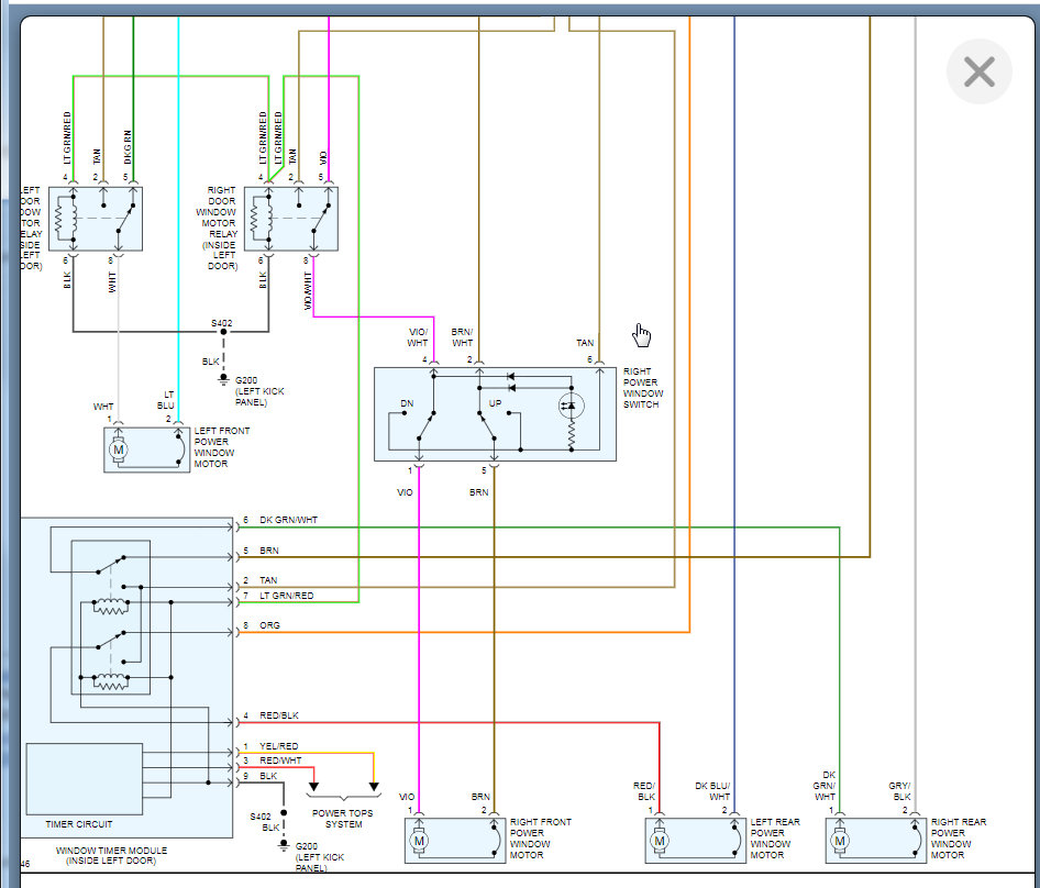
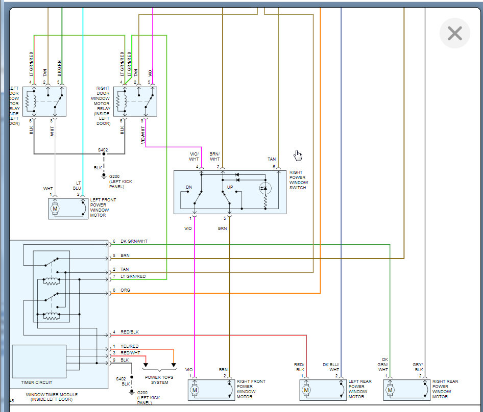
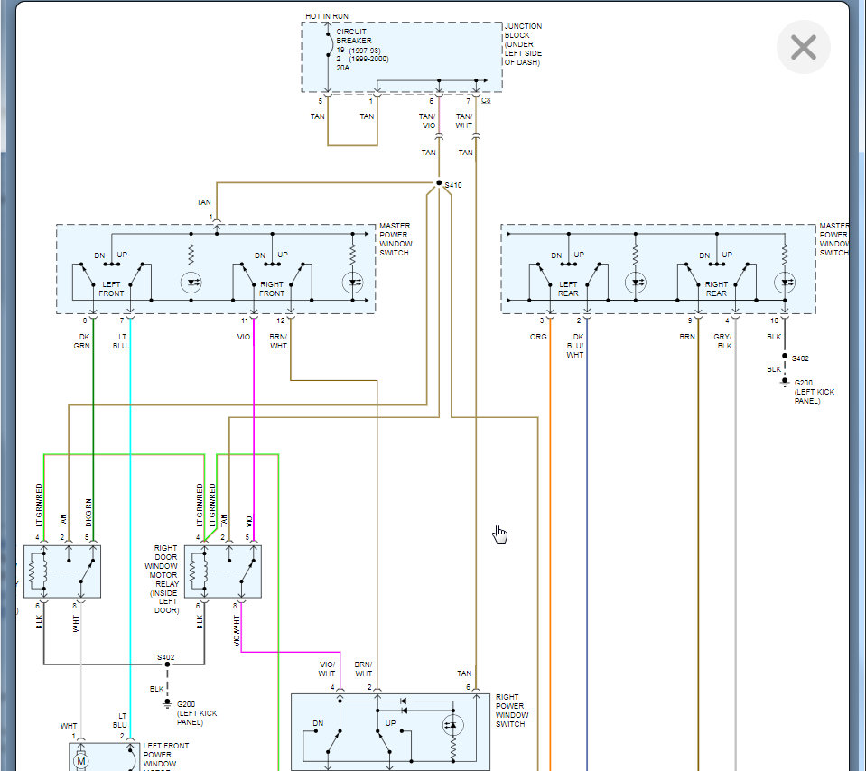
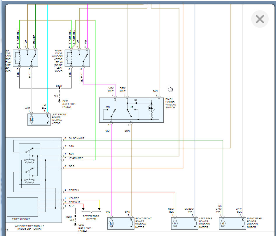
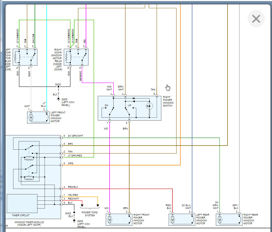
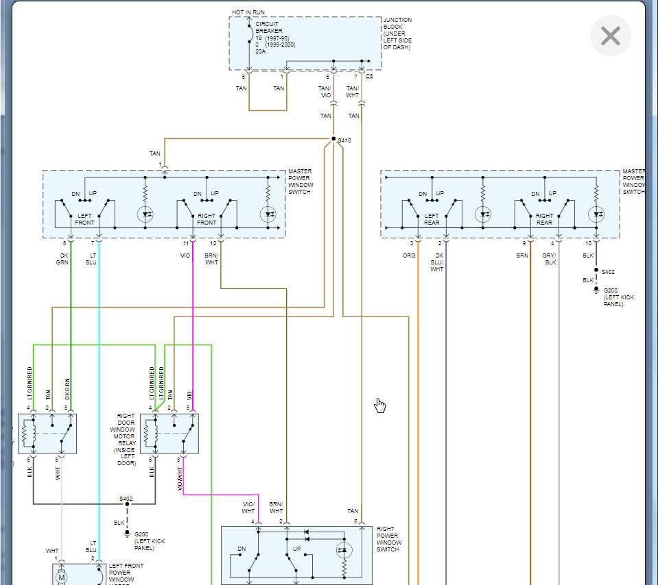
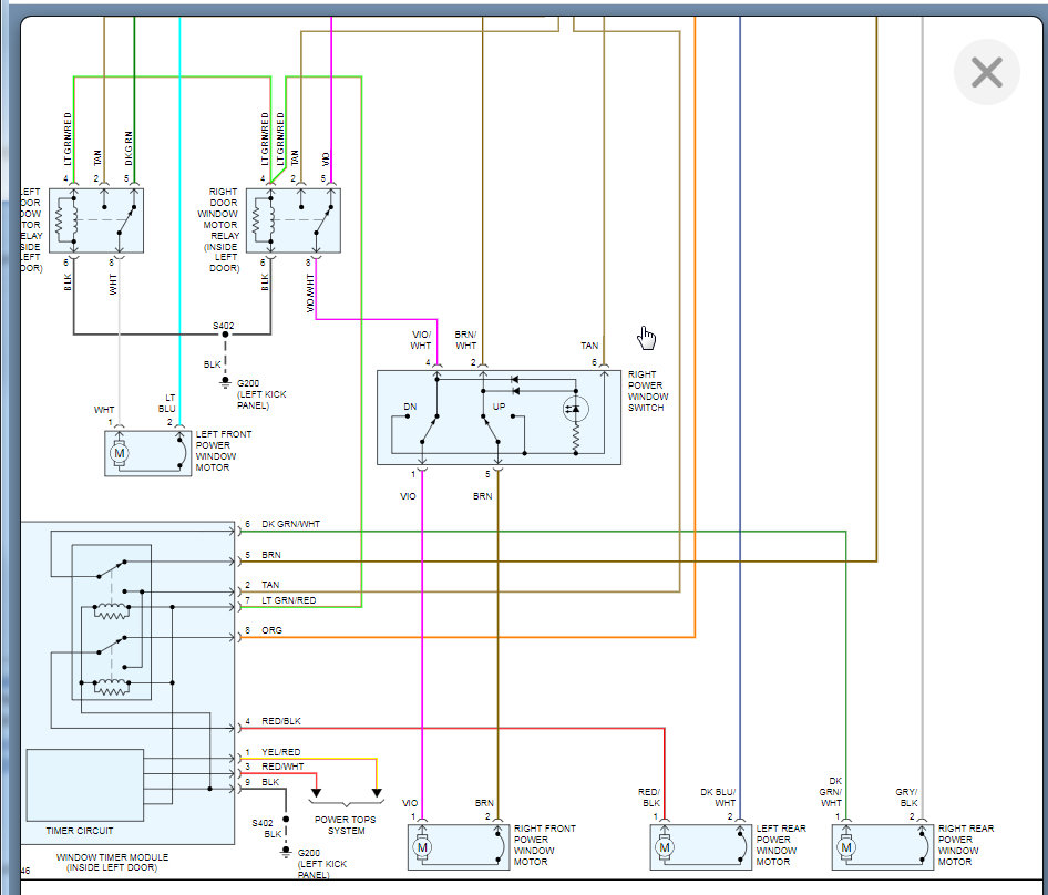
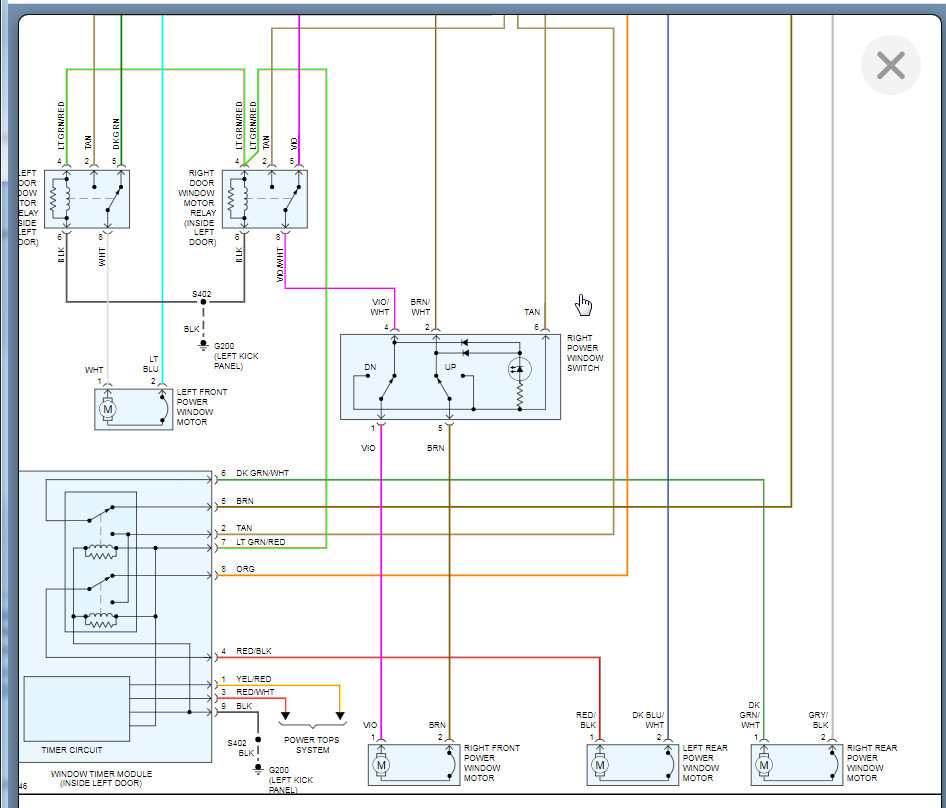
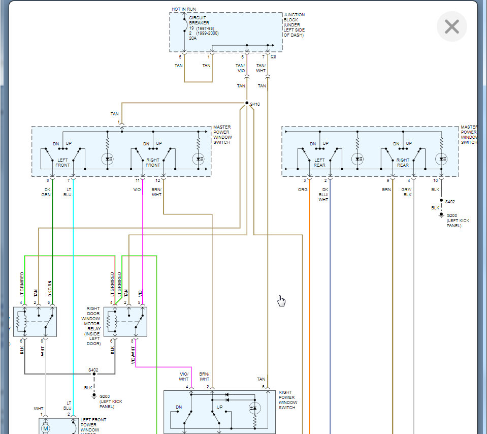
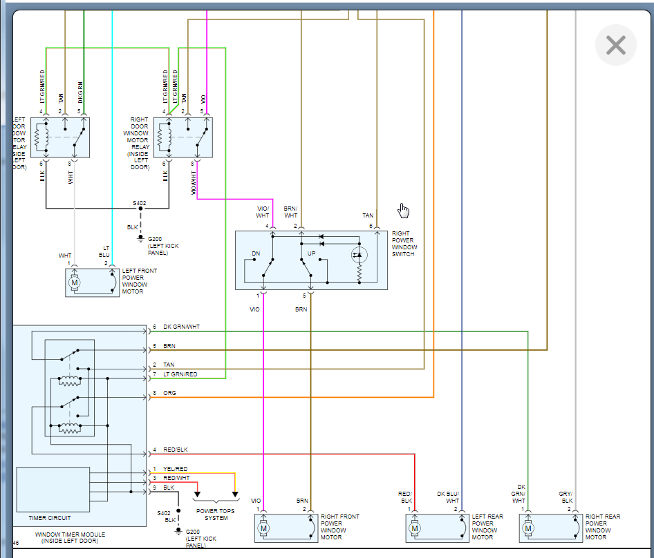
Below you will find the wiring diagram for us to start checking power. Basically we need to start at the fuse and make sure it is intact. If so, we need to trace power through the circuits to find where we are losing power.

Here is a guide that will help with this:

https://www.2carpros.com/articles/how-to-check-wiring

Let me know what you find with power leaving the fuse and we can go from there.
Was this
answer
helpful?
Yes
No
Thursday, February 18th, 2021 AT 1:04 PM

Please login or register to post a reply.