Power windows door locks not working properly

Tiny
JPRIETZ
  • MEMBER
  • 1999 FORD RANGER
  • 4.0L
  • V6
  • 4WD
  • AUTOMATIC
  • 156,000 MILES
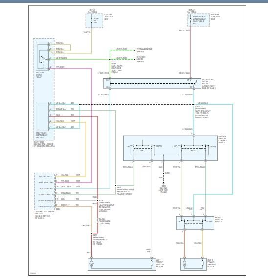
I just got this truck. New battery, both power locks try to lock and unlock but seems it has no force to them. Also, both power windows you can hear them make a click but nothing else. So I have power to them, could it be a ground problem. Where should I check the ground location? As mentioned new battery with clean cables, engine starts fine, headlights bright, radio is fine.
Jeff
Saturday, April 13th, 2019 AT 1:48 PM

3 Replies

Tiny
ASEMASTER6371
  • MECHANIC
  • 52,796 POSTS
Good afternoon,

The locks have actuators. Over time they wear out and they will try to lock but cannot. It sounds like you need to replace the actuators.

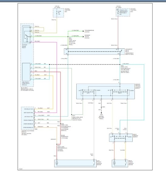
As far as the windows, Is the clicking coming from the switch or the window motor?

Roy

2. Disconnect the battery ground cable.
4. Remove the watershield.

ImageOpen In New TabZoom/Print

5. Remove the door glass rear run channel.
- Remove the bolt.
- Remove the window glass rear run channel.

Image

6. Disconnect the front door latch control cylinder rod from the door lock cylinder lever.

ImageOpen In New TabZoom/Print

7. Remove the outside door handle actuating rod.
1. Unclip the outside door handle actuating rod.
2. Remove the outside door handle actuating rod.

ImageOpen In New TabZoom/Print

8. If equipped, drill out the power door lock actuator rivet.

Image

9. Remove the front door latch screws
10. Disconnect the interior lamp switch and the door ajar switch electrical connectors.
- If equipped, disconnect the power door lock actuator electrical connector.
11. Position the door latch assembly aside.

ImageOpen In New TabZoom/Print

12. Remove the front door latch cable watershield.

ImageOpen In New TabZoom/Print

13. Remove the front door latch cable.
1. Remove the cable conduit from the door latch.
2. Disconnect cable from the door latch.

ImageOpen In New TabZoom/Print

14. Remove the door latch push button rod.
15. If equipped, disconnect the power door lock actuator from the door latch assembly.

Installation

imageOpen In New TabZoom/Print

1. NOTE: Check window operation after installation. To install, reverse the removal procedure.
Was this
answer
helpful?
Yes
No
Saturday, April 13th, 2019 AT 3:15 PM
Tiny
JPRIETZ
  • MEMBER
  • 11 POSTS
Thanks Roy for your help. I cleaned up the ground cable at the front left driver side and now I have the power windows working. Still weak door locks. Will open up the doors and check the actuators. Will probably order new units and replace them. I don't think they wore out from use rather from no use. Just got this truck which has not been moved nor started in ten years. Again Roy, thank you for your quick answer. Jeff
Was this
answer
helpful?
Yes
No
Saturday, April 13th, 2019 AT 3:34 PM
Tiny
ASEMASTER6371
  • MECHANIC
  • 52,796 POSTS
You are welcome.

Always glad to help.

Roy
Was this
answer
helpful?
Yes
No
+1
Saturday, April 13th, 2019 AT 3:39 PM

Please login or register to post a reply.