Power windows

Tiny
RON TENNEY
  • MEMBER
  • 2007 HONDA CRV
  • 70,000 MILES
Drivers side window works but all others do not operate. Passenger window half way down but will not go up.
Wednesday, May 16th, 2018 AT 8:27 AM

1 Reply

Tiny
KEN L
  • MASTER CERTIFIED MECHANIC
  • 55,535 POSTS
Hello,

This sounds like you have a main window switch or a power window relay that is out because all windows run through it. But to be sure lets run down this guide.

https://www.2carpros.com/articles/electric-window-repair

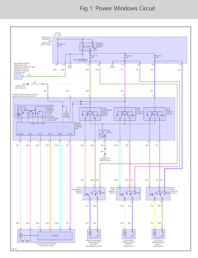
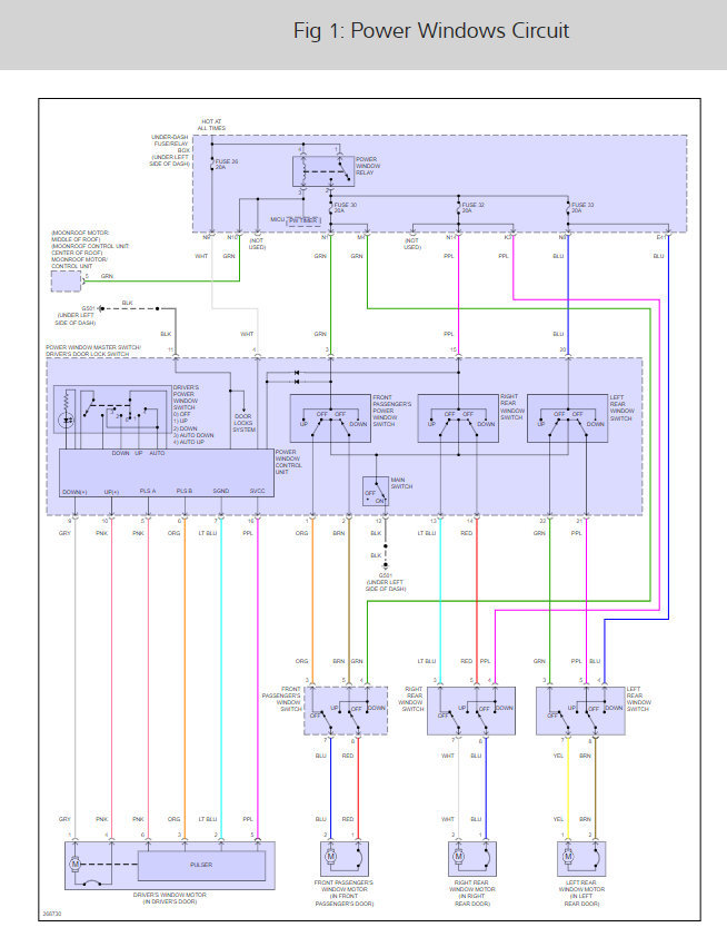
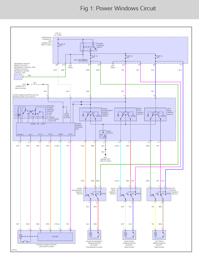
Here is more information to help you get the problem fixed including the window system wiring diagram so you can see how the system works:

https://www.2carpros.com/articles/how-to-check-an-electrical-relay-and-wiring-control-circuit

Check out the diagrams (below). Please run this test and get back to us.

Cheers, Ken
Was this
answer
helpful?
Yes
No
Thursday, May 17th, 2018 AT 11:05 AM

Please login or register to post a reply.