Power windows are not working?

2005 CHEVROLET MALIBU
192,000 MILES • 2.2L • 4 CYL • 2WD • AUTOMATIC
Avatar
TERRI W
  • MEMBER
  • 37 POSTS
My driver side power window quit working my rear windows haven't worked in a while. passenger window works from driver side and its own button.
Mar 26, 2024 at 1:51 AM
Repair Safety Notice: This information is for general instructional purposes only. Vehicle repair can be dangerous. Verify all information, follow manufacturer service procedures, use proper tools and safety equipment, and consult a qualified repair shop when needed.
Advertisement
Avatar
AL514
  • CAR REPAIR CONTRIBUTOR
  • 5,489 POSTS
Hello, you may be missing power at the driver side master switch, because power for the passenger side window switch comes from a different wire and is only grounded through the driver side master switch, I'll post a wiring diagram that shows how the circuit works, so it may be a broken power wire in the driver's door boot where the wiring for the windows and door locks pass through.
Mar 26, 2024 at 9:58 AM
Advertisement
Avatar
AL514
  • CAR REPAIR CONTRIBUTOR
  • 5,489 POSTS
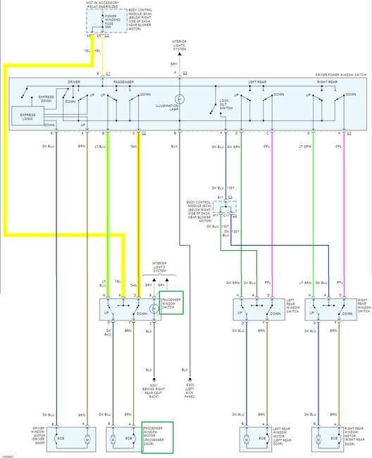
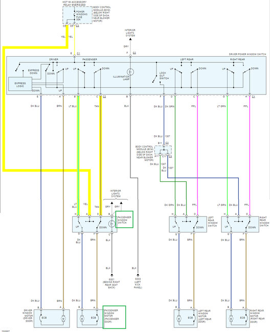
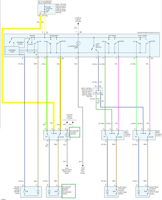
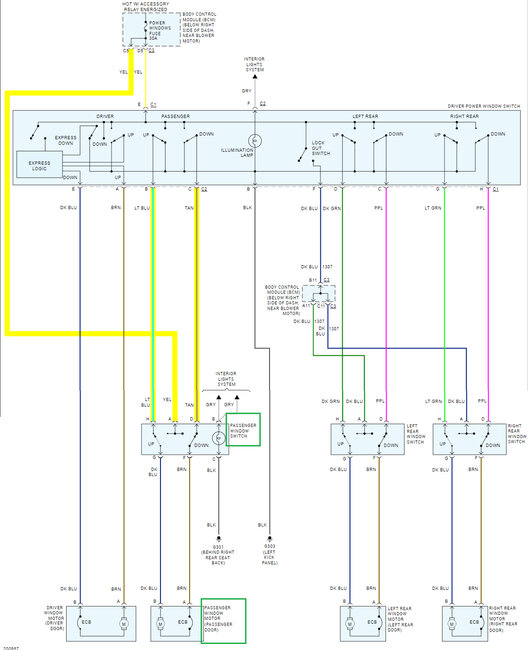
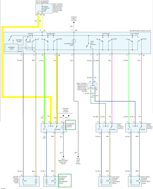
This is the power windows wiring diagram, it's pretty simple, so this can be either a bad master window switch or some broken wires in the driver's door rubber boot running from the door to the body, that is where they tend to break first since it's the location where the wiring moves the most, especially the driver's door, that is where I would check first.
You can see the two yellow wires are both power wires from the 30-amp fuse, and for the driver's window, for example you would have 12volts coming out on the Dark Blue wire or brown wire depending on if you're pushing the up or down button. Since the passenger side window works, the black ground wire is okay, if you don't have any broken wires in between the driver's door boot, then checking the drivers master switch with a test light for power output would be next, it's going to be broken wires or a bad switch.

Here are a couple guides to help you determine what the fault is:

https://www.2carpros.com/articles/how-to-use-a-test-light-circuit-tester

https://www.2carpros.com/articles/electric-window-repair
Mar 26, 2024 at 10:15 AM
Avatar
AL514
  • CAR REPAIR CONTRIBUTOR
  • 5,489 POSTS
Here is how you access the window switch if needed, removing these door panels is pretty easy, there are a couple of screws, and using something to pry the bottom out with, there are plugs that push into the door frame which hold on the door panel, you'll see once you get it off, these older ones were not too bad to get off,
then you will have access to the window switch from the back side of the door panel.
Mar 26, 2024 at 10:27 AM
Avatar
TERRI W
  • MEMBER
  • 37 POSTS
Okay, how can I get driver side window up until I can get it figured out? It's all the way down.
Mar 26, 2024 at 2:33 PM
Avatar
AL514
  • CAR REPAIR CONTRIBUTOR
  • 5,489 POSTS
Can you get the door panel off? Because all the wiring for the driver side window is in the door.
Mar 26, 2024 at 2:52 PM
Avatar
AL514
  • CAR REPAIR CONTRIBUTOR
  • 5,489 POSTS
If you can get to the window switch, unplug it, and if you apply power to the brown wire and ground to the dark blue wire the window should close. If it tries moving farther down then reverse the power and ground, it should go up, that's how the switch works, it just switches the power and ground to the opposite wires for the opposite direction.
Mar 26, 2024 at 3:09 PM
Avatar
TERRI W
  • MEMBER
  • 37 POSTS
Okay, and what if it isn't the switch? How would I get the window up?
Mar 26, 2024 at 3:15 PM
Avatar
AL514
  • CAR REPAIR CONTRIBUTOR
  • 5,489 POSTS
You won't be using the switch in this case, you're just unplugging the connector with the brown wire and dark blue wire, and applying power and ground to those wires not the switch, then the C1 connector has a yYellow wire, that's the power wire to the switch, you can use that to jump power to the C2 connector to get the window motor to move the window up.
Mar 26, 2024 at 3:28 PM
Avatar
TERRI W
  • MEMBER
  • 37 POSTS
Thank you very much for all the info, it was very helpful, I'll let you know the outcome. Thanks again
Mar 26, 2024 at 5:13 PM
Avatar
AL514
  • CAR REPAIR CONTRIBUTOR
  • 5,489 POSTS
Yes, if you have any more questions on exactly how to jump power from the C1 connector yellow wire (pin E) to the C2 connector, just let me know, the key will need to be on for power to be present on the yellow power feed wire.
Mar 26, 2024 at 7:10 PM
Avatar
TERRI W
  • MEMBER
  • 37 POSTS
Okay, I ended up trying to hold down the button on the driver window for like 5 seconds and then I held the up for a couple seconds and the window rolled up. But it didn't do it in my first try. My window is rolled up till I can fix the issue so what do I need to replace? You guys' rock.
Mar 26, 2024 at 7:33 PM
Avatar
TERRI W
  • MEMBER
  • 37 POSTS
Now that I have my window up, I can focus on the problem it was raining. Can you tell I'm a 60-year-old lady working on my own car??
So, what do you think is going on with my power window? With all we discussed?
Mar 26, 2024 at 8:44 PM
Avatar
AL514
  • CAR REPAIR CONTRIBUTOR
  • 5,489 POSTS
Well, since you are able to operate the passenger side window from the driver side master window switch, which tells me that the yellow wire coming into the driver side switch has at least some power on it. It should be 12 volts DC. Although it would be wise to verify that. If you buy a very basic multimeter from even Walmart, it should cost about $20, I can walk you through testing the yellow wire that comes from the Power Windows Fuse (30amp). But you will have to take off the door panel to access the connectors on the driver's door switch. The panels are pretty easy on these older Chevys.

If we check that there is good power and good ground at the switch connectors, then I would say the switch is most likely at fault.

But it's important to know that there is a full 12volts going to the switch and it has a good ground as well before replacing it.
Without checking those things, you may replace the switch and have the same issue. Power for the rear windows comes from the driver's door switch, so that would explain why they are not working.

If the ground for the switch (which is located down where your left foot would be, behind the left kick panel), is either corroded or has a bad connection, the switch will work off and on sometimes. The location it's in makes it susceptible to moisture or water intrusion, which can happen if the driver's door seal is not fully sealing out moisture anymore, or water can also leak down from a windshield seal that's not in the greatest shape. But these are just examples of what can happen.

But the door panel will need to come off and you should also see a rubber boot when the door is open, that runs from the door to the vehicles frame, the wiring for the door runs through that boot, and it's a location where those wires frequently break.
So you let us know what you are comfortable doing, the door panel has 2 or 3 screws which are sometimes hidden under a little cover that pops off, and then you need to pry out on the bottom of the door panel to pull it off, I'll see if I can find a video showing how to do this.

This is our guide which shows how the door panel is removed. Once it's off, you will see the push in clips that hold the bottom section to the door frame.
As well as a guide for using a multimeter.

https://www.2carpros.com/articles/door-panel-removal

https://www.2carpros.com/articles/how-to-use-a-voltmeter
Mar 27, 2024 at 11:09 AM
Avatar
TERRI W
  • MEMBER
  • 37 POSTS
Okay, after your last reply I realized that I do have a leak on the driver side door that leaked on the control panel for Windows, I feel kind of stupid now so what do I need to replace the and do I still need a multimeter?
Mar 27, 2024 at 5:16 PM
Avatar
AL514
  • CAR REPAIR CONTRIBUTOR
  • 5,489 POSTS
Most likely then if water leaked onto the window switch, there is corrosion inside the switch and possibly the connectors on the bottom of it where the wiring harness plugs into the switch. So, the door panel will need to come off to gain access to the window switch, once the panel is free from the door you will be able to see into the back side of the panel where the window switch clips into place. It will have a couple connectors plugged into it, most of the time it's easy enough to push the switches clips in and it will come up from its location, then you can unplug the connectors and check them for any corrosion inside the connector pins.
If they have corrosion inside, you can get some electrical terminal cleaner spray from an auto parts store that will help clean out corrosion caused by water getting in.
Most likely since the switch is only partially working, its probably no good anymore and needs to be replaced, but checking the connectors is just as important as replacing the switch.

You can get the door panel off and then you will have a better idea of what you're dealing with. I always verify the wiring in every case, since you will have the door already apart.
You don't want to go so far replacing the switch just to still have an intermittent issue. The wiring that runs through the rubber conduit from the door to the body is a very common area for wire breaking.
But if you're not comfortable testing, at least take the panel off and see what the switch electrical connectors look like. The rubber section you can see when the door is open, you can pull that back and inspect for any broken wires.

The 1st picture below is what I am referring to. Because the wires flex there so much, they always eventually break.
The guide in my last post is a really good example of how the door panel comes off, that's where you need to start.

The 2nd diagram is the easiest way I can describe testing the 2 wires for voltage.
Mar 27, 2024 at 6:19 PM
Avatar
TERRI W
  • MEMBER
  • 37 POSTS
Okay, so, I just cut through the part around the wires in the door to look at the wires. I am going to go get a multimeter and I will try and test the voltage and I know I will be back for more help. You have been so helpful thank you.
Mar 27, 2024 at 6:26 PM
Avatar
AL514
  • CAR REPAIR CONTRIBUTOR
  • 5,489 POSTS
No you don't need to cut the rubber boot in between the door, you should just be able to move one side of the rubber boot over to check for any broken wires, The boot should just be pushed into the door on the left side and into the body on the right side. Don't cut it with anything, because then you will have to replace it and that will be a lot of work, you're just looking for any wires broken or missing the insulation inside the boot. I'll try to find a video to help. Sorry we must be in different time zones here.
Mar 28, 2024 at 8:19 AM
Avatar
AL514
  • CAR REPAIR CONTRIBUTOR
  • 5,489 POSTS
This is the left front door harness, the rubber boot I colored in green, you'll notice on these there is a connector that plugs into the body. The wires tend to break at the thin section of the wiring harness here. But this should be checked, I added this video as well, it's from a 2016 Chevy Malibu, but I just want to give you an idea of what the harness will look like at that section. Granted if you had water dripping in on the window switch, that's an issue, and the switch still needs to be checked, so I would do that first, you should be able to see with the door panel off, the wiring that runs towards the rubber boot on the inside of the door.

This design is nice because you do not need to remove the entire door panel to get to the window switch. It shows how to disconnect the window switch connectors as well. You will need a T25 Torx bit to remove the screws, I've added two pictures of Torx bits, you can get these at walmart for cheap, a little set comes with different size bits and a driver if you need to remove the entire door panel,
but in the 1st video below, if you skip ahead to 2:00min he shows how to just remove the window switch alone with a flathead screwdriver. I should have looked for this video to begin with. Super easy to pull up the switch and disconnect the electrical connectors underneath it, check them for corrosion inside the connector pins. I will check back with you later to see what you find. You could even go to a used auto parts yard if you have one in your area and ask if they have a window switch for the front driver side, it would be much cheaper than buying a new one. But check the connectors first, and we will have to address the water leak after the repair as well.

https://www.youtube.com/watch?v=0bKpv6YBl7g
Mar 28, 2024 at 8:55 AM
Avatar
TERRI W
  • MEMBER
  • 37 POSTS
Okay, I just now unplugged the connectors from the driver buttons, and they are nasty. I will get the cleaner you recommended and clean that and the button panel is yucky also I hope I'm getting these steps right. I won't replace anything yet until I check the wires, I'll let you know when I'm ready for my next step. thank you again.
Mar 28, 2024 at 5:07 PM
Avatar
TERRI W
  • MEMBER
  • 37 POSTS
Here is a picture.
Mar 28, 2024 at 5:10 PM
Avatar
AL514
  • CAR REPAIR CONTRIBUTOR
  • 5,489 POSTS
I don't see the picture; it must not have been uploaded. but if the connectors are that bad, I would suggest you get this terminal cleaner, Deoxit D5 costs a little bit more but this is the best electrical cleaner there is. And the switch should just be replaced because it's probably full of corrosion by now.
And you may need to replace the door seal if that's what is leaking, because water may be getting down into other connectors in the lower left side of the dash.
Mar 29, 2024 at 8:07 AM