HOME
ASK A QUESTION
REPAIR GUIDES
BECOME A MEMBER
LOG IN
Login with Facebook
OR
Remember me
NOT A MEMBER?
FORGOT PASSWORD?
CONTACT US
PRIVACY POLICY
TERMS AND CONDITIONS
☰
Home
Chevrolet
Tahoe
Body
Window
Not Working
Power windows not working properly
THUNDER123
MEMBER
1999 CHEVROLET TAHOE
5.7L
V8
2WD
AUTOMATIC
200,000 MILES
Power windows will only work from driver control.
Saturday, April 20th, 2019 AT 5:09 PM
1 Reply
ASEMASTER6371
MECHANIC
52,796 POSTS
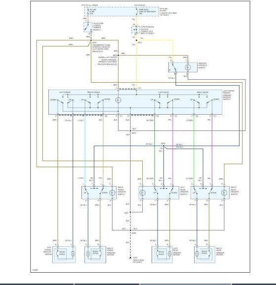
Good morning,
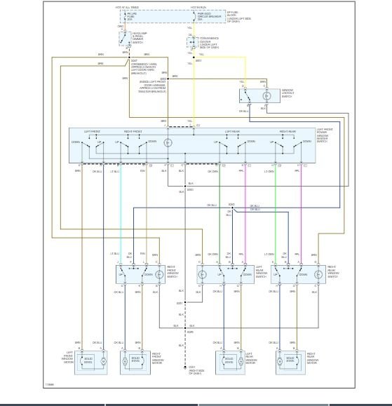
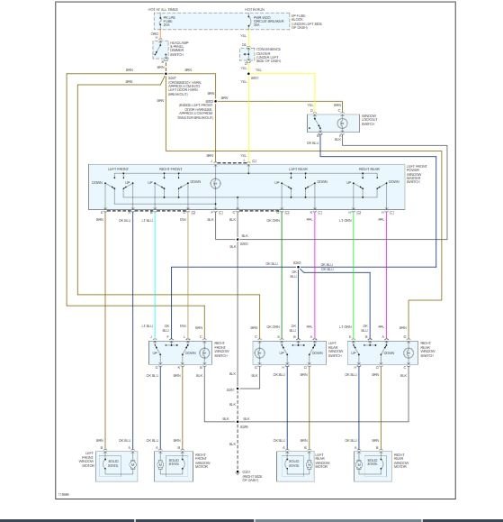
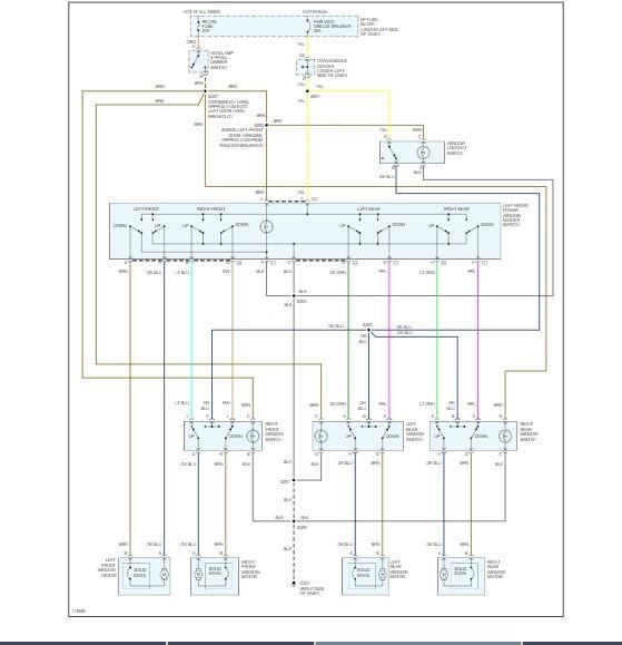
I attached a wire diagram for you to view. Check the fuse listed for power on both sides.
You may still have a master switch issue since the power for the other switches goes through the lockout switch in the master switch.
Roy
Images (Click to make bigger)
Was this
answer
helpful?
Yes
No
Sunday, April 21st, 2019 AT 6:09 AM
Please
login
or
register
to post a reply.
Related Window Not Working Content
2000 Chevy Tahoe Window Does Not Go Up
The Left Rear Window Goes Down But Only Returns Up About 3 Inches And Stops. Motor Seems Strong Untill It Stops. Cable Seems To Move Freely...
Asked by
rblondin
·
1 ANSWER
2000
CHEVROLET TAHOE
2002 Chevy Tahoe Power Windows
My Power Windows For The Passenger Side Have Stopped Working. They Do Not Function From The Drivers Or The Passenger Doors, The Master...
Asked by
bwhite
·
1 ANSWER
2002
CHEVROLET TAHOE
Need To Replace My Driver's Side Passenger Window
My Driver's Side Passenger Window Got Shattered. How Do I Replace It And With What Other Model Cars Are Compatible?
Asked by
Jaquata Chauhan
·
1 ANSWER
4 IMAGES
1991
CHEVROLET TAHOE
How Do I Install A New Window
I Got The Old Window Out. I'm Trying To Put The New One In. And Cannot Get The Roller Arms In The Slot Built On The Window. The Window Is In...
Asked by
wesf60
·
3 ANSWERS
1998
CHEVROLET TAHOE
2002 Chevy Tahoe Front Window Control
Electrical Problem 2002 Chevy Tahoe The Left Front Window Operates Intermittintally. I Am Trying To Checkout And If Needed...
Asked by
louhorkan
·
1 ANSWER
2002
CHEVROLET TAHOE
VIEW MORE
Ask a Car Question. It's Free!
Window Switch Replacement and Test
Door Panel Removal
Door Lock Replacement