The rear power window is stuck in the up position?

Tiny
JABRAMO
  • MEMBER
  • 2000 BUICK CENTURY
  • 60,000 MILES
The rear power window is stuck up with no noise. I changed the regulator and motor; it doesn’t work from the master control switch either. It worked for a little while then stopped working.
Saturday, November 26th, 2022 AT 3:02 PM

3 Replies

Tiny
JACOBANDNICKOLAS
  • MECHANIC
  • 110,194 POSTS
Hi,

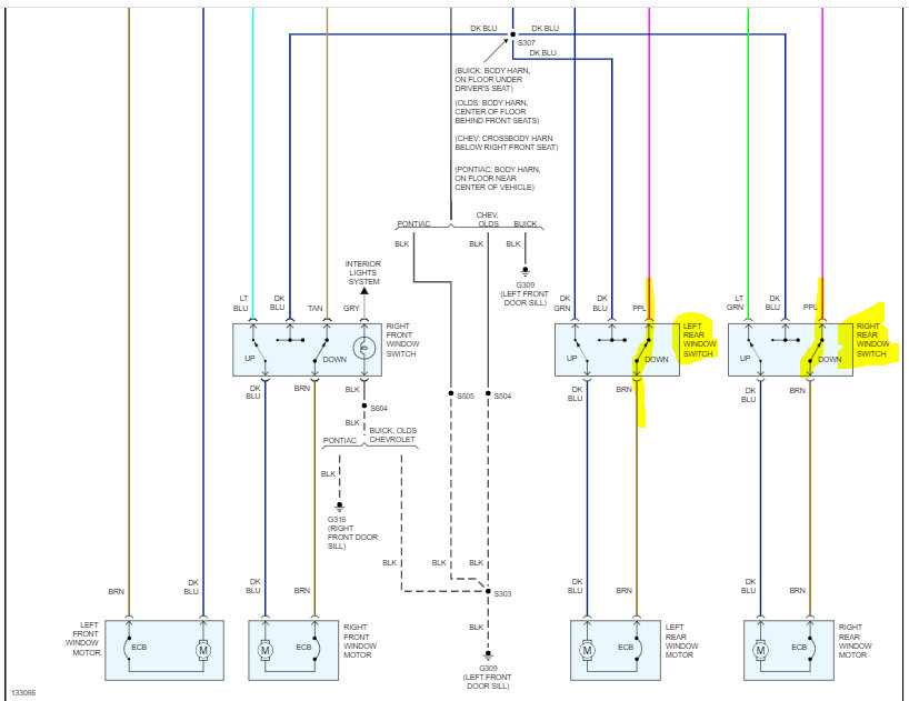
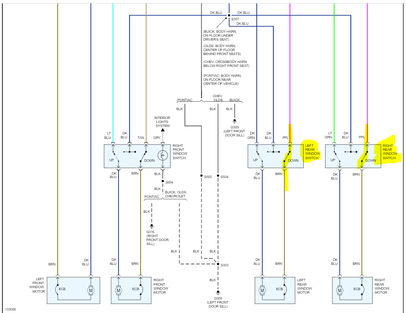
I'm not sure which window it is, but to lower either of the rear windows, power is supplied via a purple wire to the motor. I need you to check if that wire has power when you try lowering it.

I attached the wiring schematic below for you so that you have a reference. Test for power and let me know.

Here is a link you may find helpful:

https://www.2carpros.com/articles/how-to-check-wiring

Take care,

Joe

See pics below.
Was this
answer
helpful?
Yes
No
Sunday, November 27th, 2022 AT 12:04 AM
Tiny
JABRAMO
  • MEMBER
  • 49 POSTS
It’s the passenger back window that isn’t working and with a test light I have power from the blue wire not the purple wire from the master control switch and the back door switch.
Was this
answer
helpful?
Yes
No
Sunday, November 27th, 2022 AT 4:35 AM
Tiny
JACOBANDNICKOLAS
  • MECHANIC
  • 110,194 POSTS
Hi,

Okay, we are dealing with the right rear. The dark blue wire shouldn't have power if you are checking it at the switch (before the power out to the motor). That goes to the lockout switch on the driver's switch. When you prevent the control of all windows with that switch, you are removing the ground preventing the circuit from being completed. Don't get confused with the fact there is a dark blue wire between the switch and the motor. That is power out to the motor from the switch. At the motor, you should have a dark blue wire and a brown wire.

If you have power at the light green wire at the right rear window switch but not the purple wire, you need to go to the master switch on the driver's side and check the purple out from the switch.

I suggest that because if there is no power to purple, either we have a broken wire or power out from the main switch isn't present. In that case, the master switch needs to be replaced. If there is power out from the master switch that doesn't make it to the right rear switch, there is an open in the circuit (broken wire or bad connection)

Let me know what you find or if you have questions.

Take care,

Joe
Was this
answer
helpful?
Yes
No
Sunday, November 27th, 2022 AT 6:16 PM

Please login or register to post a reply.