Thursday, June 27th, 2019 AT 2:48 PM
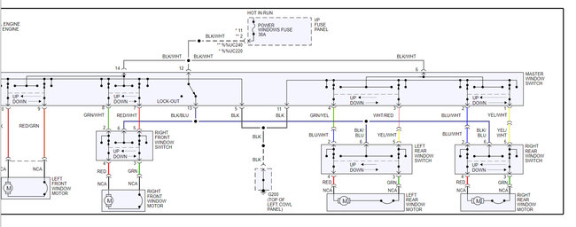
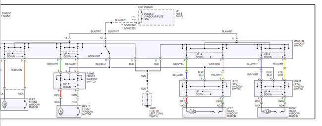
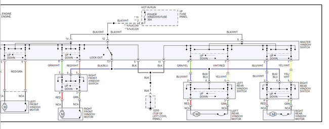
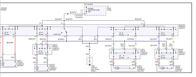
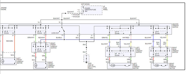
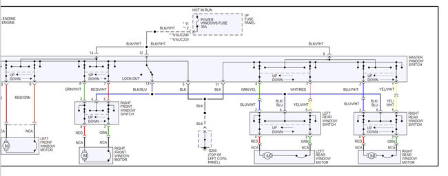
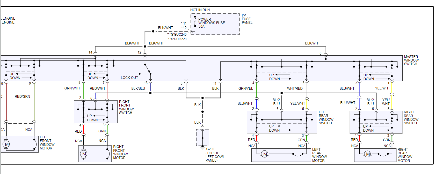
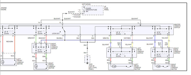
My issue is I have the car listed above without power windows. I also have a 1994 Escort with power windows. Engine in the 1994 is blown. I am swapping doors. Everything was good until I removed my 1996 switch panel and the main plug I need to get power to the doors is not there. I put in the harness that runs beneath the seat that runs to the doors. I removed the entire harness from the front of the 1994 including the fuse panel. The wiring is a confusing cluster. Please help!


