HOME
ASK A QUESTION
REPAIR GUIDES
BECOME A MEMBER
LOG IN
Login with Facebook
OR
Remember me
NOT A MEMBER?
FORGOT PASSWORD?
CONTACT US
PRIVACY POLICY
TERMS AND CONDITIONS
☰
Home
Chevrolet
El Camino
Body
Window
Wiring
Can I get the power window wiring schematic?
DOLLABILL25
MEMBER
1989 CHEVROLET EL CAMINO
V8
2WD
AUTOMATIC
200,000 MILES
I just need to know the wiring schematic for the power window switch driver and passenger side, please. Thank you
Saturday, April 13th, 2024 AT 7:35 AM
1 Reply
KEN L
MASTER CERTIFIED MECHANIC
55,158 POSTS
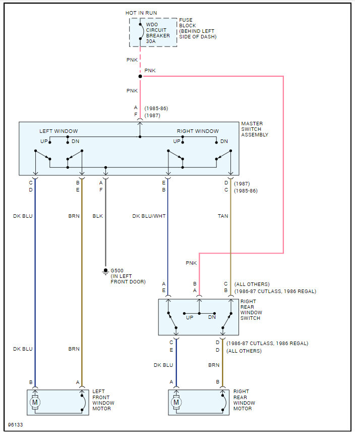
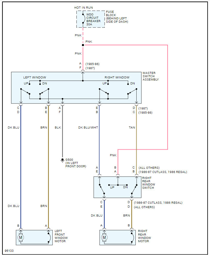
Sure, here are the wiring diagrams for the windows as you have requested, also I have included a guide to help you test the connections.
https://www.2carpros.com/articles/how-to-check-wiring
Check out the images (below). Let us know if you need anything else.
Image (Click to make bigger)
Was this
answer
helpful?
Yes
No
Saturday, April 13th, 2024 AT 12:02 PM
Please
login
or
register
to post a reply.
Related Window Wiring Content
1985 Chevy El Camino Power Window
How Do I Bench Test A New Motor For My Window. Each Motor Went Out Two Weeks Apart. First The Right Pass Side Then The Drivers Side. Test...
Asked by
mrkloving
·
1 ANSWER
1985
CHEVROLET EL CAMINO
Ask a Car Question. It's Free!
Window Switch Replacement and Test
Door Panel Removal
Door Lock Replacement