HOME
ASK A QUESTION
REPAIR GUIDES
BECOME A MEMBER
LOG IN
Login with Facebook
OR
Remember me
NOT A MEMBER?
FORGOT PASSWORD?
CONTACT US
PRIVACY POLICY
TERMS AND CONDITIONS
☰
Home
Pontiac
Sunfire
Body
Window
Switch
Power window diagram
JESSICA WINNEN
MEMBER
2004 PONTIAC SUNFIRE
5,000,000 MILES
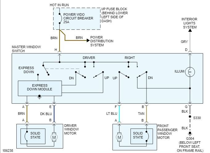
2 door center console mounted window switch. I need to know which wires go to which pins.
Thursday, June 4th, 2020 AT 9:45 AM
2 Replies
STEVE W.
MECHANIC
15,676 POSTS
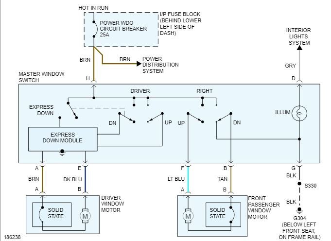
This is the schematic of the windows and the layout of the connector on the switch.
Images (Click to make bigger)
Was this
answer
helpful?
Yes
No
-1
Thursday, June 4th, 2020 AT 2:02 PM
KASEKENNY
MECHANIC
18,907 POSTS
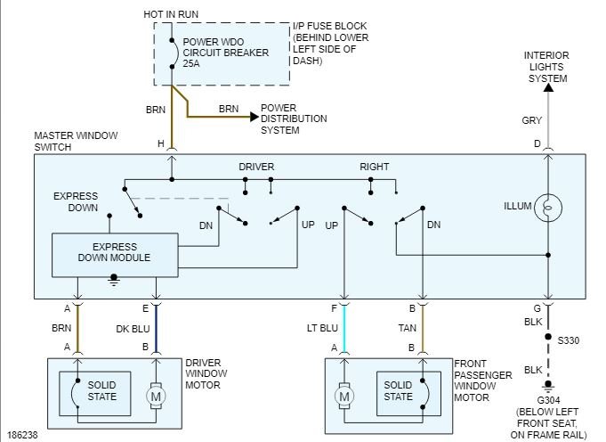
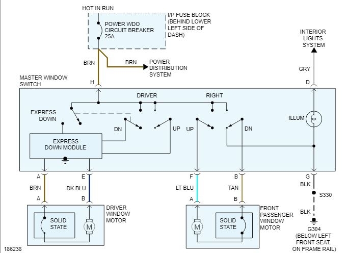
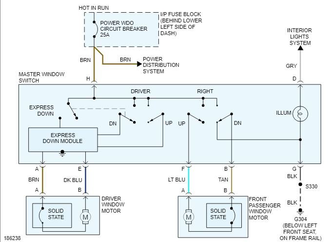
I attached all the info on this vehicle. Let me know if you need more info. Thanks for using 2CarPros.
Images (Click to make bigger)
Was this
answer
helpful?
Yes
No
+1
Thursday, June 4th, 2020 AT 2:08 PM
Please
login
or
register
to post a reply.
Related Window Switch Content
2002 Pontiac Sunfire Remove Window Crank
How Do You Remove The Window Crank On A 2002 Pontiac Sunfire? I Am Looking All Over And There Are A Lot Of Logs Referencing A Pin, I Do Not...
Asked by
javier80
·
1 ANSWER
2002
PONTIAC SUNFIRE
GUIDE
Window Control Switch Repair and Testing
A master window control switch is designed to supply power and ground to the various windows in the vehicle. Subsequent window control switches, for example on the passenger...
2001 Pontiac Sunfire 2001 Sunfire Power Window Relay?
I Lost Power To Two Of My Windows, Front Passenger And Rear Driver's. It Is A Four-door, If That Matters, As Far As The Back One Goes....
Asked by
redefire75
·
2 ANSWERS
2001
PONTIAC SUNFIRE
2003 Pontiac Sunfire Driverside Window
Interior Problem 2003 Pontiac Sunfire 4 Cyl Front Wheel Drive 135000 Miles The Drivers Side Window Goes Down Fine But Then Will Only...
Asked by
Brenda_Howell
·
2 ANSWERS
2003
PONTIAC SUNFIRE
License Plate Bulb?
How Do I Change The License Plate Bulb? And Where Is It Located
Asked by
Anonymous
·
1 ANSWER
1 IMAGE
2005
PONTIAC SUNFIRE
How Do You Remove The Moulding At The Body Line...
On This Vehicle With Convertible The Top Is Attached Via Or Underneath Moulding Strips. I Am Attempting To Replace Top But I Am Not Familiar...
Asked by
Daveandsammy
·
2 ANSWERS
1 IMAGE
1998
PONTIAC SUNFIRE
VIEW MORE
Ask a Car Question. It's Free!
Window Switch Replacement and Test
Door Panel Removal
Door Lock Replacement