Power top not working properly after setting in the sun for a while the top will start to go up and then stops

Tiny
RIVERSIDE BOB
  • MEMBER
  • 2008 CHRYSLER SEBRING
  • 2.7L
  • 6 CYL
  • 62,000 MILES
Sometimes the top is half way up some times the trunk won't shut after top is up.
Friday, June 17th, 2022 AT 5:52 AM

2 Replies

Tiny
KASEKENNY
  • MECHANIC
  • 18,907 POSTS
If this is only happening after the vehicle sits in the sun, then it is likely heat related.

Basically, when the top gets hot, there are times that electrical components fail.

So, let's confirm that this truly only happens when it is hot by moving the vehicle to a shady area when it is failed and when it cools down, does it operate normally?

If that is the case, then we need to check the voltage going from the TIPM to the module to find out if we are losing power from the TIPM.

The TIPM is basically a fuse box that has circuit boards and logic contained in it and these are very common to fail so we need to start with this.

https://www.2carpros.com/articles/how-to-check-wiring

The first wiring diagram is what we will need to check on the 3 fuse B+ wires should be 12 volts.

So, let's start with this and go from there. Thanks
Was this
answer
helpful?
Yes
No
Friday, June 17th, 2022 AT 7:51 PM
Tiny
JACOBANDNICKOLAS
  • MECHANIC
  • 110,194 POSTS
Hi,

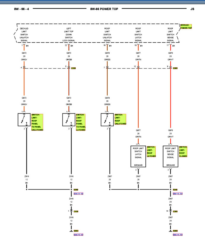
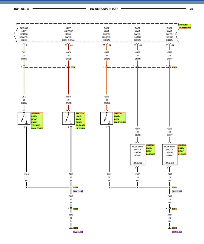
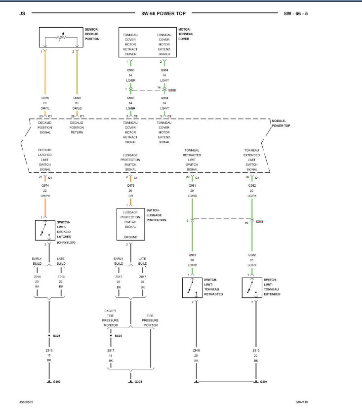
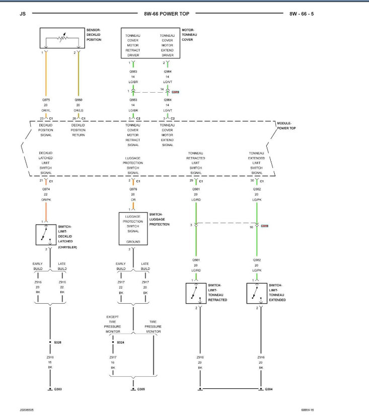
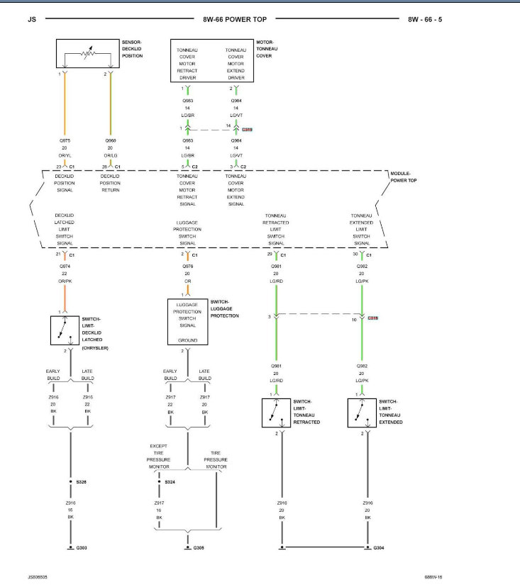
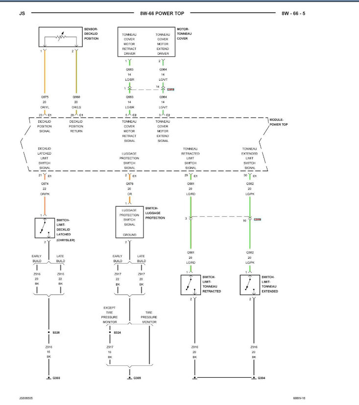
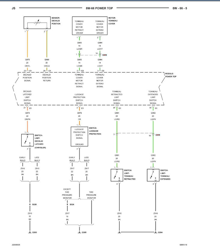
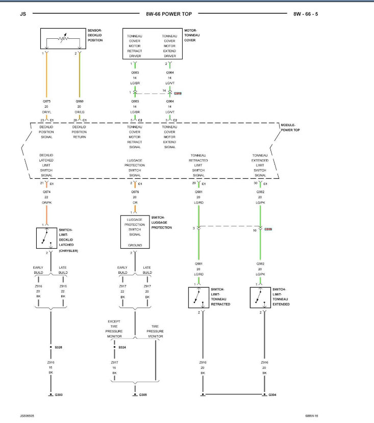
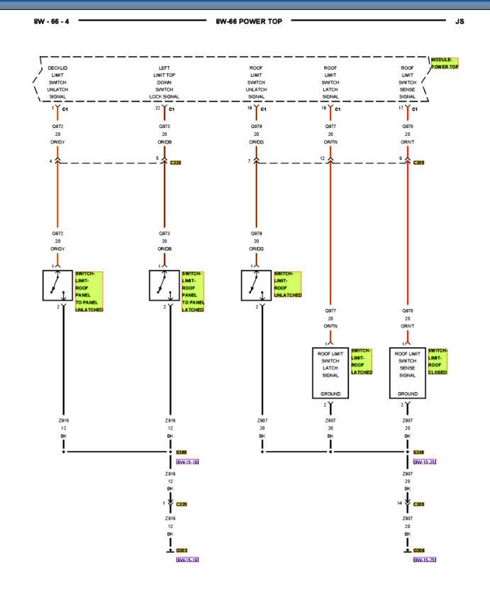
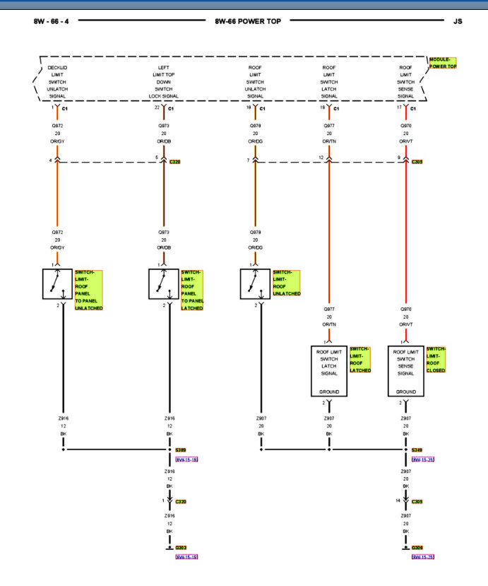
The first thing I suggest is to check the hydraulic level in the pump reservoir. It sounds like it may be low. If you look at the pics below, they provide the procedure for checking.

If the fluid is good, then what needs to be done is a can-scan. CAN stands for controller area network. Basically, all the different computers/modules are tied together via a few wires. This type of scan will retrieve codes regardless of the module storing them.

Here is a link that shows how it's done:

https://www.2carpros.com/articles/can-scan-controller-area-network-easy

The purpose of the scan is because the power top is controlled by a module. The module controls how far it opens, closes, the boot, and every operation of the top. If the fluid level is good, the scan should identify what is happening.

Let me know what you find.

Take care,

Joe

See pics below.
Was this
answer
helpful?
Yes
No
Friday, June 17th, 2022 AT 7:53 PM

Please login or register to post a reply.