Saturday, July 9th, 2022 AT 8:48 PM
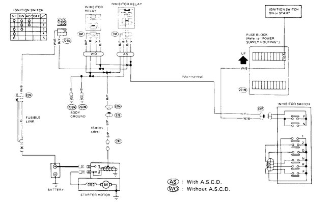
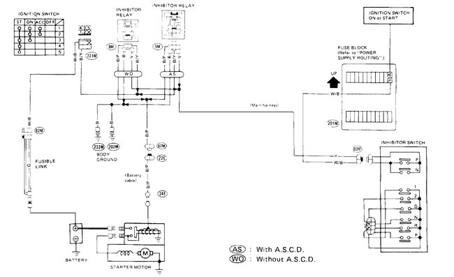
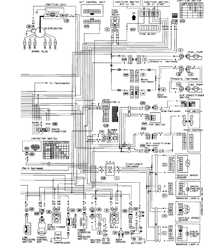
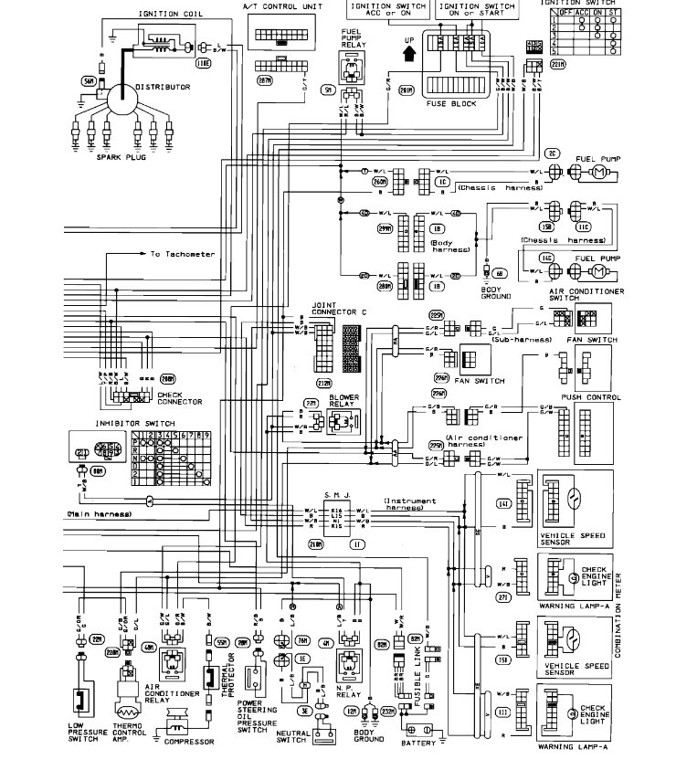
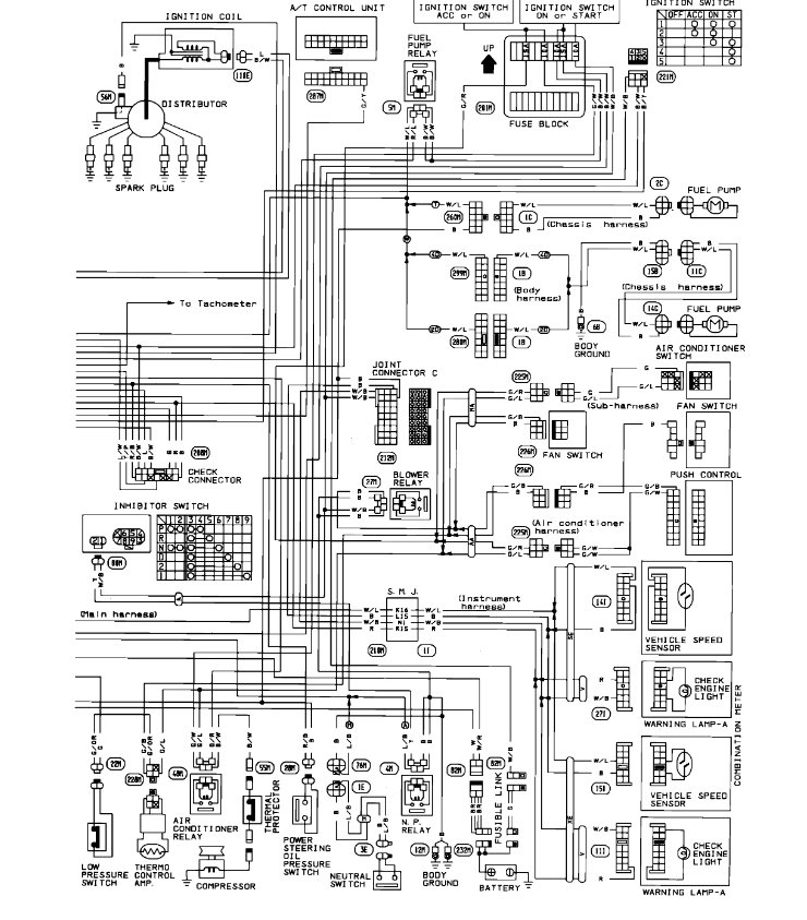
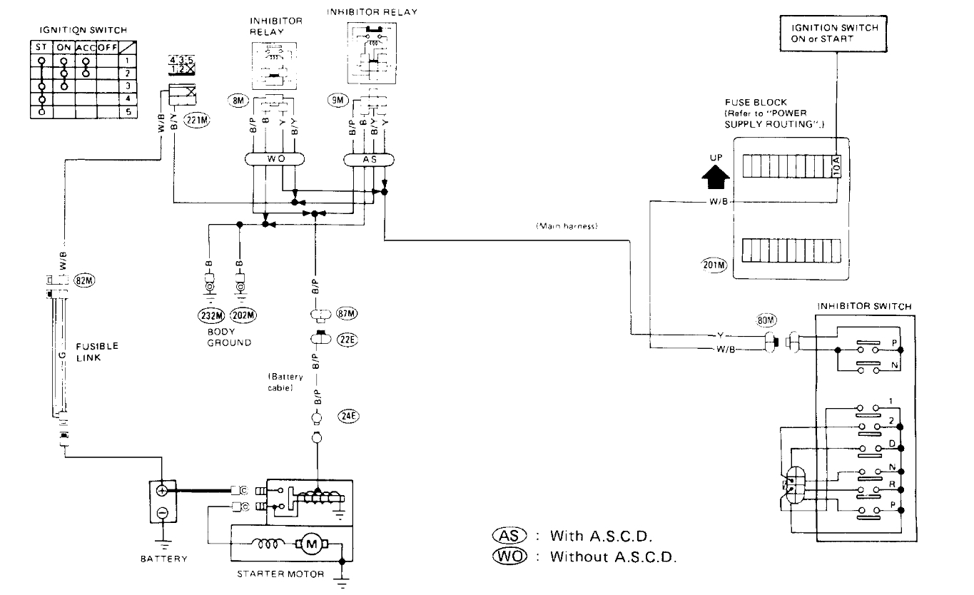
So, when I try to start it with the ignition, I turn it to the accessories, and you know I have no gas lights but my wipers and headlights work. Then when I turn it 'on" position to turn the car on all the power goes out; the headlights and wipers shut off until I let go of it and turn it back to accessories. I've checked all fuses and relays fusible links are good. Batteries charged. I'm stumped on what it could be. Any help would be very much appreciated. I bought the car for $80.00, so other than that, the tranmission doesn't work.





