power steering pump

2006 CHEVROLET SILVERADO
150,000 MILES • 0.8L • 4 CYL • 2WD • AUTOMATIC
Avatar
JASON MANUEL BROWN
  • MEMBER
  • 2 POSTS
a diagram of the pump or a demonstration.
Mar 5, 2021 at 8:25 AM
Repair Safety Notice: This information is for general instructional purposes only. Vehicle repair can be dangerous. Verify all information, follow manufacturer service procedures, use proper tools and safety equipment, and consult a qualified repair shop when needed.
Advertisement
Avatar
JACOBANDNICKOLAS
  • AUTOMOTIVE REPAIR CONTRIBUTOR
  • 110,190 POSTS
Hi,

I'm not sure which engine is in this vehicle, so I went with the most common, the 5.3L. If that isn't what you have, let me know.

I believe you are looking for directions for pump replacement. First, here is a link that shows in general how it's done. You can use this as a guide.

https://www.2carpros.com/articles/how-to-replace-a-power-steering-pump

Here are the directions specific to your vehicle. The pics below correlate with the directions.

__________________________________________

2006 Chevy Truck Silverado 1500 2WD V8-5.3L VIN B HO
Power Steering Pump Replacement
Vehicle Steering and Suspension Steering Power Steering Power Steering Pump Service and Repair Removal and Replacement Power Steering Pump Replacement
POWER STEERING PUMP REPLACEMENT
Power Steering Pump Replacement (4.8L, 5.3L and 6.0L)

Removal Procedure
1. Remove the power steering pulley.
2. Raise the vehicle.


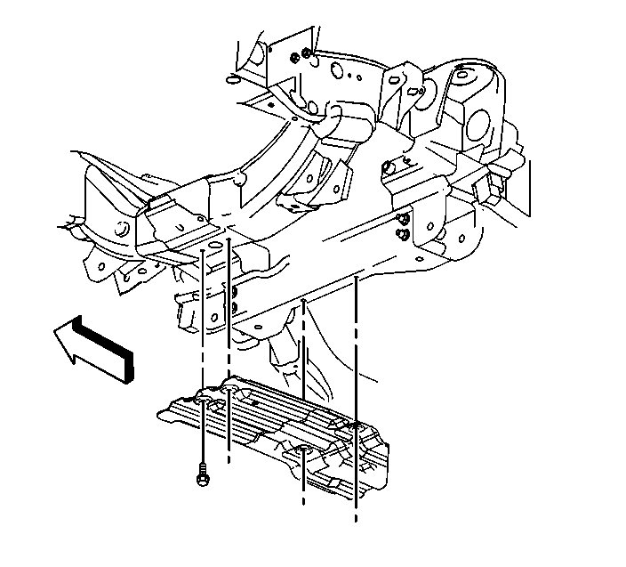
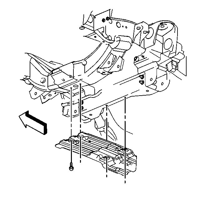
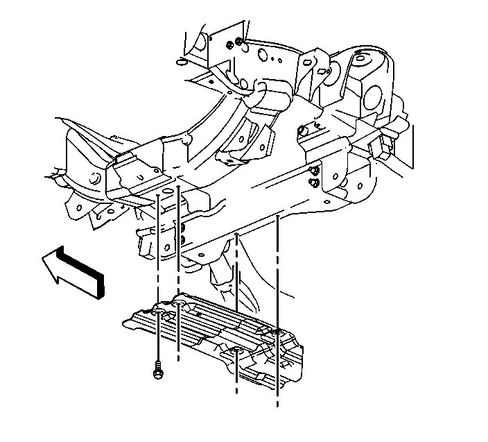
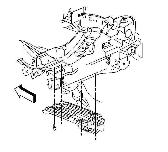
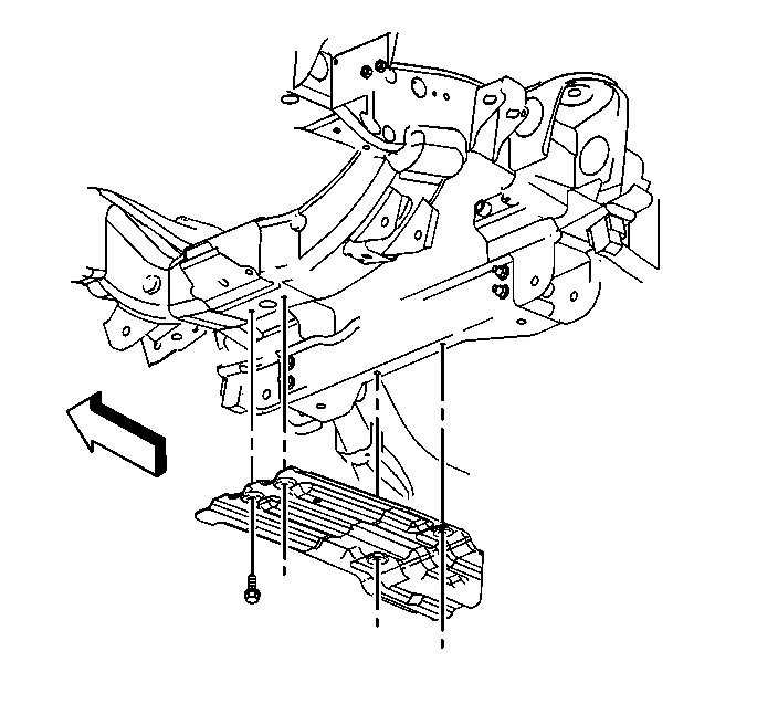
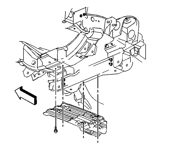
pic 1


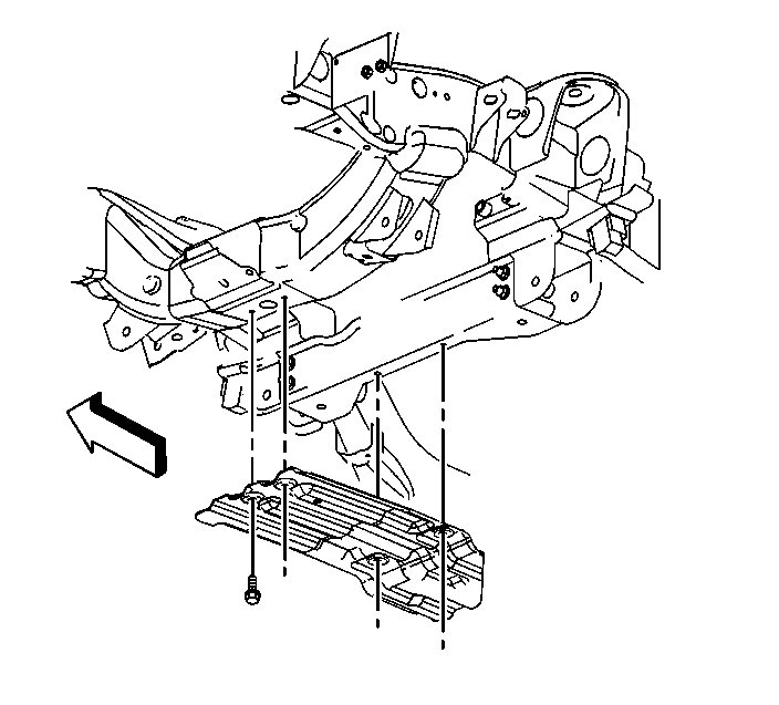
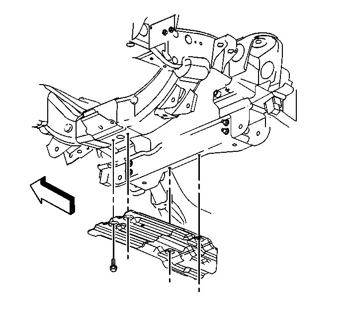
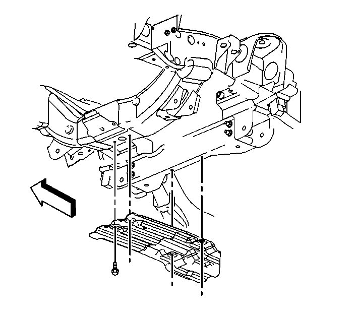
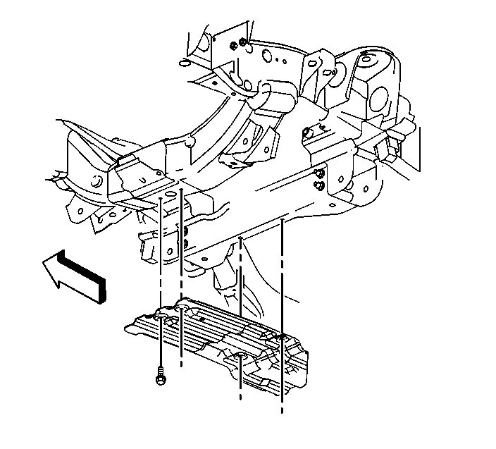
3. Remove the oil pan skid plate bolts.
4. Remove the oil pan skid plate from the vehicle, if equipped.
5. Place a drain pan under the vehicle.

pic 2


6. Remove the power steering pressure hose (2) from the power steering pump from underneath the vehicle.
7. Lower the vehicle.

pic 3


8. Remove the clamps (3,5) retaining the power steering return hoses to the power steering pump and remove the hoses.
9. Remove the lower intermediate shaft from the steering gear.


pic 4


10. Remove the bolt retaining the rear bracket to the engine.
11. Remove the bolts from the front of the pump.
12. Remove the pump from the vehicle.

pic 5


13. Remove the bracket (3) from the rear of the pump (1).

Installation Procedure

pic 6


1. Install the bracket (3) to the rear of the pump (1).
^ Tighten the rear bracket retaining nuts to 50 Nm (37 ft. lbs.).

Notice: Refer to Fastener Notice in Service Precautions.



pic 7


2. Install the power steering pump.
3. Install the bolt retaining the rear bracket to the engine.
^ Tighten the rear power steering bracket bolt to engine bracket to 50 Nm (37 ft. lbs.).
4. Install the bolts to the front of the pump.
^ Tighten the bolts to 50 Nm (37 ft. lbs.).


pic 8


5. Install the power steering pump return hoses (2,4) to the power steering pump and install the retaining clamps.
6. Raise the vehicle.


pic 9


7. Install the power steering pressure hose (2) to the power steering pump.
^ Tighten the fitting to 28 Nm (20 ft. lbs.).


pic 10


8. Install the oil pan skid plate, if equipped.
9. Install the oil pan skid plate bolts.
^ Tighten the retaining bolts to 20 Nm (15 ft. lbs.).
10. Lower the vehicle.
11. Install the intermediate shaft.
12. Install the power steering pulley.
13. Fill and bleed the system.

_______________________________

You will need to remove the pulley. Here is a video that shows how it's done:

https://youtu.be/MtHG4y_rdMI

Also, here is a video showing it on a Chevrolet Tahoe. It will be very similar.

https://youtu.be/EXDysSOs07g

I hope this is what you needed and it helps. Let me know if you have other questions.

Take care and God Bless,

Joe
Mar 5, 2021 at 9:29 PM
Advertisement