Power steering hose and A/C evaportator core

Tiny
TOYPACIFIC
  • MEMBER
  • 2003 TOYOTA HIGHLANDER
  • 4 CYL
  • 2WD
  • AUTOMATIC
  • 1,700,000 MILES
Hi, back again with some questions.

first I would like to know the location of the A/C evaperator and expansion valve, I had changed out condenser compressor, I know its under the dash but can I get a better diagram as to where exactly? And how to get to it,

second question.
power steering is leaking from the bottom hose, what hose would that be, a pressure hose or returning? I ordered a pressure hose ill add to the picture but I need one for the bottom behind right below the rear of the engine.


by the way is there a way website that I can search up parts location in my vehicles, I had gone through the owners manual no where did it show the location of A/C evaporator. Or maybe I didn't see it or maybe that's not where to look for it, maybe online service information?

greatly appreciate your time.
Friday, September 18th, 2020 AT 6:45 PM

11 Replies

Tiny
DANNY L
  • MECHANIC
  • 5,648 POSTS
Hello, I'm Danny.

Unfortunately we can't do it like this. You will have to ask 2 separate questions. Be sure to use all your vehicle information. Here is the link:

https://www.2carpros.com/questions/new

Hope this helps and we'll be looking for your questions. Sorry, this is just the way it works. Thanks for using 2CarPros.
Was this
answer
helpful?
Yes
No
+1
Friday, September 18th, 2020 AT 8:11 PM
Tiny
JACOBANDNICKOLAS
  • MECHANIC
  • 110,194 POSTS
Hi,

The line you have above appears to be a high pressure hose. Is that the one that leaks?

Also, as Danny mentioned, please repost the other question regarding the condenser. We try to keep posts specific to one issue. It helps others in the future.

Let me know.
Joe
Was this
answer
helpful?
Yes
No
Friday, September 18th, 2020 AT 8:21 PM
Tiny
TOYPACIFIC
  • MEMBER
  • 159 POSTS
The one that is leaking is at the bottom of the engine towards the rear of engine.
Was this
answer
helpful?
Yes
No
Friday, September 18th, 2020 AT 9:05 PM
Tiny
TOYPACIFIC
  • MEMBER
  • 159 POSTS
Understood my apologies. I will redo the questions accordingly to the subject.
Was this
answer
helpful?
Yes
No
Friday, September 18th, 2020 AT 9:07 PM
Tiny
JACOBANDNICKOLAS
  • MECHANIC
  • 110,194 POSTS
We appreciate that. Honestly, we don't like asking, but it does help others in the future. We just hope you understand.

Looking at the hose and where you say it goes, it sounds like the pressure hose. Often times, the return line will have a standard type hose that can even be clamped on.

Let us know if we can help.

Take care,
Joe
Was this
answer
helpful?
Yes
No
Friday, September 18th, 2020 AT 9:11 PM
Tiny
TOYPACIFIC
  • MEMBER
  • 159 POSTS
Yes, I might have to get that hose in and match it up, then go from there. I might have purchased the wrong hose due to the problem being in the wrong place, and the hose I purchased didn't come with a return hose so possibly is for the upper part by the reservoir. Thank you anyway and I appreciate your time.
Was this
answer
helpful?
Yes
No
Friday, September 18th, 2020 AT 9:17 PM
Tiny
TOYPACIFIC
  • MEMBER
  • 159 POSTS
  • 2003 TOYOTA HIGHLANDER
  • 4 CYL
  • 2WD
  • AUTOMATIC
  • 170,000 MILES
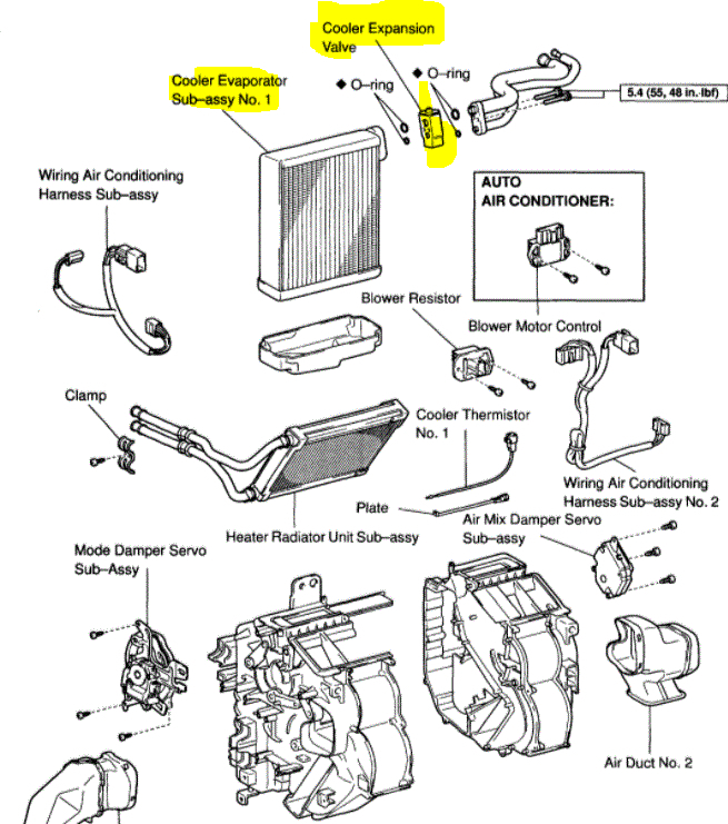
So I have changed out the 1662744 condenser and compressor, but i'm curious as to where exactly the evaporator and expansion valves are located. I believe it is under the dash but I need some help getting to it. Is there a diagram of sort I can follow. I tried looking online and owners manual but couldn't seem to find any links to location.
I appreciate your help in advance.
Was this
answer
helpful?
Yes
No
Saturday, September 19th, 2020 AT 12:21 PM (Merged)
Tiny
JACOBANDNICKOLAS
  • MECHANIC
  • 110,194 POSTS
Hi,

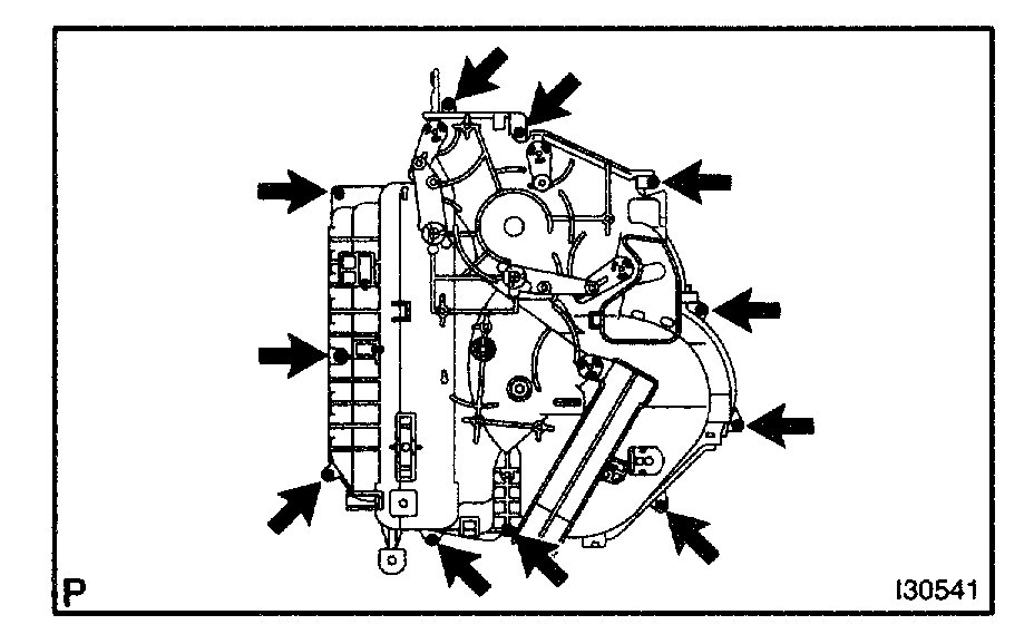
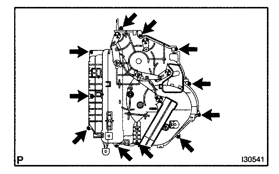
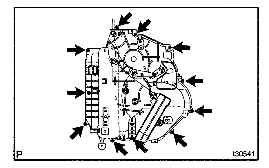
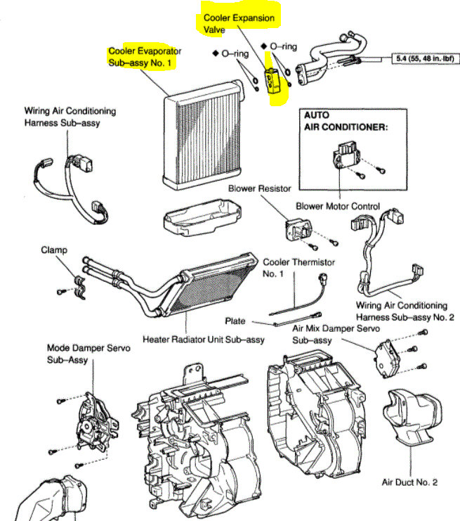
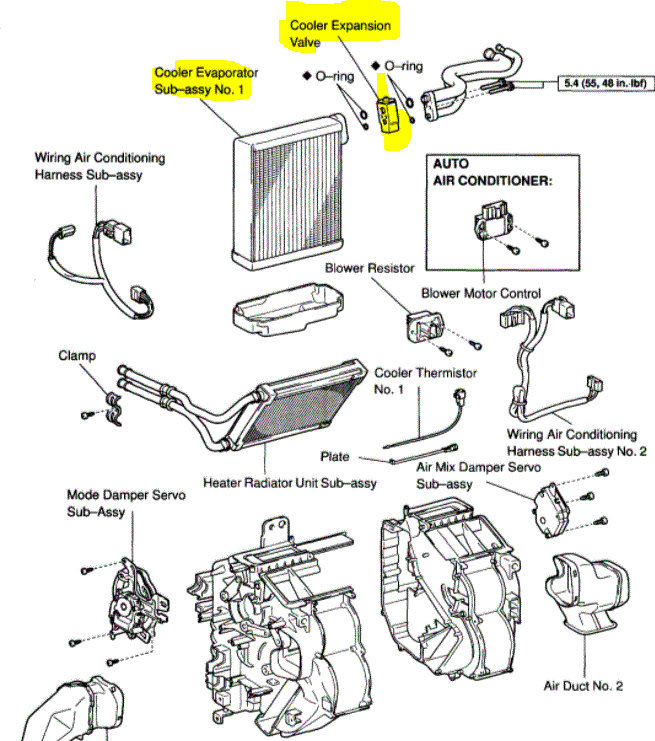
The evaporator and expansion valve are under the dash and take a lot of work to access. If you look at pic 1, it shows the two components.

____________________________

Here are the directions to remove and replace.

2003 Toyota Truck Highlander 2WD L4-2.4L (2AZ-FE)
Air Conditioning Radiator Assy
Vehicle Heating and Air Conditioning Evaporator Case Service and Repair Procedures Air Conditioning Radiator Assy
AIR CONDITIONING RADIATOR ASSY
Heater And Air Conditioner

pic 2

Heater And Air Conditioner

pic 3

Heater & Air Conditioner

pic 4

Heater & Air Conditioner

pic 5

OVERHAUL

1. DRAIN HFC-134A (R134A)

pic 6

2. SEPARATE COOLER REFRIGERANT SUCTION PIPE NO.1
a. Install SST to piping clamp.
SST 09870-00015

HINT: Confirm the direction of the piping clamp claw and SST using the illustration showing on the caution label.

Pic 7

b. Push down the SST and release the clamp lock.

NOTE: Be careful not to deform the tube, when pushing SST.

C. Pull SST slightly and push the release lever, then remove the piping clamp with SST.

Pic 8

d. Disconnect the cooler refrigerant suction hose No.1.

NOTE:
- Do not use tools like screwdriver to remove the tube.
- Cap the open fittings immediately to keep moisture or dirt out of the system.

3. SEPARATE COOLER REFRIGERANT LIQUID PIPE A
a. Disconnect in the same way as the cooler refrigerant suction hose No.1.

SST 09870-00025

pic 9

4. SEPARATE HEATER OUTLET WATER HOSE
a. Slide the clip and disconnect the heater outlet water hose.

5. SEPARATE HEATER INLET WATER HOSE
a. Slide the clip and disconnect the heater inlet water hose.

6. REMOVE INSTRUMENT PANEL SAFETY PAD SUB-ASSY

SST 09950-50013 (09951-05010, 09952-05010, 09953-O5020, 09954-05021)

HINT: Refer to the instructions for removal of the instrument panel safety pad sub-assy.

Pic 10

7. SEPARATE STEERING COLUMN ASSY
a. Remove the 2 bolts and 2 nuts, disconnect the steering column assy from the instrument panel reinforcement assy.

8. SEPARATE FLOOR SHIFT ASSY

pic 11

a. Remove the 2 nuts and disconnect the shift cable.

Pic 12

b. Remove the 4 nuts and disconnect transmission floor shift assy.

Pic 13

9. REMOVE AIR DUCT REAR NO.2
a. Remove the side scuff plate.
B. Remove the floor carpet.

HINT: Turn up the floor carpet to a certain extent so that the air duct rear No.2 can be remove.

C. Remove the air duct rear No.2.

10. REMOVE AIR DUCT REAR NO.1

HINT: Remove it in the same way with the air duct rear No.2.

Pic 14

11. REMOVE INSTRUMENT PANEL BRACE SUB-ASSY NO.1
a. Disconnect the connector clamp.
B. Remove the 3 bolts, 2 nuts and instrument panel brace sub-assy No.1.

Pic 15

12. REMOVE INSTRUMENT PANEL BRACE SUB-ASSY NO.2
a. Remove the 2 bolts, 2 nuts and instrument panel brace SUB-Assy No.2.

Pic 16

13. SEPARATE ECM
a. Remove the 2 nuts, disconnect the ECM.

Pic 17

14. SEPARATE MULTIPLEX NETWORK BODY ECU
a. Remove the 2 nuts and multiplex network body ECU.

Pic 18

15. SEPARATE INSTRUMENT PANEL JUNCTION BLOCK ASSY
a. Remove the bolt and 2 nuts, disconnect the instrument panel junction block assy.

Pic 19

16. SEPARATE SKID CONTROL ECU ASSY
a. Remove the 2 nuts and disconnect the skid control ECU assy.

Pic 20

17. REMOVE INSTRUMENT PANEL REINFORCEMENT ASSY
a. Remove the 5 bolts, 4 nuts and instrument reinforcement assy.

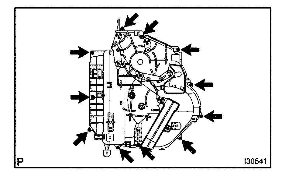
18. REMOVE AIR CONDITIONER UNIT ASSY

pic 21

a. Disconnect the connector and clamp.

Pic 22

b. Disconnect the connectors connecting the wiring air indicator harness sub-assy and vehicle harness.
C. Remove the 3 bolts, 2 nuts and air conditioner unit assy.

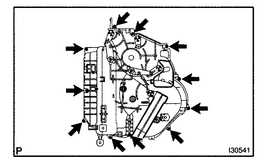
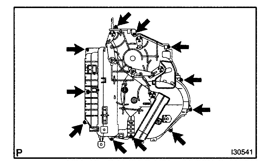
19. REMOVE AIR CONDITIONING RADIATOR ASSY
a. Remove the screw, disconnect the connected part of the duct and take off the air duct No.2.

Pic 23

b. Remove the 4 screws and bracket.
C. Disconnect the connection between the blower assy and the air conditioner radiator assy and remove the latter assy.

Pic 24

20. REMOVE AIR DUCT NO.1
a. Release the 3 claw fittings, remove the air duct No.1.

Pic 25

21. REMOVE HEATER TO REGISTER DUCT CENTER
a. Release the 4 claw fittings, remove the heater to register duct center.

Pic 26

22. REMOVE MODE DAMPER SERVO SUB-ASSY
a. Remove the 3 screws and mode damper servo sub-assy.

Pic 27

23. REMOVE WIRING AIR CONDITIONING HARNESS SUB-ASSY
a. Remove the air conditioning harness sub-assy from the air conditioner radiator assy.

Pic 28

24. REMOVE AIR MIX DAMPER SERVO SUB-ASSY
a. Remove the 3 screws and airmix damper servo sub-assy.

Pic 29

25. REMOVE HEATER RADIATOR UNIT SUB-ASSY
a. Remove the screw and clamp.
B. Remove the heater radiator unit sub-assy from the air conditioner radiator assy.

26. REMOVE COOLER THERMISTOR NO.1

pic 30

27. REMOVE BLOWER MOTOR CONTROL (AUTO AIR CONDITIONER)
a. Remove the 2 screws and blower motor control.

28. REMOVE BLOWER RESISTOR (MANUAL AIR CONDITIONER)
a. Remove the 2 screws and blower resistor.

29. REMOVE WIRING AIR INDICATOR HARNESS SUB-ASSY NO.2
a. Remove the wiring air indicator harness sub-assy No.2 from the blower motor control.

Pic 31

30. REMOVE COOLER EXPANSION VALVE
a. Using a hexagon wrench 4 mm, remove the 2 hexagon bolts and cooler expansion valve.
B. Remove the 2 O-rings from the air conditioner tube assy.

Pic 32

31. REMOVE COOLER EVAPORATOR SUB-ASSY NO.1
a. Remove the 11 screws and disassemble the air conditioner radiator assy.
B. Remove the cooler evaporator sub-assy No.1 from the air conditioner radiator assy.
C. Remove the 2 O-rings from the cooler evaporator sub-assy No.1.

Pic 33
32. INSTALL COOLER EVAPORATOR SUB-ASSY NO.1
a. Install the cooler evaporator No.1 to the air conditioner radiator assy.
B. Reassemble the air conditioner radiator assy with 11 screws.

Pic 34

33. INSTALL COOLER EXPANSION VALVE
a. Apply compressor oil to the contact surfaces of 2 new 0-rings and the air conditioner tube assy and install them.
Compressor oil: ND-OIL 8 or equivalent
b. Using a hexagon wrench 4, install the cooler expansion valve and 2 hexagon bolts to the cooler evaporator No.1.
Torque: 5.4 N.M (55 kgf. Cm, 48 in. Lbf)

pic 35

34. INSTALL AIR CONDITIONER UNIT ASSY
a. Install the air conditioner unit assy with the 3 bolts and 2 nuts.
Torque: 9.8 N.M (100 kgf. Cm, 87 in. Lbf)
b. Connect the connectors connecting the wiring air indicator No.2 harness and vehicle harness.

Pic 36

c. Install the connector and clamp.

Pic 37

35. INSTALL INSTRUMENT PANEL REINFORCEMENT ASSY
a. Install the instrument panel reinforcement assy, 5 bolts and 4 nuts.
Torque: 29 N.M (300 kgf. Cm, 21 ft. Lbf)

pic 38

36. INSTALL SKID CONTROL ECU ASSY
a. Install the 2 nuts and skid control ECU assy.
Torque: 5.0 N.M (50 kgf. Cm, 43 in. Lbf)

pic 39

37. INSTALL INSTRUMENT PANEL JUNCTION BLOCK ASSY
a. Install the instrument panel junction block assy, bolt and 2 nuts.
Torque: 8.4 N.M (86 kgf. Cm, 74 in. Lbf)

pic 40

38. INSTALL ECM
a. Install the ECM and 2 nuts.
Torque: 5.5 N.M (56 kgf. Cm, 49 in. Lbf)

pic 41

39. INSTALL INSTRUMENT PANEL BRACE SUB-ASSY NO.2
a. Install the instrument panel brace sub-assy No.2, 2 bolts and 2 nuts.
Torque: 29 N.M (300 kgf. Cm, 21 ft. Lbf)

pic 42

40. INSTALL INSTRUMENT PANEL BRACE SUB-ASSY NO.1
a. Install the instrument panel brace sub-assy No.1, 2 bolts and 2 nuts.
Torque: 29 N.M (300 kgf. Cm, 21 ft. Lbf)

pic 43

41. INSTALL FLOOR SHIFT ASSY
a. Install the 4 nuts and floor shift assy.
Torque: 20 N.M (200 kgf. Cm, 14 ft. Lbf)

pic 44

b. Install the 2 nuts and shift cable.
Torque: 20 N.M (200 kgf. Cm, 14 ft. Lbf)

pic 45

42. INSTALL STEERING COLUMN ASSY
a. Install the steering column assy, 2 bolts and 2 nuts.
Torque: 21 N.M (210 kgf. Cm, 15 ft. Lbf)

43. INSTALL INSTRUMENT PANEL SAFETY PAD SUB-ASSY

pic 46

44. INSTALL COOLER REFRIGERANT SUCTION PIPE NO.1
a. Lubricate new O-ring with compressor oil and install them to the hose.
Compressor oil: ND-OIL 8 or equivalent

b. Install the cooler refrigerant suction hose No.1 and piping clamp.

HINT: After connection, check the fitting for claw of the piping clamp.

45. INSTALL COOLER REFRIGERANT LIQUID PIPE A

HINT: Install in the same way as the cooler refrigerant suction pipe No.1.

46. ADD COOLANT

1MZ-FE:
2AZ-FE:

47. CHECK ENGINE COOLANT LEAK

48. CHARGE REFRIGERANT

49. WARM UP ENGINE

50. INSPECT LEAKAGE OF REFRIGERANT

_________________________________________________________

Let me know if this helps.

Joe
Was this
answer
helpful?
Yes
No
Saturday, September 19th, 2020 AT 12:21 PM (Merged)
Tiny
TOYPACIFIC
  • MEMBER
  • 159 POSTS
Man your awesome, but holy cow, what the heck I gotta take all this off lol.
Bless my heart. I guess it is what it is lol. Thank you very very much by the way in the future is there a website to look up these diagrams or a service access to look up diagrams of other vehicles? Of course I would still use your services but I would also like to just type the VIN and model year and get this same diagram, but if not its all good I really do appreciate your help.

Thank you and stay safe.
Was this
answer
helpful?
Yes
No
Saturday, September 19th, 2020 AT 12:21 PM (Merged)
Tiny
JACOBANDNICKOLAS
  • MECHANIC
  • 110,194 POSTS
Hi,

There are sites that offer directions, diagnostic info, schematics, and so on, but they charge to use them.

We use Alldata and Prodemand. Both are excellent.

I hope this helps.

Take care and if possible, let me know how things turn out for you.

Joe
Was this
answer
helpful?
Yes
No
Saturday, September 19th, 2020 AT 12:21 PM (Merged)
Tiny
TOYPACIFIC
  • MEMBER
  • 159 POSTS
Joe, thank you much, very much appreciated. I will get back to you on that power steering.

Good day
Was this
answer
helpful?
Yes
No
Saturday, September 19th, 2020 AT 12:21 PM (Merged)

Please login or register to post a reply.