Power steering pump replacement instructions please?

Tiny
JENNY GILYAN
  • MEMBER
  • 2006 SAAB 9-3
  • 99,000 MILES
The line had leak. Replaced and bled. Then pump went out replaced pump. Repeated steps. Took for test drive. Ran fine. And steered fine then pump locked up. I have Replaced pump twice still locking up.
Sunday, May 27th, 2018 AT 10:48 AM

8 Replies

Tiny
JACOBANDNICKOLAS
  • MECHANIC
  • 110,192 POSTS
Hi Jenny and thanks for using 2CarPros. Com. If you are purchasing a rebuilt unit, the company may be having issues. As far as install, I have attached the directions specific to your vehicle. Also, there are two different engines available for you vehicle so I will attach pictures of both. Read through the directions and make sure you are not missing a step. If you are not, I would try a different brand pump.

The first set of directions are for the 2.0L Turbo, as well as the first three pictures.

2006 Saab 9-3 (9440) L4-2.0L Turbo (2.0 T)
Vehicle  Steering and Suspension  Steering  Power Steering Pump  Service and Repair
SERVICE AND REPAIR
Power steering pump, B207 petrol engine
Important: Scrupulous cleanliness must always be observed during all work with hydraulic components.
To remove
Detach the return hose, wipe up any fluid spill with a cloth and plug the reservoir pipe using 82 92 955 Plugs, spare part kit. Suspend the hose so that fluid does not run out.
Remove the electrical connection of the pressure sensor.
Remove the delivery pipe from the pump. Wipe up any oil spill with a cloth.
Remove the pump. Some engine oil may run out.
Empty the fluid from the pump.
To fit
Fit the pump using a new gasket.
Tightening torque 22 Nm (16 ft. Lbs.)
Connect the return hose.
Connect the delivery line using new gaskets.
Tightening torque 32 Nm (24 ft. Lbs.)
Connect the electrical connection of the pressure sensor.
Fill with fluid and bleed the power steering system. Check for leaks.

THESE ARE FOR THE 2.8L as well as the remaining pictures.

CONVERSION CALCULATOR

2006 Saab 9-3 (9440) V6-2.8L Turbo
Vehicle  Steering and Suspension  Steering  Power Steering Pump  Service and Repair  Power Steering Pump
POWER STEERING PUMP
Power steering pump, B284
To remove
Remove Drive belt, auxiliary.
Remove pipe, mass air flow sensor and hose from the turbo.
Remove the upper engine cover
Remove the turbo delivery pipe.
Raise the car.
Remove the turbo delivery pipe and the bolt securing the turbo delivery pipe to the AC compressor.
Lower the car to the floor.
Remove the turbo delivery pipe bolts on the front of the engine.
Remove the battery cover and radiator pipe.
Remove the upper radiator mounting from the radiator member.
Press forward the radiator and remove the turbo delivery pipe.
Clamp the supply hose with 30 07 739 Hose pinch-off pliers.
Remove the delivery hose from the power steering pump, use 32 025 061 Special wrench.
Remove the supply hose from the power steering pump.
Remove the power steering pump, press forward the radiator and lift out the pump.

To fit
Fit the power steering pump.
Tightening torque 22 Nm (16 ft. Lbs.)
Fit the supply hose and remove the pliers.
Fit the delivery hose.
Tightening torque 30 Nm (22 ft. Lbs.)
Press forward the radiator and fit the turbo delivery pipe. (Do not fasten yet.)
Raise the car.
Fit the turbo delivery pipe to the AC compressor and connect the hose.
Lower the car to the floor.
Tighten the delivery pipe screws.
Fit the upper turbo delivery pipe.
Fit the radiator mountings.
Fit the pipe, mass air flow sensor and hose to the turbo.
Fit the upper engine cover.
Fit Drive belt, auxiliary.
Fit the radiator pipe and battery cover.
Fill with oil as specified and bleed the power steering system. Check for any leaks.

I hope this helps. Let me know if you have other questions.

Take care,
Joe
Was this
answer
helpful?
Yes
No
Sunday, May 27th, 2018 AT 8:34 PM
Tiny
JENNY GILYAN
  • MEMBER
  • 6 POSTS
Hi. Everything has been put back on correctly. The pump keeps locking up is there anything else that may be causing this. This is going to be the third pump. Thanks
Was this
answer
helpful?
Yes
No
Monday, May 28th, 2018 AT 9:40 AM
Tiny
JENNY GILYAN
  • MEMBER
  • 6 POSTS
Hi. Everything has been put back on correctly. The pump keeps locking up is there anything else that may be causing this. This is going to be the third pump. Thanks
Was this
answer
helpful?
Yes
No
Monday, May 28th, 2018 AT 10:20 AM
Tiny
JENNY GILYAN
  • MEMBER
  • 6 POSTS
It is a 2006 Saab 9-5 2.3 t.
Was this
answer
helpful?
Yes
No
Monday, May 28th, 2018 AT 10:33 AM
Tiny
JENNY GILYAN
  • MEMBER
  • 6 POSTS
There was a typo error on my part. It is a 2006 Saab 9.5. 2.3 turbo.
Was this
answer
helpful?
Yes
No
Tuesday, May 29th, 2018 AT 3:22 PM
Tiny
JACOBANDNICKOLAS
  • MECHANIC
  • 110,192 POSTS
Hi again. Honestly, other than a bad pump, I cannot see what would make it lock up unless when you reinstall the pulley on the new pump, you are hitting it with a hammer or putting it on too far. Here are specific directions related to the belt pulley install. Scan through them and let me know. These directions are specific to the new model you provided. Again, I can not over stress the need to avoid jarring the shaft. It can break or become bent and damaged very easily.

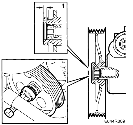
BELT PULLEY ON POWER STEERING PUMP
Belt Pulley On Power Steering Pump

To Remove
Detach the intake hose with mass air flow sensor and turn it to one side.
Use 83 95 254 Drawbar handle, hydraulic belt tensioner to relieve the strain on the belt tensioner and remove the belt.
Using 89 96 423 Puller, servo pump pulley, remove the pulley.
To Fit
Fit the new belt pulley on the shaft, using fitting tool 89 96 415.
The belt pulley should be fitted so that its hub is 3.0 mm beyond the edge of the pump shaft.
IMPORTANT: No load should be placed on the pump shaft. Do not pull the belt pulley too far in.
Use 83 95 254 Drawbar handle, hydraulic belt tensioner to relieve the strain on the belt tensioner and fit the belt. Check that the belt is correctly fitted on all pulleys.
Connect the intake hose with mass air flow sensor.

Drive the car on test to check pump performance and see if any leakage occurs.

Let me know your thoughts.

Take care,
Joe
Was this
answer
helpful?
Yes
No
Tuesday, May 29th, 2018 AT 7:01 PM
Tiny
JENNY GILYAN
  • MEMBER
  • 6 POSTS
He is using A pulley remover and installing tool. He said that the hose blew first time repaired hose using and kit for repairs bled system for an hours using lock to lock with engine off tires off ground. Then he said pump went out due to tires on ground steering tough to turn. Install pump and bled system and drove car and other hose blew on same line and just replaced the whole line and it ran low on fluid. So bled system test drove car and in ten minutes it started to turn hard. But since pump has warranty he is going to put another pump on it.
Was this
answer
helpful?
Yes
No
Tuesday, May 29th, 2018 AT 7:21 PM
Tiny
STEVE W.
  • MECHANIC
  • 15,671 POSTS
It sounds more like the problem is not in the pump. If it is blowing off pressure lines and then failing it sounds like the problem is in the steering rack itself. Either the valving is damaged or there is debris that is blocking flow. If the hoses failed due to age it is possible that some of the internal lining went into the lines and the steering itself. If it has a steering cooler it may also be partially blocked causing high pressure to damage the pump.
Was this
answer
helpful?
Yes
No
+1
Thursday, May 31st, 2018 AT 12:57 PM

Please login or register to post a reply.