power sliding door

2004 CHEVROLET VENTURE
160,000 MILES
Avatar
RICHARD SHIELDS
  • MEMBER
  • 1 POST
The power sliding door will not fully close. What is the nomenclature of the black plastic pin on the door?
Aug 22, 2017 at 8:48 AM
Repair Safety Notice: This information is for general instructional purposes only. Vehicle repair can be dangerous. Verify all information, follow manufacturer service procedures, use proper tools and safety equipment, and consult a qualified repair shop when needed.
Advertisement
Avatar
STRAILER
  • CAR REPAIR CONTRIBUTOR
  • 54,209 POSTS
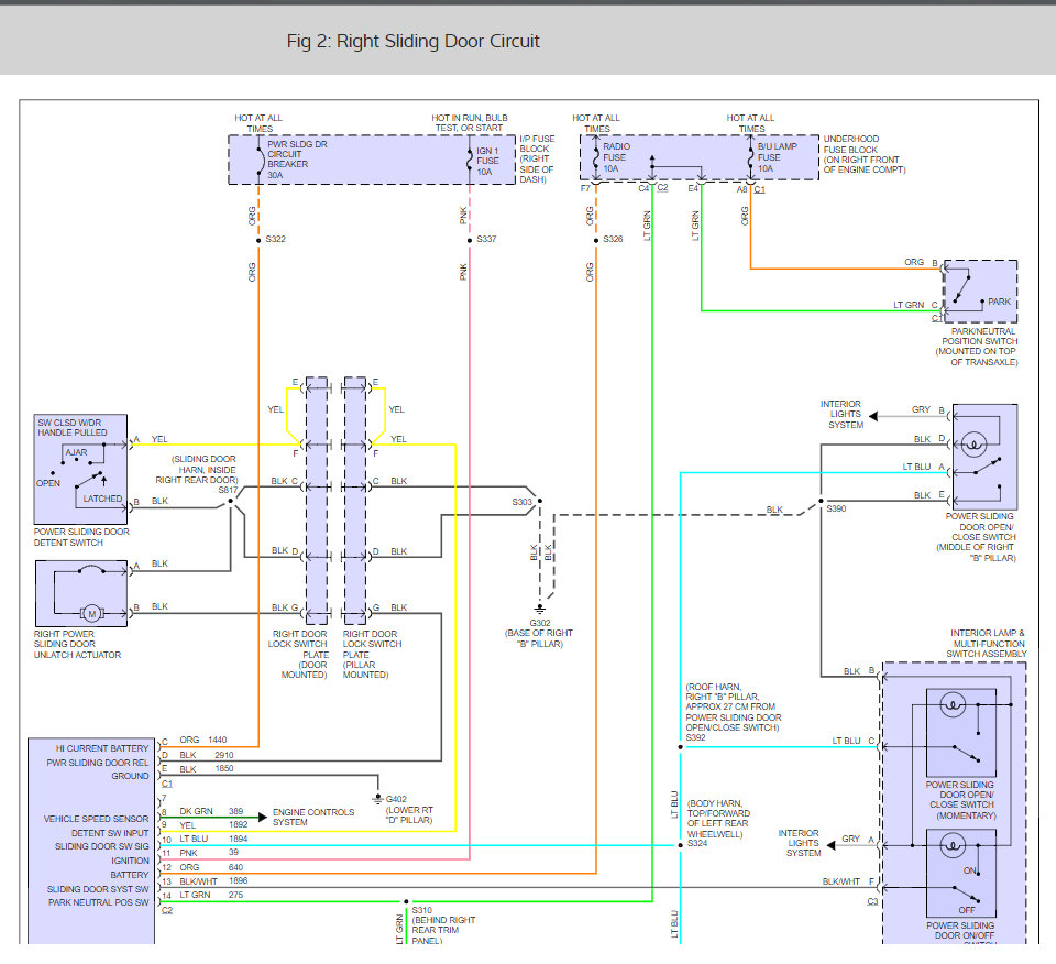
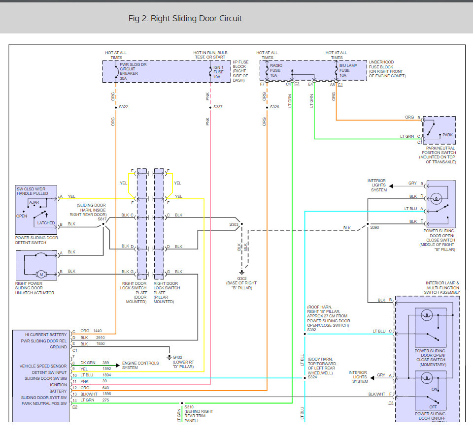
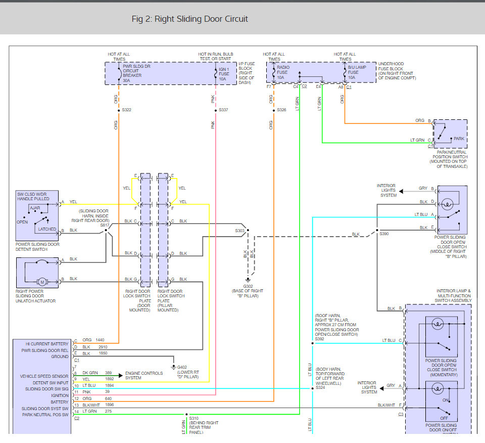
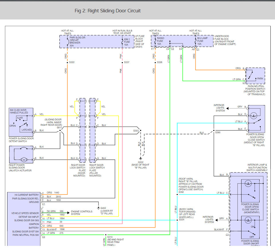
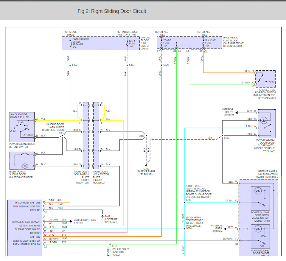
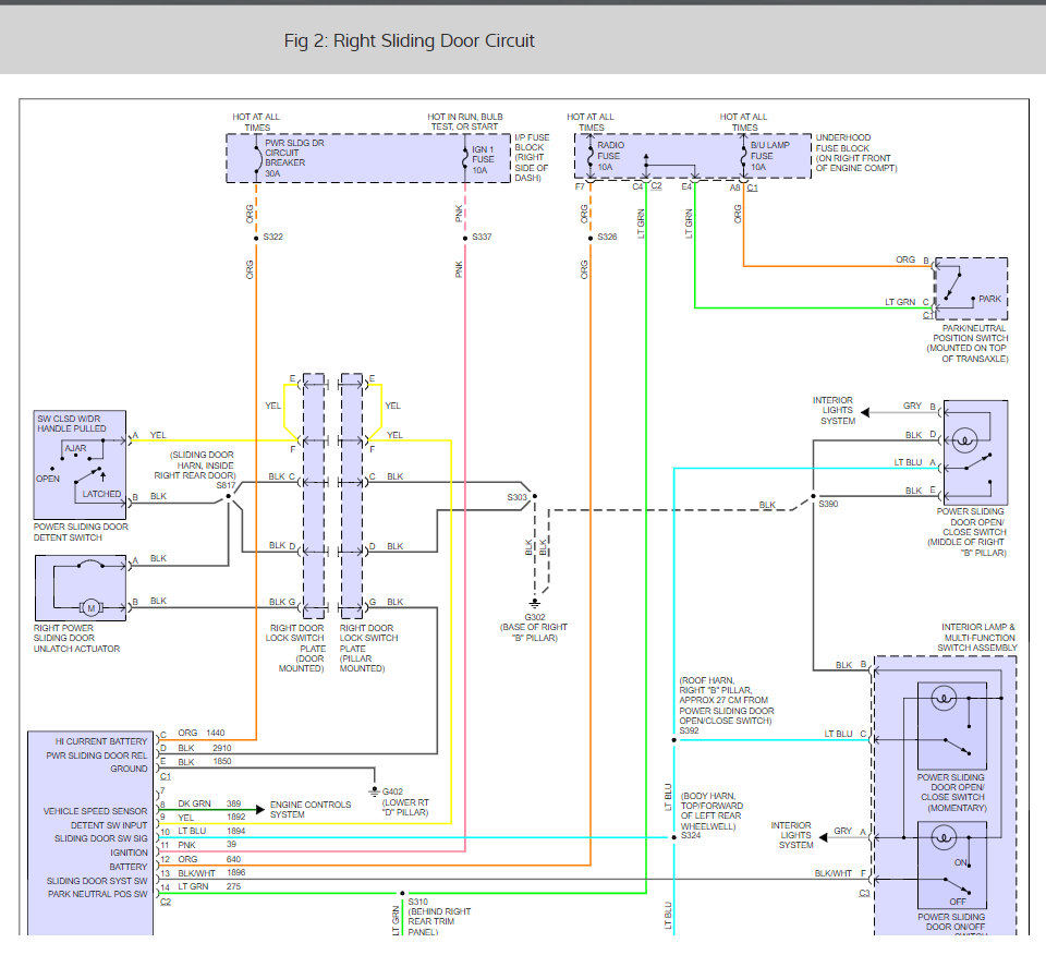
There is a clutch in the closing motor that sound like it is having a problem. Here are the wiring diagrams you needed to test the system also here is a guide to help as well.

https://www.2carpros.com/articles/how-to-use-a-test-light-circuit-tester

Please let us know what happens so it will help others.

Cheers, Ken
Aug 23, 2017 at 11:02 AM
Advertisement
Avatar
STEVE W.
  • CAR REPAIR CONTRIBUTOR
  • 15,148 POSTS
Does it close but not latch? Does it close if you push on it?
Aug 23, 2017 at 11:05 AM