The rear interior lights worked erratically. By the rear sear door panels. They are small left and right.
They would come on and off at random. I believe those lights are timed entry convenience lights. Don't know if there hooked into the alarm as well and the fob.
The map lights set into the rearview mirror are not working as well.
No dome light on a convertible.
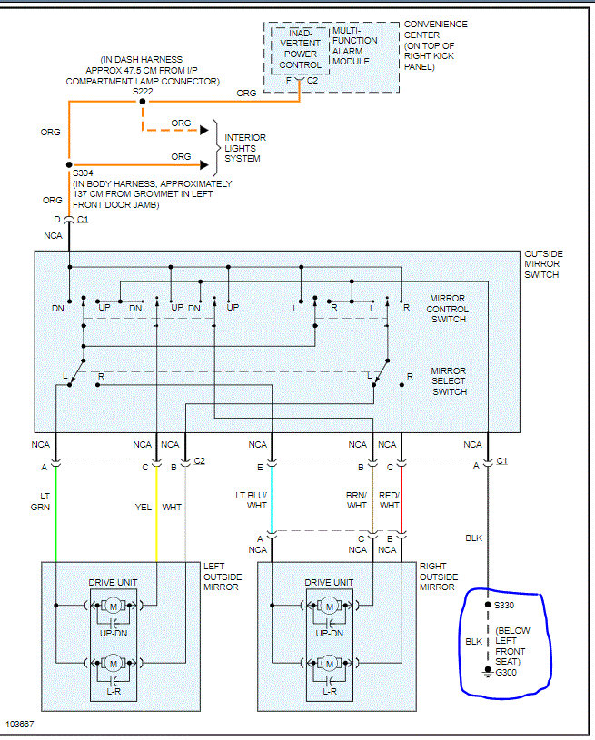
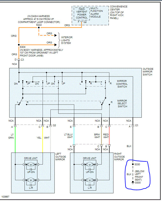
So the power side-view mirrors and interior lights quit at the same time.
I don't have power coming to them.
I changed the corresponding fuses.
Nothing changed.
I do not believe the alarm is functioning either.
Any help would be appreciated.
Wednesday, November 25th, 2020 AT 11:27 AM




