Power seat not working

Tiny
MICHAEL MORA
  • MEMBER
  • 2009 CHEVROLET TAHOE
  • 5.3L
  • V8
  • 2WD
  • AUTOMATIC
  • 140,000 MILES
My driver side power seat does not work. The memory and heated seats button does not work as well. What can it be? Please help!
Thursday, November 25th, 2021 AT 12:04 PM

14 Replies

Tiny
AL514
  • MECHANIC
  • 5,593 POSTS
Okay, are there indicator lights on the heated switch working?
Sorry, there are just a ton of wiring diagrams for this system,
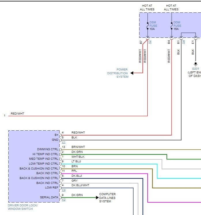
So, in green is the fuse for the driver side and in orange is the fuse for the passenger side. If you can check these to begin with,
The second diagram is (in green) the power supply and Ground "only" for the driver side Door Lock/Window Switch which runs to the Driver side Heated Seat Switch (3rd diagram). So, it may be an issue with the power supply or ground on just the driver side.

I have also added the Memory Seat Module diagram (fourth). It is located under the driver's seat. I think you may have a wiring issue here. If this module had failed, the passenger side would stop functioning as well. So, you may want to take a look under your seat and see if there's any wiring issues happening there, and because the power and control for the heated seat come from the Driver Door lock/Window Switch, you may want to check the wiring the comes from the door to the vehicle.
That rubber boot that runs between the door and frame. I believe your vehicle has this boot.
Was this
answer
helpful?
Yes
No
-1
Thursday, November 25th, 2021 AT 1:08 PM
Tiny
MICHAEL MORA
  • MEMBER
  • 8 POSTS
Both heater indicator lights don't work. Both fuses (ddm) and (pdm) look good.
Was this
answer
helpful?
Yes
No
Thursday, November 25th, 2021 AT 1:40 PM
Tiny
AL514
  • MECHANIC
  • 5,593 POSTS
The fuse on the right. What side is that from?
And the heater indicators from the passenger side don't work either?
Was this
answer
helpful?
Yes
No
Thursday, November 25th, 2021 AT 1:47 PM
Tiny
MICHAEL MORA
  • MEMBER
  • 8 POSTS
I'll check the wiring in between the door and under the seat in a little bit. I'll update you once I check. Thanks
Was this
answer
helpful?
Yes
No
Thursday, November 25th, 2021 AT 1:48 PM
Tiny
MICHAEL MORA
  • MEMBER
  • 8 POSTS
The right one was from the driver (ddm). Correct passenger side indicator not working.
Was this
answer
helpful?
Yes
No
Thursday, November 25th, 2021 AT 1:55 PM
Tiny
AL514
  • MECHANIC
  • 5,593 POSTS
Interesting, that fuse with its darkened color looks a bit overheated. Surprising since that side is not working, let me know if you find anything having to do with the wiring in the door boot or under the driver seat. Also check this Ground. It's on the driver side under the dash. Black wire G201.
Was this
answer
helpful?
Yes
No
Thursday, November 25th, 2021 AT 2:05 PM
Tiny
MICHAEL MORA
  • MEMBER
  • 8 POSTS
  • 2009 CHEVROLET TAHOE
  • 5.3L
  • V8
  • 2WD
  • AUTOMATIC
  • 140,000 MILES
My driver side power seat does not work. The memory and heated seats button does not work as well. What can it be? Please help!
Was this
answer
helpful?
Yes
No
Friday, November 26th, 2021 AT 11:14 AM (Merged)
Tiny
JACOBANDNICKOLAS
  • MECHANIC
  • 110,192 POSTS
Hi,

The heated seats and power seats circuits are separate. So, let's start with the seat movement.

First, I attached the wiring schematic below for the driver's seat. Note that power is provided via a circuit breaker located in the instrument panel fuse box (driver's side).

Here is what we need to do is first. Disconnect the connector at the seat switch. Locate the red wire in the harness and using a test light or a voltmeter and confirm there is 12v power to the switch.

Here is a link you may find helpful:

https://www.2carpros.com/articles/how-to-check-wiring

Do this and let me know the results.

Take care,

Joe

See pics below. Please note: The climate-controlled seats may require that we scan the can-bus system to see if there is an issue with the climate control module. We will cross that bridge when we reach it.
Was this
answer
helpful?
Yes
No
Friday, November 26th, 2021 AT 11:14 AM (Merged)
Tiny
MICHAEL MORA
  • MEMBER
  • 8 POSTS
Okay, I'll check the switch power tomorrow. I'll update you when I do. Thanks
Was this
answer
helpful?
Yes
No
Friday, November 26th, 2021 AT 11:14 AM (Merged)
Tiny
AL514
  • MECHANIC
  • 5,593 POSTS
Hello, did you have a chance to do any testing? I was informed that the drivers door modules go bad in these all the time. This is fed by DDM Fuse. This Drivers Side Door lock/Window Switch feeds power, and ground to the Driver Heated Seat Switch.
Was this
answer
helpful?
Yes
No
Tuesday, November 30th, 2021 AT 11:43 AM
Tiny
MICHAEL MORA
  • MEMBER
  • 8 POSTS
I checked the fuses DDM/pump, and circuits c3 that are good. Also, I noticed my pedal adjustment button also doesn't work. So, I'm thinking it's the module you said, I believe it's called the BCM? I also hear clicks under the steering wheel in dash. Could this be the module making noise? Thanks
Was this
answer
helpful?
Yes
No
Tuesday, November 30th, 2021 AT 12:32 PM
Tiny
AL514
  • MECHANIC
  • 5,593 POSTS
The BCM is the Body Control Module, it is a major component, it controls everything that the ECM does not pretty much. Lights, doors, etc. What I think you're hearing click under the dash is the relay for the Brake Pedal Adjuster. Diagram below, circled in green do to the Brake pedal motor. In blue is the power supply from the BCM to the switch that controls the brake pedal adjuster.
The BCM is also located down under the driver side dash.
So some possibilities here are, you have a partial failure of the BCM, What's difficult here is there are so many modules involved with the heated seats, the seat adjustment, the brake pedal adjustment, there's a memory module for the seats, a module for the driver door lock/window switch which feeds the heater controls for the seats. A climate control module for the seats.
The trick here is trying to figure out what ties all these failures together. And you're right, it could be the BCM, but I don't want to just tell you to throw parts at this and it not be correct. These modules are expensive and need to be programmed with a scan tool capable of doing that.
So you're positive you have fully working seat heat and movement of the passenger seat, all except the indicator?
What circuit do you mean by C3?
So, the second diagram just shows the example of how the Driver Door Lock/Window Switch Module interacts with the seat heater controls. The fact that you have a Brake Pedal Adjuster Failure too, brings in another variable.
Third diagram id like you to just check this fuse to rule it out.
The fourth diagram is the Climate Control Seat Module, I have labelled the wires to check and what voltages they should be. This is under the Passenger Seat.
Because I don't want to get lost down a rabbit hole with this issue, I would like to rule out some things. The last diagram is 1 out 3 parts of the BCM layout. If you can find this easy enough, there's 1 yellow wire I would like you to check for 12-volts. It feeds a relay related to the Seat Climate Module. Key in On Position test. Doesn't need to be running.
Sorry for the long message and ton of info.
Was this
answer
helpful?
Yes
No
Tuesday, November 30th, 2021 AT 7:09 PM
Tiny
MICHAEL MORA
  • MEMBER
  • 8 POSTS
The C3 circuit is the one in the box located underneath the dash by the brake pedal. There's c1-c4 circuits I believe c3 is for the driver seat.

I checked the EAP fuse you suggested in the third diagram, and it checked good.

Also, I took it to a local auto electric specialist shop and the tech hooked up a scanner and said he was not able to communicate with the module. I attached a picture of the message it displayed. He said he wasn't 100% sure but it could be the BCM as well.
Was this
answer
helpful?
Yes
No
Saturday, December 4th, 2021 AT 4:29 PM
Tiny
AL514
  • MECHANIC
  • 5,593 POSTS
Okay, well since there is a huge number of modules in this vehicle, and I'm not sure what module he couldn't communicate with exactly. There is a Technical Service Bulletin on having to program/reprogram door modules that alone requires a scan tool capable of doing that, not all can. The TSB is the first pic. I'm just going to show you how many modules are in this vehicle, just so you get an idea of why this is being so difficult. The 2nd and 3rd are wiring diagrams just showing all the modules in the vehicle. The BCM alone communicates on 8 different networks. Thats all kinds of GMLAN high speed, low speed, LIN bus, Serial Data etc. And then there's a bunch of junction points for all these networks throughout the vehicle. GM does not make diagnosing these easy from a distance like this. If it is the door module causing the seat issues, that still doesn't explain the brake pedal adjustment not functioning. Unless only one small part of one network is down. So, I'm going to recommend this vehicle go somewhere that they can do a full system scan of the whole vehicle and see what modules are communicating and which aren't.
This is a situation where I would have my oscilloscope out and be checking the networks coming out of the door and the BCM and actually watch the network waveforms to find faults.
There could be a tiny, cracked solder joint causing all this, not something you'd find with just a multimeter. There could be more than one problem here too. I'm not sure why an auto electrical specialist couldn't tell you more. I'd think this would be what they do.
But the BCM is located down under the driver side dash, it has 7 harness plugs going into it. So, it will be a very obvious module. Start with having the whole truck scanned and I think you're going to find the Drivers Door module to be the issue for the seats to start with.
I'm also adding 3 more TSBs on heated seat issues I just found. So, they obviously have a lot of problems with these. I'm sorry I couldn't be more help by this point.
Was this
answer
helpful?
Yes
No
Sunday, December 5th, 2021 AT 10:07 AM

Please login or register to post a reply.