Where is the Power Seat fuse located?

Tiny
KRISTENK16
  • MEMBER
  • 2009 DODGE GRAND CARAVAN
  • 3.3L
  • 6 CYL
  • 2WD
  • AUTOMATIC
  • 227,000 MILES
The driver's seat power stopped working. I cannot move the seat at all. Would this be a fuse issue? Where is the fuse located? In the fuse box, or in the seat control attachment?
Tuesday, September 17th, 2024 AT 10:52 PM

3 Replies

Tiny
JACOBANDNICKOLAS
  • MECHANIC
  • 110,194 POSTS
Hi,

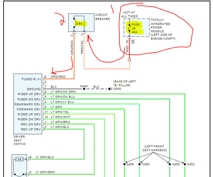
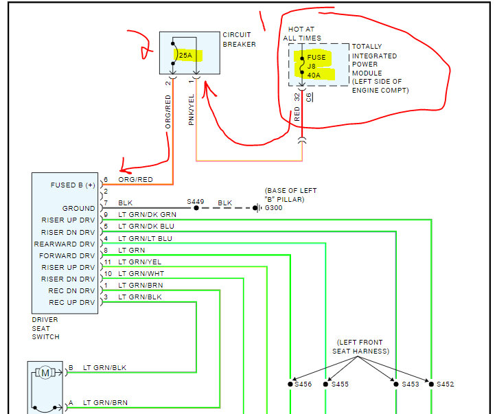
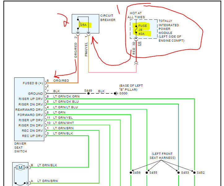
Power to the driver's seat depends on two things. First, fuse J8 in the under-hood fuse box (40 amp), provides power to a 25-amp circuit breaker. That sends power to the seat switch.

Both the fuse and circuit breaker are located in the same power box under the hood. If you look below, I attached a couple pictures to help.

Check the fuse first. If it is good, then I recommend going to the switch on the seat. There will be an orange wire with a red tracer. Check it for power.

Here is a link you may find helpful:

https://www.2carpros.com/articles/how-to-check-a-car-fuse

Let me know what you find.

Joe

See pics below.
Was this
answer
helpful?
Yes
No
Wednesday, September 18th, 2024 AT 5:59 PM
Tiny
KRISTENK16
  • MEMBER
  • 4 POSTS
It was the 40a fuse! Thank you so much. I have a bad habit of moving the seat completely back when I get out of the car, and of course that is when the fuse went bad and I could barely reach the pedal! Much appreciated.
Was this
answer
helpful?
Yes
No
Thursday, September 19th, 2024 AT 1:31 PM
Tiny
JACOBANDNICKOLAS
  • MECHANIC
  • 110,194 POSTS
Hi,

Thank you for the update and you are very welcome. I'm glad you found the issue. When I move customer cars around, it is nearly impossible to reach the pedals at times, but I don't want to change their settings. So, I usually just slide up like I was 10 years old. LOL

Take care of yourself and feel free to come back anytime in the future.

Joe
Was this
answer
helpful?
Yes
No
Thursday, September 19th, 2024 AT 6:34 PM

Please login or register to post a reply.