Hello, this is the car with the problems.
At first it was acting like it was misfiring. And it had a code. Misfire #4. P0304.
And it also had this other code.
P0456. Evap something small it said. Not sure about that, I checked all the hoses, and I can’t find anything that looks damaged. And the gas cap just be sure.
So, I checked the plugs, and they were all a bit dirty, and I saw an oil line on the plugs for three of them.
And I had already replaced the valve cover gasket maybe a couple years ago. But either way I went and replaced it again and new plugs.
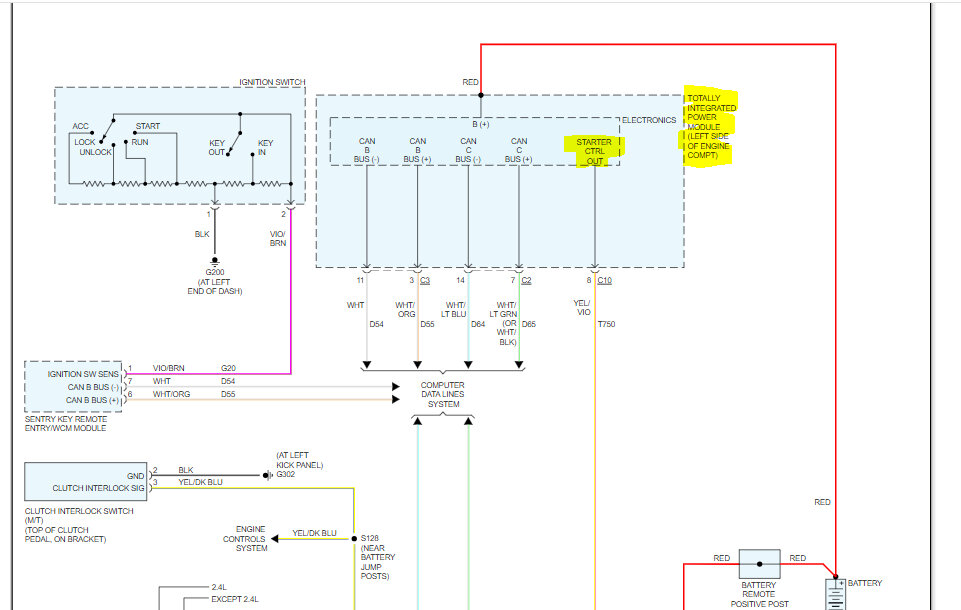
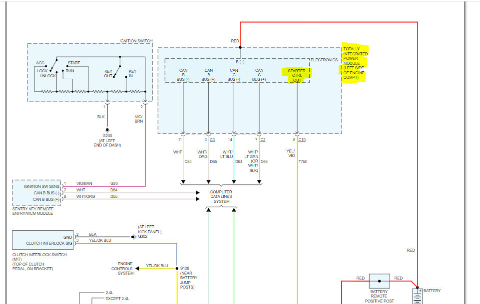
And it’s still having the same issue with power. And if I rev the engine to try to give it more go, all of a sudden, the starter engages and makes a horrible noise. So obviously I shut it off, but the starter continues to spin for about 10-15 seconds then it stops.
Now I reset the codes after I changed the plugs and gasket to start fresh. And after starting it multiple times it still doesn’t throw a code. “Yet” so, I’m not sure if I should start throwing money at the starter and the coils for the plugs. (Because those are not $10 a piece).
Does this sound familiar?
Wednesday, February 7th, 2024 AT 10:40 PM



